logo elektroda
logo elektroda
X
logo elektroda

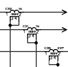
Identifying Electronic Component with 4 Pins Labeled C32, C31, 1N, 100V2, and C30 22p 100V2

jhonyrapjaygahiton 807 0
ADVERTISEMENT
  • #1 20667419
    jhonyrapjaygahiton
    Level 1  
    Posts: 1

    Identifying Electronic Component with 4 Pins Labeled C32, C31, 1N, 100V2, and C30 22p 100V2

    Can someone tell me what electronic component is this? It has 4 pins. It says C32 and C31, then 1N and 100V2 for the two parts. The other one, C30, is 22p then 100V2. I haven't encountered this component before.
  • ADVERTISEMENT
ADVERTISEMENT