The bc-348 radio was powered by a dynamotor rated at 70ma @ 220V dc according to spec.
I have 120V AC on the house mains. I'm keeping the radio on DC power.
I have one schematic (attached) I'm looking at but that involves 2 transformers which I could work with but there has to be a way to get there with a switch mode power supply and bridge rect. Designing thats beyond my skillset.
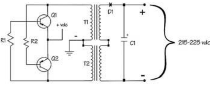
Here is the outline for the solution for 2 transformers.
Transformers T1 and T2 are low-voltage
transformers with 120-volt primaries. They are
hooked up in reverse so that the high voltage
appears at the output. Use transformers with
12-volt, 2 amp secondaries for 12-volt operation; with 24-volt, 2 amp secondaries for 24-volt
operation
I have 120V AC on the house mains. I'm keeping the radio on DC power.
I have one schematic (attached) I'm looking at but that involves 2 transformers which I could work with but there has to be a way to get there with a switch mode power supply and bridge rect. Designing thats beyond my skillset.
Here is the outline for the solution for 2 transformers.
Transformers T1 and T2 are low-voltage
transformers with 120-volt primaries. They are
hooked up in reverse so that the high voltage
appears at the output. Use transformers with
12-volt, 2 amp secondaries for 12-volt operation; with 24-volt, 2 amp secondaries for 24-volt
operation