logo elektroda
logo elektroda
X
logo elektroda

Toshiba 40LV685D TV - No Backlight, Replaced STR-A6069, SEM2107, AO4614, Inverter SSI-400-14A01

tomsoft 20475 19
Best answers

Why is the inverter in a Toshiba 40LV685D being shut down so the CCFL backlights never even flash, and what should be checked to stop the cyclic reset?

The inverter is most likely being shut down by its protection circuit because of a fault in the inverter/power section, not because the lamps need to be “forced” to start. For this model, a service kit was mentioned for no-backlight faults that replaces F101/F102, U101, and the switching transistors Q301-312, Q321, and Q322 [#15640332] The key checks suggested were the SEM2107 supply and protection pins: the IC should have the correct Vcc and UVLO-related voltages, and one measured case showed about 17 V on SEM2107, which was considered suspicious [#15644142][#15644317] Bypassing the Protect pin on SEM2107 did not change the symptom, so the reset/lockout was not cleared that way [#15644142] The replies also pointed to comparing all inverter voltages against a known-good board and checking the protection line and related transformer/transistor stages, because the inverter can remain latched in protect even when the lamps themselves test OK [#15644207][#15644317]
Generated by the language model.
ADVERTISEMENT
Treść została przetłumaczona polish » english Zobacz oryginalną wersję tematu
  • #1 15640258
    tomsoft
    Level 11  
    Posts: 93
    Help: 1
    Rate: 11
    TV as in the subject, initial symptom - does not turn on. Replaced STR-A6069 chip. There is no backlight after switching on the power supply. After replacing the SEM2107 chip and AO4614 transistors. Inverter SSI-400-14A01 TV turns on for a moment, 24 V voltage is applied to the Inverter but the fluorescent lamps do not light up even for a moment and the TV resets cyclically every few seconds. The TV reset effect is also present when the Inverter is unplugged. My question is what causes the Inverter to be blocked to the point where the fluorescent lamps will not even flash.
  • ADVERTISEMENT
  • #2 15640332
    lisek
    Service technician RTV
    Posts: 39712
    Help: 6307
    Rate: 6802
    Including service kit for this model inv. for (e.g. LTA400HA07) enter
    Quote:
    Symptoms include no backlight and the F101 or F102 is faulty.
    The set includes: F101, 102 + U101 + Q301-312, Q321, 322 ... (14 pcs)
  • #3 15640341
    tomsoft
    Level 11  
    Posts: 93
    Help: 1
    Rate: 11
    After all, I wrote that I replaced SEM2107 and all transistors.
    After replacing the Inverter, it does not block the motherboard because the Main board has not leaked before. But the TV keeps resetting.

    Added after 44 [seconds]:

    Fluorescent lamps are also checked OK
  • #4 15640570
    mirex
    Level 43  
    Posts: 21794
    Help: 1950
    Rate: 1987
    tomsoft wrote:
    My question is what causes the Inverter to be blocked to the point where the fluorescent lamps will not even flash.

    Here comes what is supposed to cause them to catch fire? ;)
    And the SEM2107 has power though? ;)
  • ADVERTISEMENT
  • #5 15640673
    lisek
    Service technician RTV
    Posts: 39712
    Help: 6307
    Rate: 6802
    Protect off
    Toshiba 40LV685D TV - No Backlight, Replaced STR-A6069, SEM2107, AO4614, Inverter SSI-400-14A01
    behind Link

    Toshiba 40LV685D TV - No Backlight, Replaced STR-A6069, SEM2107, AO4614, Inverter SSI-400-14A01

    Toshiba 40LV685D TV - No Backlight, Replaced STR-A6069, SEM2107, AO4614, Inverter SSI-400-14A01 Toshiba 40LV685D TV - No Backlight, Replaced STR-A6069, SEM2107, AO4614, Inverter SSI-400-14A01

    In the appendix you have a better schematic with SEM2106
    Attachments:
    • sem2106_.rar (122.96 KB) You must be logged in to download this attachment.
    • SEM2106 Inverter Samsung.pdf (349.84 KB) You must be logged in to download this attachment.
  • #6 15640691
    tomsoft
    Level 11  
    Posts: 93
    Help: 1
    Rate: 11
    OK, I'm at home now, I can catch TV on Mon
    I think the topic is interesting. Mirex has already checked everything
    And what and how I will write on Monday, because to d ... I write with
    phone !!
    Thanks "Lisek"
  • #7 15644142
    tomsoft
    Level 11  
    Posts: 93
    Help: 1
    Rate: 11
    Inverter voltage 24V OK. The power supply on SEM2107 equals 17V and it is still at this level even though the TV resets. Bypassing the Protect on the SEM does nothing. So what ....?
  • #8 15644207
    lisek
    Service technician RTV
    Posts: 39712
    Help: 6307
    Rate: 6802
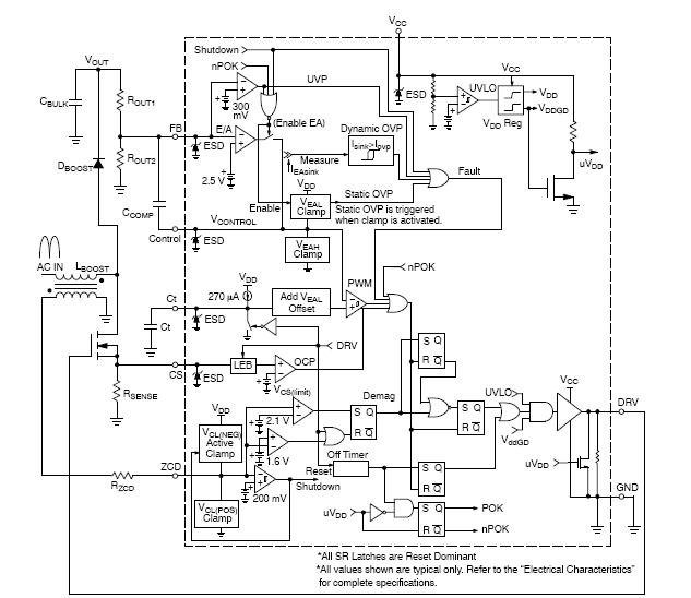
    The method of removing the Protect lock in these ICs must be adapted to the given system, pay attention> they have different numbers of pins ...
    I showed for SEM2106
    Toshiba 40LV685D TV - No Backlight, Replaced STR-A6069, SEM2107, AO4614, Inverter SSI-400-14A01

    For SEM2107 it is SSOP-28 pin housing.!
    View and take measurements on pin "ah, give it up."
    It is important, for example, on a pin. (Vref)

    There is also an output system. on the 4th trafo. with 14 ohm field transistors
    * described on the "Chinese website" Link

    Toshiba 40LV685D TV - No Backlight, Replaced STR-A6069, SEM2107, AO4614, Inverter SSI-400-14A01
    Toshiba 40LV685D TV - No Backlight, Replaced STR-A6069, SEM2107, AO4614, Inverter SSI-400-14A01 Toshiba 40LV685D TV - No Backlight, Replaced STR-A6069, SEM2107, AO4614, Inverter SSI-400-14A01
    * min. behind Link_ _32. $ + Porto
    Field AO4614
    Toshiba 40LV685D TV - No Backlight, Replaced STR-A6069, SEM2107, AO4614, Inverter SSI-400-14A01


    __________________-

    For example, they say that
    Toshiba 40LV685D TV - No Backlight, Replaced STR-A6069, SEM2107, AO4614, Inverter SSI-400-14A01
    Below is the job center for SEM2106 SSOP24
    Toshiba 40LV685D TV - No Backlight, Replaced STR-A6069, SEM2107, AO4614, Inverter SSI-400-14A01

    I don't know what Main is, but the series
    Toshiba 40LV655xx LCD TV
    Main Board - PE0772 (V28A001020A1)
    ** CPU_scaler - MST 6B885GL-LF-3
    T-Con SYNC60C4LV0.3
    PSU DPS - 276AP A
    behind Link_ the minimum voltage values were given on T-con
    Quote:

    In the service menu> point: Model (for my model TV ie 40LV655P) set the value 02H and after that make initilization memory.
    Click the return button (i +) and holding it press the PROGRAM button +.
    After the initialization of the TV, turned on the auto channel search. .... (as if the brightness and contrast low). These after the initialization data is not preserved the LCD panel.
    Put a new ?24?64. Made again as mentioned above and TV ork fine.
  • #9 15644216
    tomsoft
    Level 11  
    Posts: 93
    Help: 1
    Rate: 11
    SEM2107 is equivalent to SEM2106 and has 24 pins !! so the stated voltages are measured on the correct pins.
  • #10 15644275
    tomsoft
    Level 11  
    Posts: 93
    Help: 1
    Rate: 11
    ??? "Lisek" I know what it looks like since I replaced it and as you can see it has 24 pins. It would be more important if the 17V is OK. I do not have a service center or a diagram and that would be helpful. In addition, in this model, Inerter cooperates with T-CON which gives INV_On and nothing changes there. There is no TPS65167 converter on T-CON, maybe there is a problem here, the only question is why the fluorescent lamps will not collapse even for a second despite the protect photo. How do I force an entire Inverter to start?

    Added after 2 [minutes]:

    Do you think this is an EEPROM problem?
    Where did the charge come from (I'm not registered on this page)
  • #11 15644317
    lisek
    Service technician RTV
    Posts: 39712
    Help: 6307
    Rate: 6802
    Two ver. work of this circuit

    Toshiba 40LV685D TV - No Backlight, Replaced STR-A6069, SEM2107, AO4614, Inverter SSI-400-14A01

    With LEDs for protection
    Toshiba 40LV685D TV - No Backlight, Replaced STR-A6069, SEM2107, AO4614, Inverter SSI-400-14A01

    1. voltage on pin you have approx
    2. role of pin.15 UVLO, what voltage value and compare with datasheet
    3.Vcc usually is 12V, (Tip # 14: VCC: 12.36V) / * (your value + 17V maybe too much)
    see what will happen when you connect the R-150k between pin.14-pin.15
    what then with the voltage on pin.15 (increases)

    ___________________
    Voltage on PFC 390V
    CN801 Pin # Label: measured voltage
    1 High (FET):
    3 Low (FET):
    8 GND:
    9 OVP: (? V) (Seems to be a backlight-confirm Signal.)
    10 CNT_PRT: (? V)
    11 VCC: 12.38V (13V)
    12 LD: (? 12V)

    CN802 Pin # Label: measured voltage
    1, 3, 5, 7 B13V: 12.38V (13V)
    2 P_DIM: 1.43V? (or 3.5V?)
    6 BLU_ON: 5.07V
    8, 9, 10 GND: 0V (0V)
    11, 13 B5V: 5.2V (5.3V)
    12 A5V: 5.2V (5.3V)
  • #12 15644343
    tomsoft
    Level 11  
    Posts: 93
    Help: 1
    Rate: 11
    I will give the tensions when I measure it because I fight 3 TVs at once. But I wonder what is the problem of the backlight for the cyclic TV reset?
  • ADVERTISEMENT
  • #13 15644382
    mirex
    Level 43  
    Posts: 21794
    Help: 1950
    Rate: 1987
    mirex wrote:
    Here comes what is supposed to cause them to catch fire?
    tomsoft wrote:
    Besides, in this model, Inerter cooperates with T-CON which gives INV_On and nothing changes there.

    And I asked before the fox fairy tale started. ;)
    Change that and see if it works, don't look for a hole in the whole thing.
  • ADVERTISEMENT
  • #14 15644423
    tomsoft
    Level 11  
    Posts: 93
    Help: 1
    Rate: 11
    Delta DSP26AP power supply
    Tensions:
    PJ91
    1Power_Protect + 3.5V
    2Power_Sig + 3.1vV (only 1.9V temporarily)
    3AC_Detect + 3.3V (3.1V)
    4Power_LCD + 3.1V (0V)
    5.6SGND 0v
    7.8 LCD + 12.08V (0V)

    PJ90
    1,2Sound_Gnd 0V
    3.4Sound + 18.0V
    5 + 24.3V
    6,8,12,14Sgnd 0V
    7Power_TV + 3.0V (0V)
    9.10.11 + 12.2V
    13 + 5.2V

    P861
    1,2,3,4Vini + 24.3V
    6,7,8,9,10 Sgnd 0V

    Values currently measured in parentheses.
    Maybe some kind of power supply diagram?

    Added after 1 [minutes]:

    DSP-276AP sorry for the mistake

    Added after 23 [minutes]:

    I have a question - can DAP015D be changed to L6599. This DAP is in this TV power supply.
  • #16 15644592
    tomsoft
    Level 11  
    Posts: 93
    Help: 1
    Rate: 11
    I replaced DAP015D with L6599 and ... nothing - the same, the same voltages (i.e. no described). I have enough of it for today - let it "bloom" until Wednesday.
  • #17 15644611
    lisek
    Service technician RTV
    Posts: 39712
    Help: 6307
    Rate: 6802
    From the link I provided earlier, you have the tension from a good TV
    PJ91
    1Power_Protect + 3.5V
    2Power_Sig + 3.1vV
    3AC_Detect + 3.3V
    4Power_LCD + 3.1V
    5.6SGND 0V
    7.8 LCD + 12.08V

    PJ90
    1,2Sound_Gnd 0V
    3.4Sound + 18.0V
    5 + 24.3V
    6,8,12,14Sgnd 0V
    7Power_TV + 3.0V
    9.10.11 + 12.2V
    13 + 5.2V

    P861
    1,2,3,4Vini + 24.3V

    T-con SYNC60C4LV0.3
    - ICT1 - THF930I
    - LMU4142TI
    * others: ICM1 - W9864G2GH-6, OP1, PO2 - I7814HS, ICE - 24C64WP
    ICV1 - I7975, IC20 - XC95144XL
    ICC1 - MAX9591
    ICD2 - KA1718
    ICD1 - TPS65167

    You also have the voltage on the CN11 T-con listed there
  • #18 15644727
    tomsoft
    Level 11  
    Posts: 93
    Help: 1
    Rate: 11
    Lisek, I gave the tensions in my PJ91, those in parentheses are different, but not actually
    ma.0V Schematics, schema I need, because I can't find it.
  • #19 15644784
    lisek
    Service technician RTV
    Posts: 39712
    Help: 6307
    Rate: 6802
    DPS-219DP
    Quote:
    NCP1607B + 2sk3569
    * SSC9512
    STR-A6069H
    There during work
    POW PROT - 2.92V
    POW SIG - 2.2V
    AC DET - 2.7V
    POW LCD - 3.1V


    Toshiba 40LV685D TV - No Backlight, Replaced STR-A6069, SEM2107, AO4614, Inverter SSI-400-14A01

    Measurement of voltages during operation L6599D, NCP1606B Link
    Toshiba 40LV685D TV - No Backlight, Replaced STR-A6069, SEM2107, AO4614, Inverter SSI-400-14A01 Toshiba 40LV685D TV - No Backlight, Replaced STR-A6069, SEM2107, AO4614, Inverter SSI-400-14A01

    and see v Link
    From the Electrode forum, e.g. Link


    _______________
    DPS145PP-131 A
    for TOSHIBA 37XV743 (V71A00014900) and matrix LC370WUD_G
    * 32AZ510 with matrix T315HW041
    STRA6069H
    MP-130I (AV-DP9060)
    NCP1607B
    SSC9502S

    The Delta company in its dogs is "monothematic", the same IC has almost identical work layouts. NCP1607B / NCP1606B
  • #20 15697455
    tomsoft
    Level 11  
    Posts: 93
    Help: 1
    Rate: 11
    TV not repaired - The client decided not to repair it further.

Topic summary

✨ The discussion revolves around a Toshiba 40LV685D TV that fails to turn on, exhibiting no backlight after replacing the STR-A6069 chip, SEM2107 chip, AO4614 transistors, and the inverter SSI-400-14A01. Despite applying 24V to the inverter, the fluorescent lamps do not illuminate, and the TV resets cyclically. Participants explore potential causes, including issues with the inverter, T-CON board interactions, and the possibility of an EEPROM problem. Various voltage measurements are shared, and suggestions for bypassing protection circuits are discussed. Ultimately, the TV remains unrepaired as the client opts not to pursue further repairs.
Generated by the language model.
ADVERTISEMENT