logo elektroda
logo elektroda
X
logo elektroda

Diora WS-442 Amplifier Short Circuit - 2N6491 Transistor, R-538 Resistor & Repair Guidance

bulasty82 8553 10
ADVERTISEMENT
Treść została przetłumaczona polish » english Zobacz oryginalną wersję tematu
  • #1 16387522
    bulasty82
    Level 2  
    Posts: 3
    Rate: 1
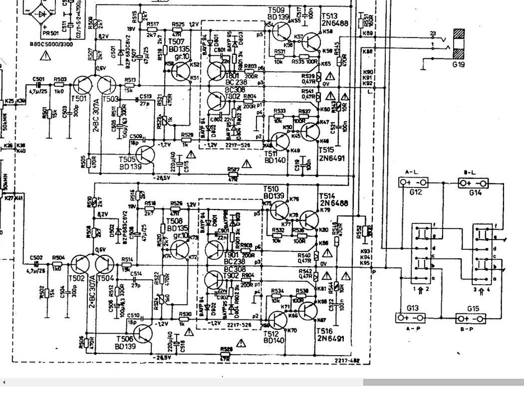
    Hello, I have a problem with the Dior WS-442 amplifier, namely I made a short circuit on the 2N6491 transistor between the collector and the emitter, the right channel burned out the power terminals complementary pair and the emitter resistor R-538 I replaced the terminals and the emitter resistor measured 100 ohms, the same between the transistors on value of 200 ohms when turning on the power, the 1.25A fuse blown and the power terminals are burnt, the resistor is good. I do not know where to look for the problem, I replaced the transistors, the fuse does not blow, only the left channel works, but the protection board heats up. Someone knows what might be wrong. If someone has a service manual for service technicians with the specified voltages, it would be great. I am asking for help in this matter, best regards.  Diora WS-442 Amplifier Short Circuit - 2N6491 Transistor, R-538 Resistor & Repair Guidance
  • ADVERTISEMENT
  • #2 16387537
    olekt2002
    Level 31  
    Posts: 1882
    Help: 147
    Rate: 500
    You have everything on the Forum ... do not be lazy ... Search. Correct the spelling, punctuation, because the topic will be put in the trash in a moment.
  • ADVERTISEMENT
  • Helpful post
    #3 16387685
    arturdip
    Level 31  
    Posts: 1170
    Help: 170
    Rate: 323
    If the second channel works, why is the service manual? All voltages are there
  • #4 16388260
    dybas
    Level 38  
    Posts: 3128
    Help: 419
    Rate: 337
    bulasty82 wrote:
    I made a short circuit on the 2N6491 transistor between the collector and the emitter

    Or maybe when installing 3300 uF capacitors in the power supply? It would be appropriate to state the reason for the interference inside. Now there can be only one advice: carefully measure the components of the power amplifier and run with a light bulb instead of a fuse. Watch out for life-threatening tension!
  • #5 16388500
    bulasty82
    Level 2  
    Posts: 3
    Rate: 1
    dybas I put 3300 mickroE electrolytes because I had them on hand, but I will do it. I will give a factory 4700 microF capacitor to this I will connect two 3300 microF capacitors in series and I will have a 2x8000 microF / 40 V capacitor, and this capacitor is responsible only for bass. in my opinion, one of the rectifying diodes has a breakdown on the protection board and I think this is the cause of the power amplifiers burning.
    Thank you for your help. Greetings.
  • ADVERTISEMENT
  • Helpful post
    #6 16388760
    HD-VIDEO
    Level 43  
    Posts: 7961
    Help: 1255
    Rate: 1844
    The plate will not damage the power amplifier.

    Control / power transistors to check mica spacers / screws from the heat sink.


    And we connect capacitors in parallel.
  • #7 16389309
    dybas
    Level 38  
    Posts: 3128
    Help: 419
    Rate: 337
    bulasty82 wrote:
    I will have a 2x8000 microF / 40 V capacitor, and this capacitor is only responsible for bass

    Buddy, instead of substantively answering the question about the reason for the interference inside, you start repeating heresies. Why did you change the capacitor bank in the power supply? Was there any other damage originally?
  • ADVERTISEMENT
  • #8 16389470
    bulasty82
    Level 2  
    Posts: 3
    Rate: 1
    Colleagues, the reason was such a damaged BD 140 and the BC 308 protection board was therefore burning the tips, and the heating of the plate was caused by a breakdown on the BC 308. It was enough to use the multimeter correctly.
  • #9 16389473
    aaanteka
    Level 42  
    Posts: 7683
    Help: 728
    Rate: 1186
    bulasty82 wrote:
    power terminals burned complementary pair and R-538 emitter resistor I replaced the terminals and the emitter resistor measured 100 ohms the same between transistors on emitters 200 ohms value, the 1.25A fuse blown when the power was turned on


    The final stage is made of T510 transistors from T514 and T512 from T516, so you should carefully check all of them. The more so as the collector short-circuit with the T516 emitter caused its complete bypassing and overloaded most of the elements.

    From a physical point of view, it is unlikely that the resistance 0.22-0.33 overloaded, suddenly overheated would have a value of 100 (most often the wire resistor burns out - opening). Rather, you should look for an erroneous measurement with a meter on the wrong measuring range or a used power battery.

    It is most sensible to run this amplifier without the T514 and T516 transistors, using 32? -600? as the headphone load. For small controls the amplifier should work properly without the slightest audible distortions.
    For larger signals at the input, the distortions resulting from clipping the tops of the sinusoid should be clearly audible. By reducing the input signal, the amplifier should continue to operate stably without distortion. Nothing should be overheated.
    Then you can insert terminal transistors and emitter-equivalent resistors of 47? -51? / 5-20W. In this configuration, we have them securely protected and, as before, we can safely check the correct operation of the amplifier with low input control with the output being loaded with headphones. The amplifier should work properly as before, the emitter-equivalent resistors should not heat up, the unbalance DC voltage at the amplifier output should be small, several dozen mV. And the quiescent current, obviously measured using the technical method, should not be greater than the nominal one.

    After successful results of such tests, it is possible to install target emitter resistors, start the amplifier, checking the quiescent current and unbalance voltage, check the operation of the amplifier on a load of 8? -16?, not necessarily a wire resistor on the loudspeaker.
    After all these tests, you can start setting the target quiescent current of the amplifier in accordance with the accepted rules of procedure.
    bulasty82 wrote:
    I will give the factory 4700 microF capacitor for this I will connect two 3300 microF capacitors in series and I will have a 2x8000 microF / 40 V capacitor

    Capacitors connected in series have a smaller capacity and a higher operating voltage, with parallel connection the capacity increases while maintaining the rated operating voltage.
    In my opinion, it makes no sense to use much too large capacities for this amplifier, it can only cause excessive load on the transformer, especially when forcing the amplifier and the initial connection of the amplifier to the mains.

     Diora WS-442 Amplifier Short Circuit - 2N6491 Transistor, R-538 Resistor & Repair Guidance  Diora WS-442 Amplifier Short Circuit - 2N6491 Transistor, R-538 Resistor & Repair Guidance

    Added after 11 [minutes]:

    The damage seems to have been caused by a slightly different short circuit between the base and the collector. In general, when this type of damage occurs, it is worth replacing all the transistors in the final stage, the more so because their price is negligibly small compared to the replacement of the current transistors several times.

    Then there is the question of setting the quiescent current and checking the imbalance voltage.
    Does your colleague know how to do it?
  • #10 16390230
    000andrzej
    Level 37  
    Posts: 3276
    Help: 302
    Rate: 238
    bulasty82 wrote:
    I made a short circuit on the 2N6491 transistor between the collector and the emitter, the right channel, the power terminals are burnt complementary pair and the emitter resistor R-538

    In addition to the end transistors of the current amplifier, there are also so-called controls about which I do not see any mention of replacement. If they went up in smoke (and with the described short circuit I would be surprised if they survived) the output transistors will burn again, which you have probably experienced.
  • #11 16390834
    HD-VIDEO
    Level 43  
    Posts: 7961
    Help: 1255
    Rate: 1844
    Quote:
    - why parallel. to the factory 2 * 4700miroF I connect two in series at 3300miroF and I have 80000micro at -40V and + 40V as the connection will send you a photo, you should connect two capacitors 4700microF / 40V and one plus with the minus of the other and this is the common third terminal in the factory and there is one plus and one minus because the voltages are one + 40V and the other -40V, so the combination of these two capacitors


    I don't think you need to explain how we connect the capacitors; described above

Topic summary

✨ The discussion revolves around troubleshooting a Diora WS-442 amplifier that experienced a short circuit involving the 2N6491 transistor and R-538 resistor. The user reported that after replacing the damaged components, the amplifier still exhibited issues, with only one channel functioning and the protection board overheating. Various responses suggested checking the power amplifier components, including the rectifying diodes and control transistors, as well as ensuring proper capacitor values in the power supply. The user later identified a damaged BD 140 and BC 308 on the protection board as the cause of the problems. Recommendations included using a multimeter for accurate measurements and testing the amplifier without certain transistors to isolate issues.
Generated by the language model.
ADVERTISEMENT