Hello,
I have a problem with the TDA8954TH amplifier, after connecting the power supply, the R2 resistor immediately burns and DC appears on both outputs. The amplifier doesn't even start the oscillator.
I tested on 7 chips and 3 plates. Pcb checked several times for assembly errors and I did not find any. Capacitors, resistors measured before each replacement of the power amplifier and before starting, checked for short circuits.
Power supply +/- 40V
Integrated circuits ordered on ebay from china in august 2017. I suspect that the power amplifiers may be coloring books. There is no longer this offer on ebay, but the title was this:
10PCS TDA8954TH Encapsulation: HSOP24.2 X 150 W class-D power amplifier # Q1186 ZX
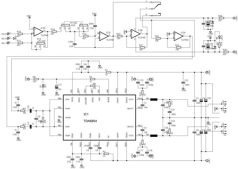
In the attachment there is a schematic diagram, a pcb diagram and a photo from the auction with tda8954.
Please check the correctness of pcb paths, maybe I made a design mistake and I can't see it. Tomorrow I will have chips from a Polish store and I do not want to fast with smoke again.



Thank you in advance and best regards
I have a problem with the TDA8954TH amplifier, after connecting the power supply, the R2 resistor immediately burns and DC appears on both outputs. The amplifier doesn't even start the oscillator.
I tested on 7 chips and 3 plates. Pcb checked several times for assembly errors and I did not find any. Capacitors, resistors measured before each replacement of the power amplifier and before starting, checked for short circuits.
Power supply +/- 40V
Integrated circuits ordered on ebay from china in august 2017. I suspect that the power amplifiers may be coloring books. There is no longer this offer on ebay, but the title was this:
10PCS TDA8954TH Encapsulation: HSOP24.2 X 150 W class-D power amplifier # Q1186 ZX
In the attachment there is a schematic diagram, a pcb diagram and a photo from the auction with tda8954.
Please check the correctness of pcb paths, maybe I made a design mistake and I can't see it. Tomorrow I will have chips from a Polish store and I do not want to fast with smoke again.



Thank you in advance and best regards