logo elektroda
logo elektroda
X
logo elektroda

Renovation of the historic Rochar A.1335 digital voltmeter

sq2aki 2571 31

TL;DR

  • Restored a prototype Rochar A.1335 digital voltmeter from the early 1960s, one of Europe's first digital voltmeters.
  • Rebuilt the power supply on a new board, replaced dried electrolytic capacitors, repaired wiring, and swapped the failed 2N555 stabilizer with a stronger 2N1558.
  • Fixed the counting and range circuits by replacing an open diode in the ÷5 divider, a shorted diode in the decade/range logic, and a broken reed relay contact.
  • Limited the NIXIE supply to 180V, fitted LC513 tubes, and calibrated the reference section around a 6.2V diode and precision 1200Ω and 4kΩ resistors.
  • The voltmeter now measures correctly on all ranges; DC is stable and AC is reasonable up to 10 kHz, though accuracy drops above that.
Generated by the language model.
ADVERTISEMENT
Treść została przetłumaczona polish » english Zobacz oryginalną wersję tematu
📢 Listen (AI):
  • Renovation of vintage Rochar A.1335 digital voltmeter

    Good afternoon,

    some time ago I received a vintage voltmeter handmade in the early 1960s from a friend in France. I have restored this instrument, I invite you to report on the repair of this vintage device. Perhaps a few words about the restoration of this beautiful instrument will encourage someone to restore technical relics? Or maybe someone will be interested in the history of electronics development?

    The first digital voltmeter was developed by Andrew Kay in the USA in 1952, using fast relays. It had an interesting display: transparent glass panes with engraved digits illuminated at the edge by an incandescent bulb. There was one digit on each pane, 11 panes and bulbs for each digit, including the comma. The first copy of this device was sold to the US Army in 1953 and series production began in 1954.
    HP launched the first transistorised digital voltmeter with NIXIE tubes in 1959. The history of digital voltage measurement began in the USA, and everyone knows the companies FLUKE, HP, Tektronix. However, not much is said about European designs, here is one of them:

    Black and white cat next to vintage Rochar A.1335 voltmeter with NIXIE tubes

    The first, conceptual design of the A.1335 voltmeter was presented in a brochure in October 1963 (England's Solartron presented a similar model, the LM1420, in 1964).

    Detail of Rochar A.1335 provisional brochure, dated October 1963

    The A.1335 series-produced voltmeter appeared in the official Rochar catalogue in 1964. It was one of the first digital voltmeters designed in Europe. A working prototype version was made by Roger Charbonnier in 1962. Charbonnier had it in his office until the end of his work at Adret Electronique. It is a beautiful antique, well worth repairing and restoring!

    The Rochar A.1335 voltmeter I received for repair is a prototype version, has no serial number and differs slightly from the devices later produced by Rochar. See the photo below for an example of the design differences:

    Comparison of prototype and production circuit boards of Rochar A.1335 voltmeter

    In the device I repaired, some of the mounting plates are not printed circuits, and the components placed on them were connected by hand using silverplate. This is what the original power supply for the A.1335 voltmeter looked like:

    Handmade power supply board with resistors, capacitors, and soldered wires

    Repair:

    Caution: never plug a vintage appliance into the mains if you do not know its condition, as this may cause further damage. If the unit has a mains transformer, first check this transformer disconnected from the circuit for insulation breakdown and inter-winding shorts. My transformer passed the insulation test and was found to be in good working order, so I did not need to rewind it.

    I started the repair by removing the power supply board and electrolytic capacitors. Some of the components on the board seen in the photo above were damaged, so I did not dismantle them and left the whole board as an antique. For the device I made a new board according to the original schematic, 1960s technology.

    Two PCB boards: left unassembled, right assembled with capacitors and resistors

    The electrolytic capacitors were unfortunately dried out and needed replacing. Some were moved from the chassis to the board and replaced with working good quality ones. Two large capacitors were replaced with vintage Siemens and bolted to the chassis (they still have excellent performance and they look nice)

    Four electrolytic capacitors including two Siemens units placed on fabric

    I also had to sort out the wires. Some had damaged insulation and needed replacing, others were broken off. Some paths were cut and the connections changed with wires, other paths are not there at all, just a crossover of wires. Fortunately I have a schematic (it's attached) and I was able to compare the unit I have to this schematic. This schematic shows the mass-produced version from 1965 onwards, with corrections made in 1967. This is the original scan, poor, but I don't have a better one.

    Back of a prototype circuit board with manual wiring and screw terminals

    I was already able to fit the transformer and power supply board. The power supply still needed to replace the 2N555 germanium transistor that stabilises the -12V voltage. I replaced it with a much stronger 2N1558 transistor and added a new resistor (the original one was burnt out).

    Close-up of circuit board with 2N1558 transistor and 22 ohm resistor, arrow shows repaired connection

    The power supply is ready, it passed the load test, there are correct voltages on all connectors, it's good!

    Power supply board of restored Rochar A.1335 voltmeter with replaced components and Zener diode

    Note: I added a resistor and a Zener diode to the power supply to limit the supply voltage to the NIXIE tubes to 180V. This is a little low, but the tubes work OK. In this voltmeter the digits in the tubes are controlled by old 2N1990 transistors, for which the catalogue Uce is only 60V. The LC531 tube ignition voltage is about 160V, while the quench voltage is above 110V. The difference of Uce=60V when the transistor is open and plugged is sufficient to ensure proper lamp operation. However, if the mains voltage went up (which happens, due to the photovoltaics), without stabilisation the NIXIE supply voltage would increase and the inactive digits might not go out properly. I also added a 14V transil in the -12V path to protect the modules in case of a power supply failure (there are very old 2N1305 germanium transistors in the modules) I also replaced the power supply socket and made ventilation holes so that the counter modules would not overheat.

    Interior of Rochar A.1335 voltmeter showing power board with labeled modifications

    Note: I run vintage devices through autotransformers that reduce 240V AC to 220V (that's the voltage I have in the mains, 238V with jumps to 246V). Some old appliances designed for 220V cannot handle 240V. While I have never had an electrolytic capacitor explode, it is common for series power supplies to overheat and even for the transformer core to saturate when the mains exceeds 245V (blowing a fuse). I used to think of making a separate 220V AC mains in one room, with Schuko plugs without a grounding pin hole, so as not to confuse it with the 240V mains.

    Another item - NIXIE lamps. The original American Burroughs B5031 were fitted to this unit (later serial models had French CSF F9057 lamps manufactured from 1963 onwards). Unfortunately in my voltmeter the tubes were damaged (some digits burnt out).

    Close-ups of NIXIE tubes displaying digits 5, 3, 9 and 7, with three Burroughs tube types

    Fortunately the Polish LC513 tubes fit perfectly:

    Four DOLAM LC-513 nixie tubes arranged side by side on a fabric background.

    Comparator: Already at first glance it needed repair, or rather tidying up of some components. Due to the fact that this is a prototype version some paths were cut and components were placed in newly drilled holes and connected by wires. It looked like a nightmare, but I managed to embrace it. There was another problem - some of the contact pins were falling out of the boards. All contacts to be removed and reassembled: (the serial version of this voltmeter has good gold-plated pins and sockets)

    Section of a circuit board with electronic components and loose metal contacts

    Dividers: The voltmeter contains 4 transistor dividers. These dividers are not prototypes, they have been manufactured by Rochar before for fuel flow meters and later for frequency meters, so there is no mess with cut paths. The only thing that has been added are the leads for the automatic range switching signal (additional diodes).
    Counting from the input side of the 200 kHz signal, the first divider divides by 5, the next two by 10 and the last by 6. So the largest displayed value can be 5998 (the last digit of the result can only be even). Apparently Charbonnier decided that the accuracy of the A.1335 measurement was so low that it was not worth fitting a full decade (transistors were very expensive in those years, especially the 'high voltage' ones at 60V).

    Five vintage circuit modules from the 1960s with matching schematics labeled below

    Startup - voltmeter not working!

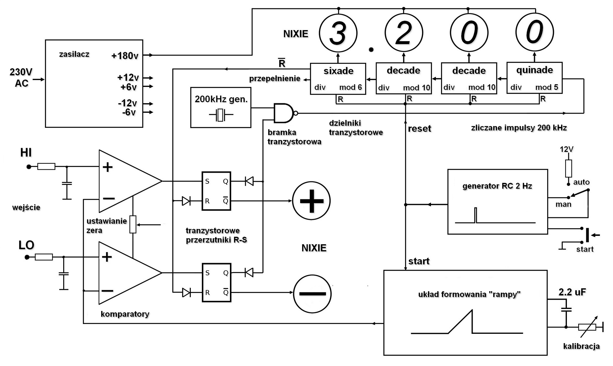
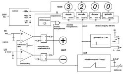
    Random digits are displayed, the instrument does not measure voltage. To fix this monument let's look at the principle of its operation: This voltmeter has no integrator (the Solartron LM1420 already had an integrator). The A.1335 has a pulse-timing circuit. Simplified block diagram with range change automation omitted:

    Block diagram of Rochar A.1335 digital voltmeter using NIXIE tube displays.

    Operating principle:

    Ramp-based voltage measurement diagram for the Rochar A.1335 digital voltmeter

    The measuring system can be triggered manually with a push button (one measurement) or automatically from a 2 Hz generator. Immediately after triggering, the counters are reset and the flip-flop opens the gate and pulses from the 200 kHz quartz generator are applied to the counters, which count them by flashing for a while (no latch). At the same time, the 'ramp' formation circuit is activated, which feeds a linearly rising voltage to the comparator depending on the time constant of the RC circuit with a 2.2 uF capacitor. When the "ramp" voltage exceeds the measured voltage, the comparator switches the flip-flop, which closes the gate and the displays show the measured result. Another cycle can be started by pressing a button, or the automaton will repeat the measurement every half second. Seemingly simple, but building this without digital integrated circuits, on old germanium transistors is a masterpiece.

    There is so much theory, but in practice:

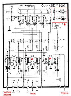
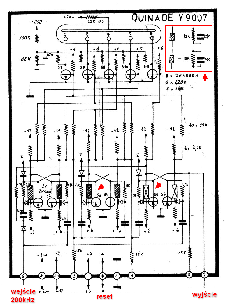
    The 200 kHz quartz generator works, the gate opens, but the first quinada does not count correctly! (quinada is a word invented by Charbonnier, he liked to create his own words to name his circuits, sometimes he also created his own symbols). Let's look at the schematic of this divider: Three flip-flops configured to divide by 5 and a simple driver on 5 transistors.

    Circuit diagram of QUINADE Y9007 pulse divider with component labels

    What's broken: a faulty (open) diode at the collector of transistor S1 prevents the reset signal from being applied! Replacement of the diode and it is OK.

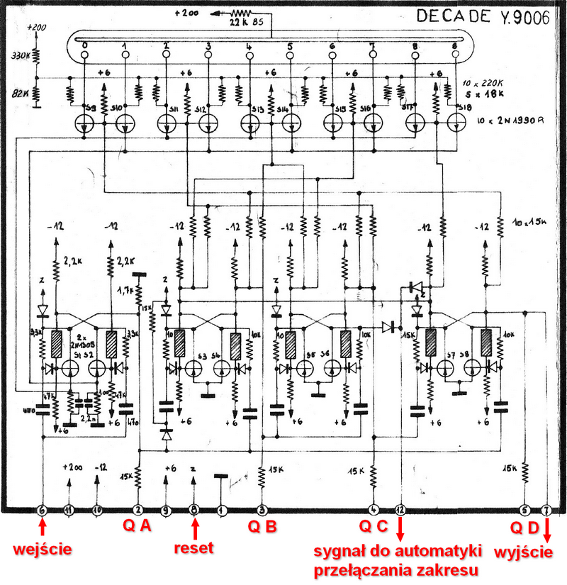
    But not quite, the second module, the decade, is also broken. This module contains 4 flip-flops. The first one divides by 2, the next three are configured to divide by 5. Just like the well-known 7490 counter. The first flip-flop has another function: by alternating the polarity of the emitters, it controls a transistor decoder displaying alternating even and odd digits, thus correctly selecting one of the 10 digits (the quinada does not have this decoder, the emitters of the transistors controlling the NIXIE tubes are shorted to ground).

    Diagram of Y.9006 decade counter with labels for inputs, outputs, and control signals

    The diode feeding the signal to the range automation control was faulty, it was shorted and the decade display was wrong and dividing incorrectly. After replacing the diode the meter started up correctly, the voltmeter displayed a stable result!

    Interesting fact: some mass-produced copies of the A.1335 had outputs to the printer in BCD code. The version I have repaired does not have such an output, although the decks have pins in BCD code, which can be used to control, for example, the CD4056 decoder and modern 7-seg displays.

    Unfortunately, the voltmeter repaired in this way only worked on one range. The other ranges did not work, so I had to deal with the range-switching circuitry. The A1335 ranges can be switched manually, or the automatic can be switched on. The automatic did not work, manual switching only activated one range. In addition, the equipment measured badly, although the result was stable.

    Here is the range switch board with a description of the control elements: (the white connector visible in the photo is not original, I inserted it for ease of board removal)

    Calibration board of Rochar A.1335 voltmeter with labeled potentiometers and electronic parts

    and this is the automation board:

    Electronic circuit board with 2N1305 transistors and dense wiring

    I checked the components on the boards, they were OK. However, there are 4 large reed relays between the boards (not visible in the photo). The reed switch in one of them was broken:

    Broken glass reed relay lying on woven fabric background

    In addition, the rotary switches, which nobody had used for more than 30 years, needed cleaning.

    Close-up of a vintage rotary switch with soldered wire terminals

    After replacing the reed switch and cleaning the switches, the voltmeter started up on all ranges, but the readings were not correct. On the underside of the unit there is a voltage reference - a 6.2V reference diode (small black element) and resistors, including two precision resistors. A couple of resistors were faulty, fortunately the precision 1200 Ω and 4 kΩ resistors are OK. I replaced the resistors with Polish RMGs. I still had to glue the calibration voltage setting potentiometer visible in the photo, because the lid fell off.

    Inside of Rochar A.1335 voltmeter showing transformer and hand-soldered components

    Commissioning for the second time:

    The device is working properly, it even managed to calibrate it. Automatic range switching also works.

    All that remains is the refurbishment of the housing. Cleaning of rust, painting, pasting of plexi etc. It was very difficult to keep the original colour, custom mixed paint. But I will not describe it here.

    Three parts of Rochar A.1335 voltmeter: internal module, casing, and front panel

    Measurements:

    DC voltage measurement in the video below. As you can see it's not too bad, equipment that is over 60 years old measures correctly, better than many of today's cheap microprocessor multimeters.

    And the alternating voltage? Here it is no longer simple, nor so beautiful. Where to get an AC voltage standard from? I don't have an AC calibrator, the HP3325A broke down (when I fix it, I'll make another measurement), so I used an Adret 2230A generator, which used to be used to test telephone lines. This generator was once even calibrated, so maybe it won't be too bad. I loaded the 75 Ω output with two 150 Ω resistors connected in parallel. For voltage monitoring, I attached a Solartron 7140 voltmeter.
    The Rochar A.1335 measures reasonably correctly up to 10 kHz. Measurement on the second video, 4 signal levels: +12dBm, +10dBm, 0dBm, -10dBm for frequencies 100Hz, 1kHz, 10kHz, 100kHz. Admittedly, above 10kHz the result is inaccurate, but for a vintage design it is fine. Another monument saved!

    Regards, M.S.

    PS. this is what the creator of this device looked like:

    https://adret-electronique.fr/roger_charbonnier/roger_charbonnier.html

    He designed all his constructions himself, without the use of a computer, on a piece of paper, thanks to the genius of his mind. I have only saved one of his first ideas from oblivion. Today are different times, electronics have changed. In an age of widespread microprocessors, transistor dividers may be laughable, but such were the beginnings, and I think it is worth preserving for posterity a history that will never return.




    Attachments:
    • Rochar_A1335_AC.mp4 (13.82 MB) You must be logged in to download this attachment.
    • Rochar_A1335_DC.mp4 (3.2 MB) You must be logged in to download this attachment.
    • Renovation of the historic Rochar A.1335 digital voltmeter Rochar_A1335_schemat_1965.png (12.09 MB) You must be logged in to download this attachment.

    Cool? Ranking DIY
    About Author
    sq2aki
    Level 12  
    Offline 
    sq2aki wrote 31 posts with rating 162. Live in city Bydgoszcz. Been with us since 2008 year.
  • ADVERTISEMENT
  • #2 21759403
    bulek01
    Level 17  
    Posts: 336
    Help: 12
    Rate: 293
    Wow nice voltmeter and nice description. I'm always fascinated by devices made without ICs on transistors alone. I haven't come across the voltmeter yet, so thanks for presenting it.
  • #3 21759420
    Krzysztof Kamienski
    Level 43  
    Posts: 21874
    Help: 2030
    Rate: 5128
    Solartons operated at the Warsaw University of Technology until the 1990s.
    A beautiful instrument and a beautiful owner in the first photo. All in all, bravo! Perhaps someone from the Old Engineering Guard can recall which of the first Polish digital voltmeters had a Weston cell as a reference voltage source?
  • ADVERTISEMENT
  • #4 21759436
    rafi8112
    Level 13  
    Posts: 199
    Rate: 190
    Many congratulations! I really like the idea of refurbishing old appliances, giving them new life. I love this kind of atmosphere.
  • #5 21759789
    Olkus
    Level 32  
    Posts: 3910
    Help: 132
    Rate: 910
    Congratulations on your restoration. You can see the enormous amount of work you have put in.

    Regards,
    A.
  • #6 21759928
    predom
    Level 26  
    Posts: 1099
    Help: 84
    Rate: 64
    Sensational work, I'm really impressed with both the end result and the knowledge to understand how the instrument works and to diagnose and fix all the faults. It's good that such a unique gauge ended up in the hands of someone who gave it a second life, rather than someone who would treat it as a source of nixie tubes for their next watch....

    As for the original lamps - they may be salvageable. "Burning out" of the digits is probably what is known as cathode poisoning, often found in displays that showed certain digits much more often than others. A layer of material vaporised from the more frequently used ones is then deposited on the less frequently used ones, which disrupts the current flow on the 'soiled' cathode and is visible as dark spots or non-luminous segments. This condition can in many cases be reversed by feeding the lamp through a power supply with a regulated output voltage and selecting the voltage in such a way that the poisoned parts of the digit (or at least as many of them as possible) begin to glow; at the same time, the digit current should not exceed about three times the rated current. After a few hours or so of such "chewing", the dark fragments should begin to glow, then the procedure is repeated for the next digit, and so on. I managed to save a few LC-531s and IN-12s this way, perhaps my colleague's tubes would also react well to such a "treatment".
  • ADVERTISEMENT
  • #7 21760170
    acctr
    Level 39  
    Posts: 4505
    Help: 387
    Rate: 1988
    The meter was lucky because it ended up in good hands and now as a whole it looks great.
    The electronics from a different era, as you can see from the schematic and the transistor symbols. The principle of operation, however, is reminiscent of the famous ICL7106/7 circuits, for which this method of measurement may have been the original.
    Helpful post? Buy me a coffee.
  • #8 21760455
    kris8888
    Level 40  
    Posts: 6727
    Help: 526
    Rate: 1851
    acctr wrote:
    The principle of operation, on the other hand, is reminiscent of the famous ICL7106/7 circuits, for which this method of measurement may have been the prototype.

    Well, rather not, because the ICL7106/7 is an A/D converter with double integration and here we have only a simple converter counting pulses from a reference generator, in time proportional to the value of the measured voltage. A completely different conversion principle, different parameters and functional blocks determine the measurement accuracy.
  • #9 21760605
    sq2aki
    Level 12  
    Posts: 31
    Rate: 162
    predom wrote:
    maybe they can be salvaged.

    Actually, in one lamp the odd digits are "poisoned" - this lamp was working in a quinade that only displayed the even digits. When I find time, I'll try to carry out an activation of these digits, maybe the original Burroughs will still light up.

    Personally, I think that putting NIXIEs in watches is a waste of vintage lamps, while activating the practice of destroying vintage devices. Some time ago I took in such a frequency meter:

    PFL-30 C frequency counter with red LED display and control switches on front panel

    It had a cut cable, a ripped out transformer that probably went for scrap and a cut out board with NIXIE tubes that ended up on a well-known auction site and the rest in the trash. I put in 3 x 74HC390s, 5 x CD4056s and contemporary large displays. I even added a 10MHz OCXO. It works and looks beautiful, although it is no longer an original vintage.

    The NIXIE tube craze continues in earnest, in April a friend sent me two beautiful voltmeters for restoration. Magnificent 1960s devices made by Racal Dana, with integrators, displays on NIXIE tubes. Both devices were stolen and destroyed while still in France, as they contained the aforementioned tubes. And all I have left are the photos from before the shipment...


    acctr wrote:
    it resembles the famous ICL7106/7
    The ICL7106 operates on a different principle - double integration. In the RocharA.1335 voltmeter, the input voltage is compared with the voltage from the ramp generator (this is a timed circuit, less accurate), while in the ICL7106 the measured voltage is applied to the integrator and integrated over a fixed period of time, measured by the control circuit (during this time the integrator capacitor is charged in proportion to the measured voltage). After this period, a voltage of reverse polarity from the reference voltage standard is applied to the integrator input and a second integration (capacitor discharge) takes place. During the discharge of the capacitor, pulses are counted which, after discharge, will be stored in the latch and displayed as the result. A higher input voltage will build up more charge in the integrator capacitor, so the discharge time will be longer and more pulses will be counted. This is very abbreviated, but this is how most modern digital voltmeters work.

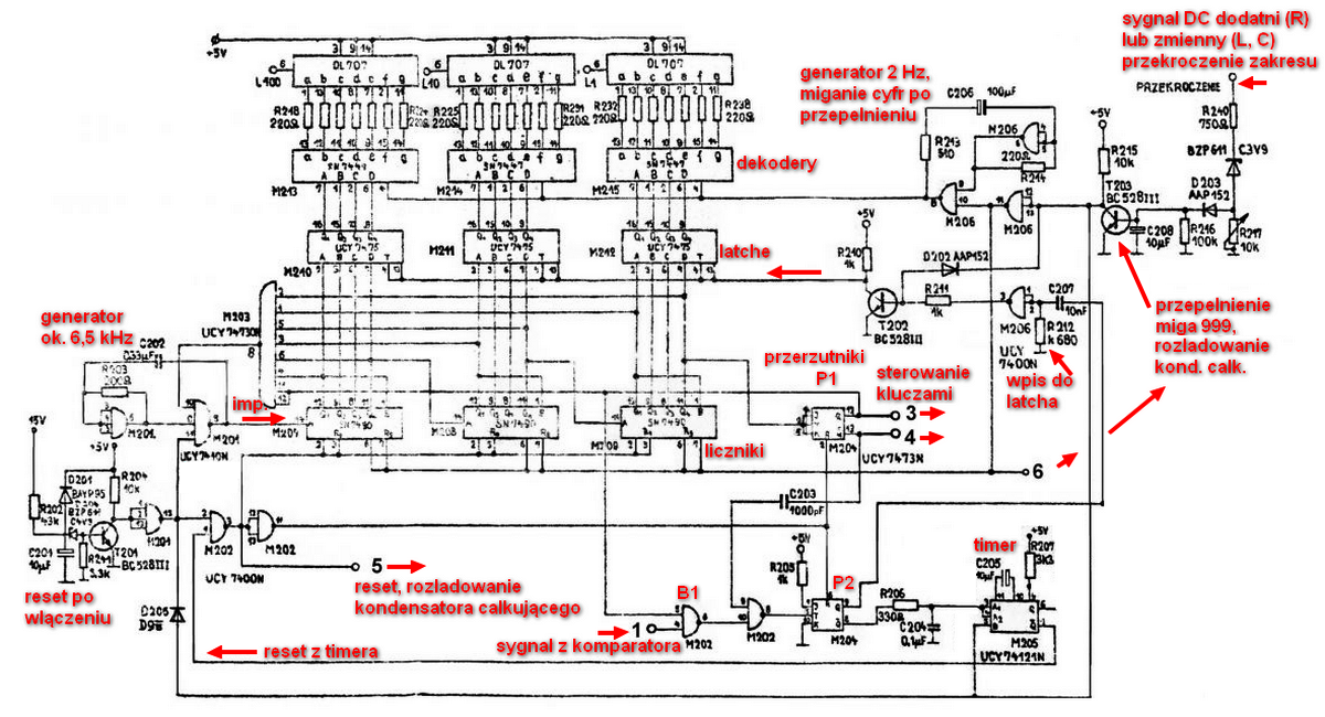
    Analysing the ICL7106 you won't notice this because it's a ready-made 'cube'. To understand double integration I recommend looking at the simple voltmeter that is built into the Meratronik E317. (schematics below)

    Circuit diagram of integrator and comparator with labeled measurement stages.

    Schematic diagram of integrating digital voltmeter with labeled sections and functions.

    A negative reference voltage is applied to the Uo input, a positive measured signal is applied to the Ux input. These signals are switched by a timing circuit using keys on J-FET transistors and integrated in an integrator made up of an operational amplifier uA741, a 470 kΩ resistor and a 470 nF capacitor. The signal from the integrator is compared by the comparator uA710 with the 'zero' determined by a potentiometer and applied to gate B1.

    Let's follow the measurement cycle: after start-up, a reset is performed (C201, R202), the integrator capacitor is discharged by T306, the Q outputs of both metering switches P1 and P2 are low, gate B1 blocks the signal from the comparator. The non-Q output of the P1 flip-flop is in high state and opens the T303 key feeding the measured voltage Ux to the integrator. The 7490 counters count the pulses from the generator timing the charge, the integrator capacitor charges. When the number of pulses exceeds 999, the flip-flop P1 will change state and switch keys by applying a negative voltage from the reference to the integrator, and at the same time open gate B1 for the signal from the uA710 comparator. From this point, the capacitor discharges and the counters count the pulses from the generator again until the reference voltage discharges the capacitor. When the voltage at the output of the integrator drops below the "zero" set by potentiometer R316, the comparator gives a signal through the open gate B1 and triggers the flip-flop P2, which causes the state of counters 7490 to be written to latch 7475 and the result to be displayed via decoders 7447. A moment later (R206, C204) a timer is triggered which resets the circuit and, after the time set by R207, C205 has elapsed, another measurement cycle will begin. There is also an 8-input gate 7430 that will stop the generator if the counters exceed 999 due to too high a charge in the capacitor, accumulated when the input voltage Ux exceeds the reference voltage.

    That's it in a nutshell. If anyone wants to play with an integrating voltmeter and understand the principle of its operation, I recommend trying this circuit. I recently converted this circuit to CMOS for fun and added "half digits", it works perfectly, description at the link:

    https://www.elektroda.pl/rtvforum/topic4152530.html#21747198 .

    If I get a case, I will have an interesting version of the E317.

    Regards, M.S.
  • #10 21760860
    kris8888
    Level 40  
    Posts: 6727
    Help: 526
    Rate: 1851
    It is fascinating that in such an old voltmeter an automatic range change was thought of and cleverly designed. Admittedly, I can't quite work out how it works, a bit because of the unusual markings on the schematic, but it seems to have been solved quite simply. In any case, respect is due to the designers.

    I don't think we have ever seen such functionality in our Polish digital multimeters.

    Yesterday I slightly "improved" my V560, replaced in it the Polish ULY7741 in the preamplifier and integrator with decent OP27G Analog Devices, recalibrated the digital and analogue parts. The reference voltage source had already been changed by someone before me for the better, but that was not yet the key to full success. Now I am even surprised by the accuracy and linearity of the measurement of this V560.
  • #11 21761097
    acctr
    Level 39  
    Posts: 4505
    Help: 387
    Rate: 1988
    kris8888 wrote:
    Well, rather not, because the ICL7106/7 is an A/D converter with double integration and here we have just a simple converter counting pulses from a reference generator, in time proportional to the measured voltage.

    I can see the similarity there - in both cases the displays are controlled by a counter, which de facto presents time in some function of voltage, and in both cases there are two HI/LO measurement inputs. Solutions determined by the electronic possibilities of the time.
    Helpful post? Buy me a coffee.
  • #12 21761267
    OTLamp
    Tube devices specialist
    Posts: 2329
    Help: 332
    Rate: 501
    sq2aki wrote:

    The first digital voltmeter was developed by Andrew Kay in the USA in 1952, on high-speed relays.

    But not on relays alone. There were also some electron tubes. It was a compensating voltmeter, the easiest to make at the time and the cheapest. For that it was fully automatic, it had basically just a switch and input terminals. Kay was working at Non Linear Systems (NLS) at the time. Telecommunication selectors also began to be used in the mid-1950s. It is interesting to note that in the late 1950s, when it was already known that electromechanical decoders were a dead end, NLS continued to develop this. The highest models had 6 digits and the selectors housed in airtight oil cells for reduced wear and better acoustic damping.

    Here you can see the NLS voltmeter on relays: https://www.youtube.com/watch?v=xFic_Fn5ujM
    And here on the selectors: https://www.youtube.com/watch?v=OIATKbSkYxw
    sq2aki wrote:

    It had an interesting display: transparent panes with engraved digits illuminated at the edge by a bulb. There was one digit on each pane, 11 panes and bulbs for each digit, including the comma.

    This is a fibre optic display, an edge lit display. You can even make one yourself. There were also several Polish meters with such displays.


    sq2aki wrote:

    HP introduced the first transistorised digital voltmeter with NIXIE tubes in 1959.

    More likely around 1961, but it was not fully transistorised (it had a tube operational amplifier at the input). By contrast, HP's first digital voltmeter was tube-based (405AR, 1958), but was essentially fully electronic (it had a single selector for automatic range change).

    Added after 10 [minutes]:

    Krzysztof Kamienski wrote:
    Solartons worked at the Polytechnic Maybe someone from the Old Engineering Guard can recall which of the first Polish digital voltmeters had a Weston cell as a reference voltage source?


    More likely none... Weston cells were not suitable as a reference voltage source. Before Zener diodes were invented (digital voltmeters were introduced earlier than Zener diodes), mercury batteries were used. And Weston cells were fitted to voltmeters for calibration and adjustment each time. The Polish Elpo V523, V524, V527 and V529 compensating voltmeters and the V552 pulse-timing voltmeter had them.

    Added after 5 [minutes]:

    kris8888 wrote:
    Fascinating that an automatic range change was thought of in such an old voltmeter

    This was even the norm in the first voltmeters.
    kris8888 wrote:

    In our Polish digital multimeters we probably never lived to see such functionality.

    We did live to see it, e.g. Cemi produced such a simple 3.5 digital AMS3. And Meratronik produced the V542, V545, V553, V563
  • ADVERTISEMENT
  • #13 21761308
    kris8888
    Level 40  
    Posts: 6727
    Help: 526
    Rate: 1851
    OTLamp wrote:
    We have lived to see, e.g. Cemi produced such a simple 3.5 digit AMS3. And Meratronik produced the V542, V545, V553, V563

    And indeed. I didn't even know there were that many.

    I guess that in addition to vintage receivers you must have started collecting old measuring equipment....
  • #14 21761319
    OTLamp
    Tube devices specialist
    Posts: 2329
    Help: 332
    Rate: 501
    kris8888 wrote:

    I'm guessing that in addition to vintage receivers you must have started collecting old measuring equipment...

    In fact, for about a dozen years now. But only digital and as old as possible. Unfortunately those from the 1950s are both very rare and very expensive. When some NLS comes out once every few years, you have to shell out a minimum of 500 bucks. That's why I only have 2 in my collection for now :(

    For that, the title one is probably the first one I've ever seen that displays half of the possible meter readings.
  • #15 21761372
    sq2aki
    Level 12  
    Posts: 31
    Rate: 162
    OTLamp wrote:
    It is interesting to note that in the late 1950s, when it was already known that electromechanical decoders were a dead end, NLS continued to develop this.

    Can such a hermetic electromechanical selector even be repaired?
    Disassembled Bristol Microverter electromechanical switch on wooden surface
    It works, or rather it worked in a Marconi TF2603 voltmeter. It was switching the signal from an HF probe fed to a chopper type amplifier at 80 Hz. Catalogued it had a minimum of 1,000 h of operation, but it seems to have worn out by now and needs to be replaced with something. Commonly available relays (even reed relays) don't work, the voltmeter measures wrong.
    If it can't be fixed, I'll try replacing it with J-FET transistors.
  • #16 21761374
    Krzysztof Kamienski
    Level 43  
    Posts: 21874
    Help: 2030
    Rate: 5128
    @sq2aki It's not so much a selector as a vibrator. There used to be such instead of transistor keys in power supplies for mobile tube devices e.g. car receivers or military radios.
  • #17 21761393
    OTLamp
    Tube devices specialist
    Posts: 2329
    Help: 332
    Rate: 501
    sq2aki wrote:
    Can such an airtight electromechanical selector be repaired at all?

    This is not a selector. You have the selector in one of the videos above. It takes the form of a rotary switch with a ratchet mechanism driven by an electromagnet.
    Your component, on the other hand, is a chopper, and it is from this component that the name "chopper amplifier" is taken for a shorter term for amplifiers with processing. I don't know to what extent it is possible to repair these components, I have never taken them apart. However, this is not an ordinary car converter vibrator. Choppers are designed specifically for switching very small signals, where even thermoelectric voltages can make a difference. The contacts are therefore not made of the finest materials, they are rated for millions of switching operations, the switching current is unimportant, but the "quality" of the contact is of paramount importance, and the entire component is appropriately shielded. However, they can be found on various portals for a few to several dollars/euro. A substitute can be selected.
  • #18 21761409
    Krzysztof Kamienski
    Level 43  
    Posts: 21874
    Help: 2030
    Rate: 5128
    @OTLamp Old pehammeters, ionisation chambers radiation detectors etc.
  • #19 21761410
    kris8888
    Level 40  
    Posts: 6727
    Help: 526
    Rate: 1851
    sq2aki wrote:
    If it can't be fixed, I'll try replacing it with J-FET transistors...

    It might be better with some suitably sized optocoupler?
  • #20 21761412
    Krzysztof Kamienski
    Level 43  
    Posts: 21874
    Help: 2030
    Rate: 5128
    @kris8888 Namesake, first find out what is e.g. an electrometric amplifier with DC/AC processing" , what it is characterised by and then propose solutions.
  • #22 21761636
    sq2aki
    Level 12  
    Posts: 31
    Rate: 162
    OTLamp wrote:
    You can select some kind of replacement.

    I have found a solution, or rather the Marconi company has solved the problem of the lack of mechanical choppers. In the 1984 service manual there is this addition:

    Renovation of the historic Rochar A.1335 digital voltmeter

    Chopper on J-FET transistors controlled by a driver on a CD4011 inserted instead of a mechanical "syncroverter". Need to try this solution and revive the old voltmeter when there is some spare time...

    Regards, M.S.
  • #23 21761693
    kris8888
    Level 40  
    Posts: 6727
    Help: 526
    Rate: 1851
    J-FET transistors can have a significant gate-to-source leakage current, which can make a difference when switching and measuring such low voltages. They should therefore be very carefully selected for minimal IGSS.

    Hence my suggestion, and not only my suggestion as there are such chopper amplifier solutions, to use suitably controlled photodiodes or phototransistors (optocouplers) as switching elements.
  • #24 21761742
    sq2aki
    Level 12  
    Posts: 31
    Rate: 162
    kris8888 wrote:
    meaning gate-to-source leakage current

    Of course it matters, but rather in picoamperes. E.g. selecting an FET for a Keithley 614 is not easy. And the Marconi voltmeter measures very small voltages, the lowest range is 1 mV, so a photodiode or phototransistor in the optocoupler is out, at most photo resistors. I have seen such a chopper with photo resistors illuminated by neon tubes fed from different halves of a 50 Hz sine wave. However, I will initially try the circuit published by Marconi with matched J112 type FETs that are adapted to the choppers (I don't have the original 2N4416).
  • #25 21764145
    sq2aki
    Level 12  
    Posts: 31
    Rate: 162
    I have repaired the HP3325A, although not all the amplitude values are available to me. I still need to replace the large latching relay in the attenuator (yellow) to make it OK:

    Electronic module with yellow relays, transformers, and signal wires

    Therefore, only selected voltage values are shown on the measurement. As can be seen in the video Rochar A.1335 not a True RMS voltmeter, with a set amplitude of 2 Vpp the readings are only correct for a sinusoidal signal.





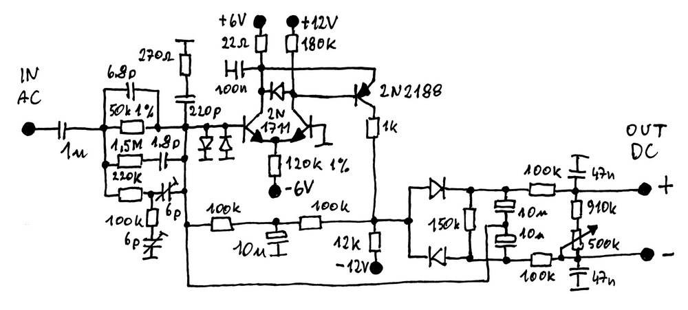
    This voltmeter has a very simple AC/DC converter:

    Hand-drawn AC/DC converter schematic with 2N2188 transistor and diodes

    The circuit works reasonably well up to 50 kHz. And this is data from the Rochar catalogue:

    Catalog page of Rochar A.1335 voltmeter with specifications in French and English

    The catalogue data for the DC range is correct, but for AC a little inaccurate. For 200 kHz we have a result overestimated by more than 2%, while in the catalogue it is only 1%. However, it must be remembered that this device is more than 60 years old and still works....
  • #26 21769819
    szeryf3
    Level 30  
    Posts: 2046
    Help: 12
    Rate: 671
    @sq2aki respect for doing a good job.
  • #27 21779796
    koko0
    Level 18  
    Posts: 266
    Help: 13
    Rate: 68
    kris8888 wrote:
    It is fascinating that in such an old voltmeter an automatic range change was thought of and cleverly designed. Admittedly, I can't quite work out how it works, a bit because of the unusual markings on the schematic, but it seems to have been solved quite simply. In any case, respect is due to the designers.

    I don't think we have ever seen such functionality in our Polish digital multimeters.

    Yesterday I slightly "improved" my V560, replaced in it the Polish ULY7741 in the preamplifier and integrator with decent OP27G Analog Devices, recalibrated the digital and analogue parts. The reference voltage source had already been changed by someone before me for the better, but that was not yet the key to full success. Now I am even surprised by the accuracy and linearity of the measurement of this V560.


    And how did someone realise this reference voltage source?
  • #28 21780024
    kris8888
    Level 40  
    Posts: 6727
    Help: 526
    Rate: 1851
    koko0 wrote:
    And how did someone realise this reference voltage source?

    He inserted a temperature compensated Zener, probably 1N938.
    On a multimeter, with a simple diode test, it doesn't conduct in either direction, hence my guess.
  • #29 21780643
    koko0
    Level 18  
    Posts: 266
    Help: 13
    Rate: 68
    Well, to be honest, he didn't go crazy, because the D818E fitted there from the factory has quite good parameters. I thought he put in something better.....
  • #30 21780828
    kris8888
    Level 40  
    Posts: 6727
    Help: 526
    Rate: 1851
    Maybe it got damaged and there was no other alternative. But whether this D818E is that sensational is doubtful.

    I still have some board voltmeter with the D818E diode and it takes a few minutes to stabilise its readings. Perhaps this is compounded by the temperature drift of the ULY7741 operational amplifiers in the preamplifier and integrator.
📢 Listen (AI):

FAQ

TL;DR: Restoring a Rochar A.1335 (max display 5998) means taming a 200 kHz pulse‑timing DVM; “equipment that is over 60 years old measures correctly.” [Elektroda, sq2aki, post #21759194]

Why it matters: This FAQ helps vintage‑test‑gear fans diagnose, calibrate, and sympathetically upgrade early European digital voltmeters without erasing their history.

Quick Facts

What makes the Rochar A.1335 historically interesting?

It is among Europe’s earliest digital voltmeters. A prototype existed in 1962; the catalog model followed in 1964. It uses a pulse‑timing method and early NIXIE display drivers built from germanium transistors. The restored unit was a prototype without a serial number. [Elektroda, sq2aki, post #21759194]

How does the A.1335 actually measure voltage?

It counts 200 kHz clock pulses while a linear ramp climbs until it exceeds the input voltage. A comparator stops the gate, and the counters show the result. There is no integrator or latch; displays flash during counting. "Seemingly simple…a masterpiece" without ICs. [Elektroda, sq2aki, post #21759194]

Why does the display top out at 5998 and why are last digits even?

The chain is /5, /10, /10, /6. That makes the top reading 5998, and the final division by two yields only even least‑significant digits. Charbonnier optimized parts count when high‑voltage transistors were expensive. [Elektroda, sq2aki, post #21759194]

Is the A.1335 a True RMS voltmeter?

No. With a 2 Vpp setting, it reads correctly only for sine waves. Its AC front‑end is a simple converter. Measured performance is reasonable to ~50 kHz but shape‑dependent, so non‑sine waveforms read off. [Elektroda, sq2aki, post #21764145]

What are common power and NIXIE supply pitfalls?

Electrolytics dry out and wiring insulation cracks. Add a resistor and Zener to hold NIXIE supply near 180 V, since the 2N1990 drivers are rated Uce 60 V. Overvoltage can leave inactive digits faintly lit. [Elektroda, sq2aki, post #21759194]

How should I power up a vintage DVM safely?

Never plug straight into mains. First isolate and test the transformer for shorts and insulation. Use an autotransformer to reduce 240 V to ~220 V. High mains can overheat series supplies or saturate the transformer and blow fuses. [Elektroda, sq2aki, post #21759194]

The display shows random digits. Where do I start?

Check the first divider (quinada). A single open diode on the S1 collector blocked reset. In the next decade module, a shorted diode upset division and display. Replacing the diodes restored stable counting. [Elektroda, sq2aki, post #21759194]

How does auto range switching work, and what fails?

Range logic drives reed relays and rotary contacts between switch and automation boards. A broken reed capsule and oxidized rotary wafers prevented ranges from engaging. Replacing the reed and cleaning contacts restored all ranges. [Elektroda, sq2aki, post #21759194]

What is “quinada” in this context?

It is Charbonnier’s coined term for a divide‑by‑five stage built from three flip‑flops and a transistor driver. In the A.1335 the first stage is a quinada feeding downstream decades. [Elektroda, sq2aki, post #21759194]

Can I rejuvenate NIXIE tubes with missing segments?

Yes, if the issue is cathode poisoning. Raise voltage so dark portions just light, and limit current to about three times rated. "Chew" each digit for hours until emission returns, repeating across digits. This saved LC‑531 and IN‑12 tubes. [Elektroda, predom, post #21759928]

What is a chopper amplifier in older meters?

A chopper periodically switches tiny DC signals, converting them for stable amplification while minimizing offset and drift. Specialized contact materials and shielding matter more than current rating. It differs from car vibrators. [Elektroda, OTLamp, post #21761393]

My Marconi mechanical chopper is worn out. Is there a solid‑state retrofit?

Yes. Marconi’s 1984 service addendum shows a J‑FET chopper driven by a CD4011 module that substitutes the mechanical syncroverter. Matched J‑FETs like J112 are recommended for low‑level ranges. [Elektroda, sq2aki, post #21761636]

Did early DVMs auto‑range, and did Polish meters have it?

Yes. Auto‑range was common in first‑generation DVMs. Polish examples include CEMI’s AMS3 and Meratronik models V542, V545, V553, and V563. [Elektroda, OTLamp, post #21761267]

Were Weston cells used as the reference inside early digital voltmeters?

No. Weston cells served calibration and adjustment, not as internal references. Polish Elpo V523/V524/V527/V529 compensating meters and the V552 had cells for that purpose. [Elektroda, OTLamp, post #21761267]

How accurate is AC at high frequency on the A.1335?

Catalog AC specs are optimistic at the top end. At 200 kHz, measured error exceeded 2% versus a 1% catalog claim. The simple converter limits true high‑frequency accuracy. [Elektroda, sq2aki, post #21764145]

How do I perform a safe first power‑on and basic stabilization tweak?

  1. Test transformer off‑circuit, then recap and rewire per the 1960s schematic.
  2. Bring up on an autotransformer, monitoring rails and NIXIE supply.
  3. Add a series resistor and Zener to hold NIXIE supply near 180 V, then calibrate. [Elektroda, sq2aki, post #21759194]
Generated by the language model.
ADVERTISEMENT