logo elektroda
logo elektroda
X
logo elektroda

NE555 astable - flashing LED with potentiometer for frequency adjustment

banaszkieeewicz 2373 14

TL;DR

  • Builds a simple NE555 astable circuit that makes an LED flash at an adjustable rate.
  • The 555 charges capacitor C1 through R1 until about 2/3 of the supply, then discharges through R2 until 1/3, creating rectangular pulses.
  • Parts list includes NE555, resistors R1 and R2, capacitor C1, LED D1, potentiometer P1, and a 9V battery.
  • The LED turns on during the high output state and off during discharge, repeating continuously as the frequency is adjusted.
Generated by the language model.
ADVERTISEMENT
Treść została przetłumaczona polish » english Zobacz oryginalną wersję tematu
📢 Listen (AI):
  • The NE555 astable circuit - how to make a flashing LED

    The NE555 chip is one of the most popular and widely used integrated circuits in electronics. Due to its simplicity, versatility and low cost, it is used in many projects such as pulse generators, clocks, timers and flashing LEDs. In this article, I will present a simple circuit with the NE555 chip that makes an LED flash at a set time.

    What is the NE555 circuit?

    The NE555 is an integrated circuit that can operate in three different modes: astable, monostable and bistable. In astable mode, it acts as a pulse generator, producing alternating high and low states. It is an astable circuit because it has no stable state and its operation is continuous.
    It is an ideal circuit for applications that require pulse generation, such as flashing LEDs, clock signals, and the generation of PWM (pulse width modulation) signals.

    Circuit design with the NE555 circuit
    Breadboard with NE555-based flashing LED circuit in astable mode
    To create a circuit that generates a flashing LED, we will use the NE555 chip in astable mode. Here is the list of components needed to build the circuit:

    Components:
    - NE555 integrated circuit - the main component of the circuit that will generate the pulses
    - resistors (R1, R2) - resistors that, together with the capacitor, determine the frequency of the generated pulses
    - capacitor (C1) - capacitor that works with the resistors to set the pulse duration
    - LED (D1) - a diode that will flash in response to the generated pulses
    - potentiometer (P1) - adjusts the frequency of the LED flashes
    - power source (e.g. 9V battery) - provides power to the circuit. (I used the power supply I presented in the previous article)


    How does the circuit work?



    The NE555 chip in astable mode acts as a continuous pulse generator. This works as follows:
    Capacitor charging - The capacitor (C1) charges through the resistor (R1) until it reaches a voltage of about 2/3 of the supply. At this point, the output (pin 3) of the circuit is in a high state and the LED lights up.
    Capacitor discharge - when the voltage reaches 2/3 of the supply, the NE555 circuit starts to discharge the capacitor through resistor (R2). When the capacitor discharges to a voltage of 1/3 of the supply, the circuit output switches to a low state and the LED goes off.
    Repeat cycle - the process of charging and discharging the capacitor repeats, resulting in the generation of rectangular pulses. The LED flashes in response to these pulses.

    Summary

    The NE555 astable circuit is a simple but very versatile circuit that can be used in many electronics projects. Its use for a flashing LED is just one of many possible applications. Thanks to the easy frequency adjustment, we can tailor the circuit's operation to our needs. This is an ideal project for beginners as well as more advanced electronics enthusiasts.

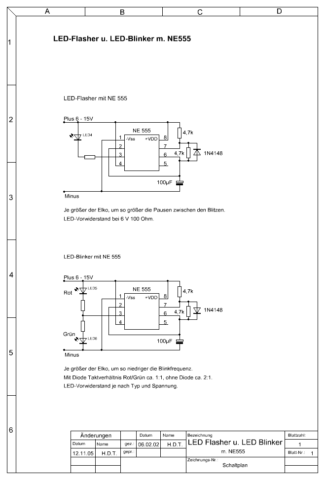
    Here I add a diagram from another article, but the construction is similar for each circuit.

    Schematic of two LED blinking circuits using the NE555 timer IC

    Cool? Ranking DIY
    About Author
    banaszkieeewicz
    Level 2  
    Offline 
    banaszkieeewicz wrote 8 posts with rating 15. Been with us since 2025 year.
  • ADVERTISEMENT
  • #2 21776817
    gulson
    System Administrator
    Thanks, that's what I started with in the 90s, which was the NE555, I think there was a DIY kit from Jabel or Nord at the time.
    I assembled it, it worked and I made modifications. That's how I learned this wonderful NE555 timer.
  • #4 21776945
    _ACeK_
    Level 14  
    :smile: Ben Eater has developed a type of clock for electronic circuits :idea: in the lead role 555 in three different working arrangements 🛠️ exact description is on YT in four parts 🎥



    😇 Based on his layout I made my version 😛

    Two green electronic modules with buttons, pin headers and LEDs
    Two PCBs with integrated circuits and visible soldered traces.
  • #5 21776981
    andrzejlisek
    Level 31  
    A bit like the Volkswagen Type 1, the Volkswagen Käfer, the Volkswagen Beetle (different names for the same model) was the longest-produced car in the world, so arguably the 555 is the longest-produced IC in almost unchanged form.
  • ADVERTISEMENT
  • ADVERTISEMENT
  • #7 21778156
    banaszkieeewicz
    Level 2  
    >>21776876 in truth I'm impressed with how many circuits you can build on this, this circuit has it, it's easy to use and you can get it literally anywhere.

    Added after 3 [minutes]:

    >>21776817 I envy that you experienced the times where this circuit was one of a kind, without some invention and newer technology, I myself now try to get some cool circuits to solder myself e.g. just with the ne555 timer because I like to do it, more so when I understand how the circuit works and how I can modify it.
  • #8 21778169
    gulson
    System Administrator
    banaszkieeewicz wrote:
    I envy that you experienced the times where this circuit was one of a kind, without some invention and newer technology, I myself now try to get some cool circuits to solder myself e.g. just with the ne555 timer because I like to do it, even more as I understand how the circuit works and how I can modify it.

    Thanks. I'm from the days where there were no flashing diodes, so they were made on NE555.
    For example, imitations of the alarm in a Maluch.
    Later on, flashing diodes went on sale.
  • #9 21779948
    smiga
    Level 17  
    Previously, the flashing of the LEDs (there were only red, yellow and green ... sometimes there were orange ones) was done on two transistors (astable multivibrator).
    I already used BC107/108/109 for this :) ... only this was in the '80s :( ... well, the second half of the '80s ;)
    Interesting, but the 555 layout has been in production since 1972 (I wasn't there yet ... for a small while :) ), so in theory I could have used it in the aforementioned '80s, but I got to know it in the early '90s.
    Actually, that's understandable - nothing was available then, and you bought what was :)
    Helpful post? Buy me a coffee.
  • ADVERTISEMENT
  • #10 21780568
    filipcichowskidev
    Level 9  
    >>21778169

    It was also possible to make a flashing diode on a single transistor - when I was a kid, my dad and I fitted such in two cars. This worked on the principle of the transistor flashing under the influence of a rising voltage in the RC circuit.

    All the C1815s worked very nicely, but on decent transistors it wouldn't work. The worse the semiconductor the better in this case ;)
  • #11 21782596
    MICHAŁ6201
    Level 16  
    I made my first circuit based on two NE555's at the beginning of the 90's - an electronic siren - a circuit described in the monthly magazine Radioelectronik, and later on - an adjustable strobe from Nord
    as a circuit for self-assembly - adjustable strobe from Nord and I also changed it and checked how it works :)
    There were a lot of these projects based on this circuit in Radioelektronik monthly magazines from the 1980s, which I still have somewhere.
  • #12 21783056
    minus3db
    Level 13  
  • #13 21785086
    W.P.
    Computer PSUs specialist
    andrzejlisek wrote:
    so arguably the 555 is the longest produced IC in almost unchanged form.
    Let's not forget the LM317, which is still popular today.
  • #15 21793239
    krychast
    Level 20  
    W.P. wrote:
    andrzejlisek wrote:
    so arguably the 555 is the longest produced IC in almost unchanged form.
    Let's not forget the LM317 which is still popular today.

    nothing beats a 7805 or a 741 amplifier
📢 Listen (AI):

FAQ

TL;DR: Build a NE555 astable flasher with a potentiometer to tune blink rate; the NE555 has 3 operating modes. “This is an ideal project for both beginners and more advanced electronics enthusiasts.” [Elektroda, banaszkieeewicz, post #21776783]

Why it matters: This FAQ helps beginners quickly make a reliable LED flasher and troubleshoot common 555-timer mistakes.

Quick Facts

How does a NE555 astable flasher actually work?

In astable mode, the capacitor charges via R1 until about 2/3 VCC, keeping the output high. Then it discharges through R2 until about 1/3 VCC, driving the output low. The cycle repeats, creating a square-wave that makes the LED blink. [Elektroda, banaszkieeewicz, post #21776783]

Which parts do I need to build the blinking LED circuit with a potentiometer?

You need an NE555, two timing resistors (one may be a potentiometer), a timing capacitor, one LED, and a power source like a 9 V battery. The potentiometer lets you adjust the blink frequency easily. [Elektroda, banaszkieeewicz, post #21776783]

How do I wire it? (3‑step quick start)

  1. Connect NE555 in astable mode with R1, R2 (or R2+pot), and C1 per the schematic.
  2. Power the IC (e.g., 9 V), and place the LED on the output with proper polarity and resistor.
  3. Turn the potentiometer to change the blink frequency. [Elektroda, banaszkieeewicz, post #21776783]

Why add a potentiometer—what exactly changes?

The potentiometer changes the effective resistance in the charge/discharge paths, altering the time the capacitor takes to reach 2/3 VCC and 1/3 VCC. That shifts the output period, so the LED blinks faster or slower. [Elektroda, banaszkieeewicz, post #21776783]

What supply voltage should I use for this beginner build?

A simple 9 V source works well for the demo LED flasher. The referenced build used a 9 V supply, which keeps wiring simple and parts common for breadboards and kits. [Elektroda, banaszkieeewicz, post #21776783]

My LED stays on and won’t blink—what’s wrong?

If C1 never reaches the 2/3 VCC threshold, the output may not toggle. Check capacitor orientation/value and ensure the potentiometer isn’t at zero ohms, which can upset charge/discharge timing. Verify R1, R2, and C1 wiring to the threshold points. [Elektroda, banaszkieeewicz, post #21776783]

Is this project beginner‑friendly?

Yes. The author calls it ideal for both beginners and more advanced users. The circuit is simple, low cost, and teaches timing, thresholds, and basic debugging. “Ideal for both beginners and more advanced electronics enthusiasts.” [Elektroda, banaszkieeewicz, post #21776783]

What can I build next with the NE555 timer?

Explore LEDs, clocks, timers, and PWM-like generators. The thread links inspirations, like multi‑mode 555 clocks and project roundups. These widen skills in timing control and digital interfacing. [Elektroda, smiga, post #21776876]

Where can I see a 555 clock project explained step‑by‑step?

Check the referenced multi‑part video series demonstrating a 555‑based clock in several operating arrangements. It’s a clear walkthrough with practical wiring and timing insights. [Elektroda, ACeK, post #21776945]

Is the 555 really that enduring as a chip?

One commenter likens the 555’s longevity to the Beetle’s production run, noting it as a longest‑produced IC in near‑unchanged form. It highlights the design’s staying power in hobby and education. [Elektroda, andrzejlisek, post #21776981]

Any historical or kit-based way to learn this fast?

Many learned with simple DIY kits. Users recall 1990s kits from brands like Jabel or Nord that taught assembly and modifications—great for hands‑on practice. [Elektroda, gulson, post #21776817]

Can I visualize how the internal thresholds switch?

Yes. The thread shares an animation that explains the mechanism clearly. Seeing the 1/3 and 2/3 VCC transitions helps you debug stuck-on or stuck-off behavior. [Elektroda, smiga, post #21777752]

What is PWM and can the NE555 help me learn it?

PWM is Pulse Width Modulation, a method to control power by varying on-time. In astable mode, the 555 produces pulses that help you explore PWM concepts and duty cycles in simple builds. [Elektroda, banaszkieeewicz, post #21776783]

How do I safely power multiple LEDs from this circuit?

Start with one LED and current-limiting resistor. For more LEDs, calculate total current and use appropriate resistors or a transistor driver from pin 3 to avoid overloading. Keep supply stable. [Elektroda, banaszkieeewicz, post #21776783]

What’s a realistic learning outcome from this build?

You’ll understand the 555’s three modes, thresholds, and timing parts. A useful milestone: demonstrate adjustable blinking using one potentiometer and verify switching at approx. 1/3 and 2/3 VCC. [Elektroda, banaszkieeewicz, post #21776783]

Any pro tip from experienced builders?

“I assembled it, it worked and I made modifications.” Start simple, then tweak resistor and capacitor values to see timing effects. That’s how skills grow fast. [Elektroda, gulson, post #21776817]
Generated by the language model.
ADVERTISEMENT