logo elektroda
logo elektroda
X
logo elektroda

Interior of Meross MSS550 switches, MRE3S module, Mediatek ARM MT7682, catalogue note

p.kaczmarek2 762 1

TL;DR

  • Two Meross MSS550-EU-TOUCH V3.0 smart wall switches—one touch-based and one microswitch-based—were dismantled and compared, including the internal Meross MRE3S Wi‑Fi module.
  • The touch board uses a BS813A controller, and the mechanical version adds two relays plus an OB2222MCP-based non-isolated 5 V supply.
  • The MRE3S_Rev3.0 module appears to map like TYWE3S/WB3S, and the MT7682 catalog note lists an ARM Cortex‑M4 at 192 MHz with 384 KB RAM and 1 MB Flash.
  • The serial boot path looks promising through HIF_EN (GPIO_4) and HIF_SEL (GPIO_13), but UART traffic could not be captured from this copy.
  • Both variants use the same MSS550 name and nearly identical packaging, so the touch and clicky versions are easy to confuse.
Generated by the language model.
ADVERTISEMENT
Treść została przetłumaczona polish » english Zobacz oryginalną wersję tematu
📢 Listen (AI):
  • Close-up of a MediaTek ARM MT7682TN integrated circuit on a green PCB
    Here I will introduce two Meross MSS550 switches, the first a touch-sensitive version and the second based on a 'clicky' microswitch. I'll examine how they are built and then I'll post the information I've gathered so far about the interesting Wi-Fi chip on the inside - the Mediatek ARM MT7682.
    Two Meross Smart Wi‑Fi Wall Switch MSS550 boxes side by side on a light background
    I guess we should start with the fact that despite such a dramatic difference as the control method (touch vs. mechanical), both products share the same model name and I don't see any distinguishing features on the packaging except for the picture. This is quite strange and potentially problematic.
    Meross Smart Wi‑Fi Wall Switch 2 Way MSS550 box with Alexa, Google Home and SmartThings logos Back of Meross MSS550 wall switch box with technical specifications, warranty badge, and barcode Meross MSS550 package contents: round switch module, screws, and instruction booklets on a white background
    The full model name is in both cases MSS550-EU-TOUCH V3.0. There is also a US version, but it is for this "rectangular" box. How to connect the switch is specified in the manual:
    Open manual: table of contents on left, “English” page with warning and installation notes on right Open Meross Smart Switch manual showing a wiring diagram and LED/button rules Open Meross manual showing FAQ and Warranty sections with the email support@meross.com.
    Here you might wonder why the C and L1 and L2 designation when there is one touch - it's because this switch supports a staircase installation. It alternately switches on either L1 or L2, and C in turn stands for Common - a common line - see image from instructions.
    Wiring diagram for Meross MSS550 EU smart 2‑way wall switch showing neutral wire required
    The switch is compatible with the Meross app - then you can connect it to Apple Homekit:
    Google Play listing screenshot for the “meross” app, showing the Install button and app details App screen with a list of smart device types to add and a message that no nearby devices were found. App screen listing Meross switch models, including MSS510, MSS550, MSS560, MSS565, and MSS570 series.
    The control itself is no different from other popular apps such as Tuya or eWeLink. What deserves a mention, however, is the pairing. Here, the app asks us whether we want the full version or the abbreviated version, and in the case of the full version it even displays instructions as to the electrical connection. There is also no clutter here as in Tuya, here we pair products by their previously known model by the app.
    Phone screen showing “Installation Video” page with a “Next” button at the bottom. Meross app screen showing “Before we begin” setup page for the MSS550 switch
    App screen titled “Potrzebne narzędzia” with icons of a screwdriver, pliers, wire stripper, and voltage tester App screen for selecting product version MSS550K(US), with options version 2.0, 3.0, and 3.0+
    After pairing as standard - we have remote control, automations, timers.
    From curiosities in the app we have a forum - even quite extensive, there are topics, posts, profiles:
    Smartphone screenshot of a forum app showing user “1978dear” profile and post list

    Interior of the MSS550
    However, I'm most interested in the build of these types of products and whether they can be altered with firmware to make them cloud-free. For this reason, I took a quick look inside.
    Green PCB inside a switch housing with a Wi‑Fi module and a QR label in the top-right corner
    The markings on this Wi-Fi module don't tell me anything. Could this be some kind of novelty, or rather something I haven't seen before?
    Green PCB held in a hand, with white markings “2318” and “D011A” and a connector on the left
    The board itself is very simple, so we won't find the answer to that here, although you can still see the BS813A, the touch button controller, in the corner.
    Excerpt from Holtek “Touch Key” datasheet listing BS81xx ICs and a “Features” bullet list.
    The Wi-Fi module therefore needs to be soldered out. Rather only hot air comes into play, but first you need to remove the component from the touch button, which is easy to melt. Simply peel it off.
    Green PCB with Meross Wi‑Fi module labeled with QR and MAC; fingers hold a white block over the circuitry
    The first one, however, I soldered off the screen. Inside the module is a Mediatek chip.
    Close-up of a Wi‑Fi module on a green PCB with a MediaTek MT7682TN chip
    I didn't stop there though, as I wanted to check the pad markings on the description layer.
    Close-up of a Wi‑Fi module on a PCB with a MediaTek chip next to an RF shield
    The power supply location (ground and 3.3V) agrees with TYWE3S. The position of the EN (enable) pin does too. What I don't know is where the UART is.
    MRE3S Rev3.0 Wi‑Fi module on a green PCB, held between fingers
    The module is signed as MRE3S_Rev3.0. The name suggests that this is a module manufactured for/by Meross. The 3S designation matches WB3S/TYWE3S and indicates the format of the module. I couldn't find any more information about it except for the FCC report, which did however clarify a bit about the pinology:
    GPIO pinout diagram of a Wi‑Fi module with a table of pin functions and a module photo
    This confirms the location of the UART in line with the expected standard. Unfortunately an attempt to collect data from it failed, my copy doesn't seem to be sending anything:
    PCB and breadboard wired to a small USB‑UART module with a USB-A plug

    For the sake of completeness, I'm posting pictures of the mechanical version of the button below. PCB designation: MSS550X_EU_RF_V10 2019/09/29 No major changes. Same Wi-Fi module.
    PCB inside a switch housing with a Wi‑Fi module and a barcode sticker Inside a switch: green PCB with a shielded radio module in a white housing, held in a hand
    Close-up of PCB showing “MSS550X_EU_RF_V10 2019/09/29” and SW22 push button Wi‑Fi module with metal shield and yellow QR label on a green PCB, held between fingers

    Now a look at the executive board - power supply and relays.
    Rear view of a green PCB in a white housing, labeled “MSS550X_EU_PR_V10”
    Designation: MSS550X_EU_PR_V10
    Round PCB with two black relays and gold screw terminals, held in a hand
    There are two relays inside - in line with the L1 and L2 outputs, shorting them to C (Common).
    Macro photo of a green PCB section with electrolytic capacitors and SMD components
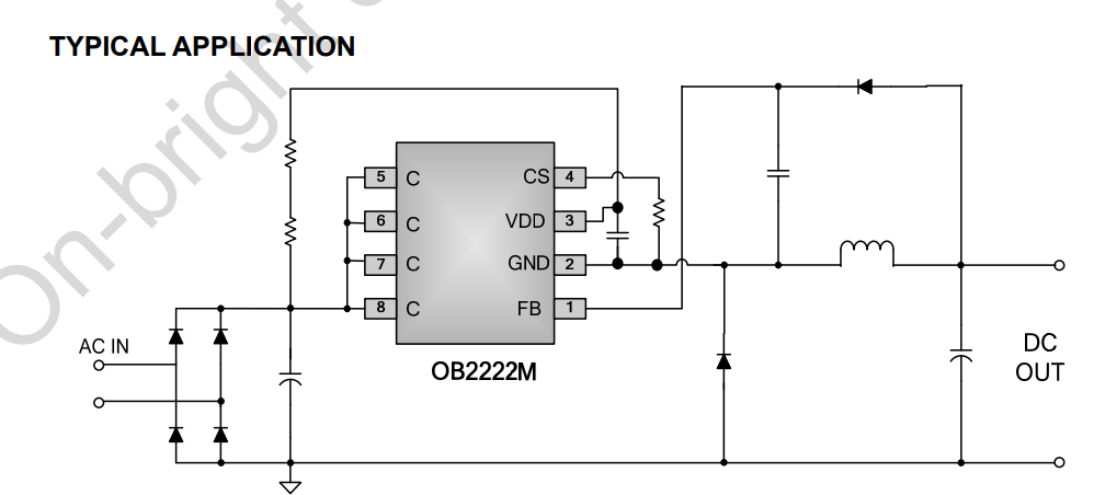
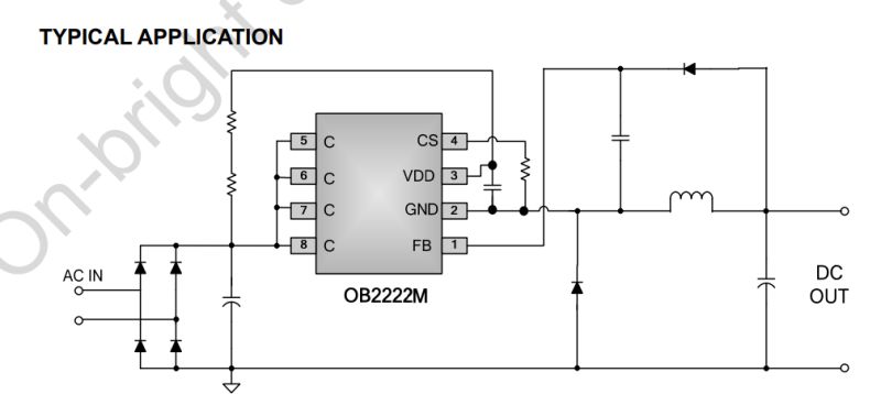
    The whole is powered by a non-isolated inverter based on the OB2222MCP. It generates 5 V. There is also a fuse and varistor in the circuit.
    “Typical Application” circuit diagram for OB2222M with AC IN and DC OUT connections
    The second board is identical:
    Close-up of a PCB with a black relay, capacitors, and metal screw terminals held in fingers Close-up of a PCB with electrolytic capacitors, a blue disc component, and a black part labeled “TAIWA” Close-up of a round PCB with two black relays and several capacitors


    Information about MT7682
    The MT7682 catalogue note is available on the web. I include it in the appendix.
    The chip features an ARM® Cortex®-M4 core with FPU, clocked to 192 MHz, 384 KB of RAM and 1 MB of Flash memory. Unfortunately, Flash is quite scarce here, a bit like in the regular ESP8285. There may be a problem here with updating the firmware via Wi-Fi, because then you have to fit both images at once in non-volatile memory.
    Personally, I'm most interested in changing the firmware, and for that you need boot settings. The hope, however, is an external Flash - the option to boot from it via SPI.
    MT7682 datasheet excerpt: “Boot source” section with boot options list and a flowchart for boot selection
    “Mode selection” table showing GPIO strapping pins and conditions for system configuration in a datasheet.
    The serial option looks promising. So we are interested in the HIF_EN (GPIO_4) and HIF_SEL (GPIO_13) pins. These are available on the MRE3S pads.
    There is a matching SDK available on GitHub:
    https://github.com/Kamwing1992/SDK_For_MT5932-MT7682-MT7686-MT7687-MT7697-AW7698
    Supported chips:
    - smart MCU series: MT2523/MT2533
    - wi-Fi series: MT5932/MT7682/MT7686/MT7687/MT7697/AW7698
    - bT Audio series: AB155x
    The SDK is based on the GCC, Keil and IAR toolchains.
    The tools include IOT_Flash_Tool :
    Screenshot of Airoha IoT Flash Tool with an empty table and a Start button
    According to the "About" tab, the version of this tool is 2.8.9. What surprises me is the compilation time. I fired it up on the 24th, and the same date appeared in the program.
    “About” window of Airoha IOT Flash Tool showing version and build dates
    The port selection suggests that, in addition to the virtual COM ports, there is the possibility of operations directly via USB.
    Screenshot of a tool showing a “Settings” window with USB 2.0 and “Download without Battery” options
    At this point we probably have everything to compile, rip and upload the batch. We need to set the appropriate levels on the GPIO and connect the USB to UART converter. However, I will report the results in a separate topic.

    Summary
    MT7682 is a fairly unknown and already old platform. I've been testing various IoT devices for a long time, and only now did I come across this one. The analysis presented in this topic shows that it would be potentially possible to compile your own firmware for this type of chip and make it cloud free. There is a chance for a OpenBeken port, but a lot also depends on how many devices with MT7682 are actually produced. Have you encountered chips from this family? Thank you in advance for any information!
    Attachments:
    • meross user manual.pdf (4.16 MB) You must be logged in to download this attachment.

    Cool? Ranking DIY
    Helpful post? Buy me a coffee.
    About Author
    p.kaczmarek2
    Moderator Smart Home
    Offline 
    p.kaczmarek2 wrote 14416 posts with rating 12371, helped 650 times. Been with us since 2014 year.
  • ADVERTISEMENT
  • #2 21871319
    auntlydia
    Level 10  
    Posts: 70
    Help: 2
    Rate: 14
    Hello p.kaczmarek2! I was very surprised and happy to find your post here. Thank you, it is good to know I am not the only one with this module!

    I still had two unused modules in my parts collection, one of them is MR3E_MWA6E, which has RTL8710CF and which I was able to flash yesterday, thanks to newly supported platforms in your OBK flasher and firmware.

    The other one is exactly the one from your topic here, the MRE3S with Mediatek MT7682SN. While going through different posts for flashing instructions for the RTL chips, I had the secret hope that the method would work for the Mediatek too, as I thought maybe it is just another label but is the same as the Realtek, but obviously it is not. I have done some digging and traced back all the relevant traces that are usually interesting for the flashing process. I used the datasheet and double checked, it should be all correct. I was almost ready to connect it and try flashing with OBK RTL method, just to see if it works, but then I found your post here and I think it is not necessary to try because it is not supported yet. However, I want to share the pictures and traces, so just in case it would be supported in the future, we would have already a good reference where to connect our wires.

    Close-up of a green PCB with a MediaTek MT7682SN chip and a metal resonator can Close-up of a green PCB module with an IC chip and a metal can marked “CREC 26.000” Green PCB with solder pads on both sides and pin labels, including GND and VCC Close-up of a PCB with a QFN IC and a printed antenna, with colored handwritten trace annotations. Green PCB module with solder pads, printed pin labels, and handwritten colored markings for UART and power



    My first WiFi sockets I bought were all meross devices and I already sold most of them because I rebuilt my smart home to be off-cloud as much as I can. I assume that lots of meross devices have this module.

    I only kept two of my meross devices:
    - 2-Gang Outdoor Smart Socket (MSS620), that came with the MR3E_MWA6E (https://templates.blakadder.com/meross_MSS620.html)
    - 5-Gang 4x Power Extension Strip, with USB (MSS425F), that came with the MRE3S (https://templates.blakadder.com/meross_MSS425F.html)

    I replaced the modules with suitable ESP modules to run them with tasmota. I kept the original modules and now at least one of them can be used again, thanks to you and the community =)

    To the question about the chip's popularity: the question is, if lots of their buyers and users are the target group to open and modify their smart devices. Probably not as much as Tuya devices.

    Of course it would be awesome if this chip would be supported in the future! If I can do anything to help, let me know.

    Also, I attach here the full data sheets of MT7682 chip and meross MRE3S module for reference.
    Mediatek_M...asheet.pdf (1014.72 kB)You must be logged in to download this attachment. meross_m..s.pdf (615.49 kB)You must be logged in to download this attachment.


    Cheers =)
📢 Listen (AI):
ADVERTISEMENT