logo elektroda
logo elektroda
X
logo elektroda

Smokehouse analogue thermometer for PT1000, LM358 and ESP8266

sznickers 1902 52
Best answers

Why does my PT1000 thermometer built with an LM358 only reach about 144°C, and how can I extend the measurable range?

The LM358 output swing is likely the limiting factor, so the analogue stage stops before the full PT1000 range [#21749157] A practical fix was to reduce R4 to 5 kΩ and then rescale the reading in software; after recalibration, the PT1000 measurement range increased successfully [#21749586] [#21749587] If you want a cleaner RTD solution, several replies recommend replacing the LM358 front end with a MAX31865-based PT100/PT1000 module, which is made for this job and has ready-made libraries and examples [#21750183] [#21781376]
Generated by the language model.
ADVERTISEMENT
Treść została przetłumaczona polish » english Zobacz oryginalną wersję tematu
  • #1 21749128
    sznickers
    Level 11  
    Posts: 196
    Help: 1
    Rate: 8
    Board Language: polish
    Hi,
    i am creating a thermometer for the smokehouse ... :) .
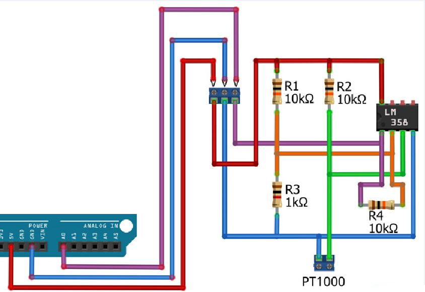
    I have managed to make an analogue temperature sensor based on a PT1000 sensor at this point. It comes in a gel cable. According to the manufacturer the range can be -50*C-200*C. I managed to get max. 144*C. I don't know if the LM358 limits this ?
    The PT1000 sensor is supposed to measure the smoke temperature.
    Wiring diagram of PT1000 sensor with LM358 amplifier and microcontroller
    The circuit is based on an ESP8266 Wemos. It is accompanied by an LCD1602 display. I'm running on ESP Easy and I'm fine with it.
    I may do a second option with zaSUPLOwing - Supla has a good readable app on the tel.
    I calibrated the sensor at two points : at 100*C and 0*C. I also fitted a second sensor : DS18B20, but this one will be as an outdoor temp, or a sensor to stick in the meat.
    Electronic circuit with ESP8266, PT1000 sensor and LCD display on cutting mat
    I would still like to do e.g. a fiddly thing like some sort of buzzer when the temperature rises, or falls below the range, to either boost or dim.
  • ADVERTISEMENT
  • #3 21749570
    sznickers
    Level 11  
    Posts: 196
    Help: 1
    Rate: 8
    Board Language: polish
    That's what I suspected, in the kk LM358 it says up to 150*C -mi up to 144*C, but more than that I'm unlikely to need, but it begs the question what layout for higher temperatures?

    Added after 3 [minutes]:

    I sealed the whole thing in tins.
    Electronic system in enclosure with LCD display and temperature sensors
  • Helpful post
    #4 21749586
    tos18
    Level 42  
    Posts: 7004
    Help: 1086
    Rate: 1805
    Board Language: polish
    Reduce R4 to 5 kΩ and scale the transmitter in the software.
  • ADVERTISEMENT
  • #5 21749587
    sznickers
    Level 11  
    Posts: 196
    Help: 1
    Rate: 8
    Board Language: polish
    OOO :) , thanks - I will be happy to test :) .

    Added after 11 [hours] 7 [minutes]:

    Works, thanks to :)
    Increased the temperature measurement range on the PT1000 after changing resistor R4 to 5kOhm. Of course I recalibrated it as well.
    Temperature display with label “Wędzarnia” and device IP address.
  • #7 21750331
    sznickers
    Level 11  
    Posts: 196
    Help: 1
    Rate: 8
    Board Language: polish
    >>21750183
    OO Lord you see-that's another good idea. Thanks.
    https://espeasy.readthedocs.io/en/latest/Plugin/P039.html
    The library I can see would be, there is a description of what and how.
    For the smokehouse I don't need such accuracy, butee I was planning to make precise temperature sensors for the heat meter I have for the heat pump- there two decimal places would be useful because now I have for it on DS18B20 and it's Chinese, so .... accuracy of measurement and calculation, indications - poor.
  • #8 21750456
    fachman1964
    Level 5  
    Posts: 374
    Rate: 58
    Board Language: polish
    sznickers wrote:
    Hi,
    i am creating a thermometer for the smokehouse ... :) .
    I have managed to make an analogue temperature sensor based on a PT1000 sensor for the moment.

    And not simpler to use a budget specialised RTD Adafruit MAX31865. 10zl at a Chinese manufacturer. Measurement with an accuracy of 0.2*C. Plenty of code examples on the web.
  • ADVERTISEMENT
  • #9 21750463
    sznickers
    Level 11  
    Posts: 196
    Help: 1
    Rate: 8
    Board Language: polish
    >>21750456
    Well that's what I understand tos18 wrote about
  • #11 21750786
    sznickers
    Level 11  
    Posts: 196
    Help: 1
    Rate: 8
    Board Language: polish
    >>21750717
    Very cool design.
  • #12 21751535
    fachman1964
    Level 5  
    Posts: 374
    Rate: 58
    Board Language: polish
    I have now added the video
  • #13 21751595
    krzbor
    Level 29  
    Posts: 1731
    Help: 40
    Rate: 1044
    Board Language: polish
    sznickers wrote:
    For the smokehouse I do not need such accuracy, but I was planning to make precise temperature sensors for the heat meter I have for the heat pump- there two decimal places would be useful because now I have on it on DS18B20 and it is Chinese, so .... accuracy of measurement and calculation, indications - poor.

    It says: The module provides a high measurement accuracy of 0.5°C
    This is what the DS18B20 will also achieve. Plus the non-linearity of the PT. And the heat meter is not so simple, because you still have to measure flows.
  • ADVERTISEMENT
  • #14 21751646
    sznickers
    Level 11  
    Posts: 196
    Help: 1
    Rate: 8
    Board Language: polish
    krzbor wrote:
    because you still have to measure the flows.

    i know-I have no problem with this :) .
    Professional heat meters are based on PT temperature sensors , but certainly not DSs. Basically with LC it is the delta that is important, or in other words both sensors next to each other at the same temperature you need them to indicate the same thing.
    Coming back to the DS18B20 - it would be interesting to see how the original ones would behave.
    However, here in my project I use a PT1000 sensor because the DS ends its operating range at 125*C.
  • #15 21751658
    krzbor
    Level 29  
    Posts: 1731
    Help: 40
    Rate: 1044
    Board Language: polish
    sznickers wrote:
    Back to the DS18B20-I wonder how the original .
    would behave
    According to the data sheet, that is, a maximum error of 0.5 degrees (probably less), and a resolution (12 bit) of 0.0625 degrees. Once these have been calibrated, the difference between the two can be determined and corrected by software. By the way - write what results you got from the Chinese and why are you complaining so much about them? I've encountered mishandling of the standard - i.e. they don't always work on two wires, but when there is a separate power supply (3 wire connection) it's OK.
    And this is a review from Allegro (waterproof sensor with wire for PLN6):
    Although according to the serial number it is not an original Dallas the indications are very precise. Out of the 4 pieces purchased, only one indicated a difference of 0.2*C from the others. This is very little! and comparing with a laboratory thermometer, these 3 indicated 0.1*C more and this one 0.1*C less.
  • #16 21751673
    sznickers
    Level 11  
    Posts: 196
    Help: 1
    Rate: 8
    Board Language: polish
    Kamstrup has PT500 sensors.
    Nameplate of Kamstrup PT500 sensor with 10–150°C temperature range
    How accurately do these temperature sensors indicate-precision to 0.01*C !



    As for the DS180B20- what people write there, let them write- I always connect 3-wire with 12bit resolution. What DS I will show another time a test-their comparison.

    Added after 2 [minutes]:


    Temperature sensor resistance table for various sensor types and degrees Celsius
  • #17 21751691
    tos18
    Level 42  
    Posts: 7004
    Help: 1086
    Rate: 1805
    Board Language: polish
    sznickers wrote:
    How accurately do these temperature sensors indicate-precision to 0.01*C !


    Don't confuse resolution with measurement accuracy, buddy !
  • #18 21751839
    sznickers
    Level 11  
    Posts: 196
    Help: 1
    Rate: 8
    Board Language: polish
    >>21751691
    I know what you are writing about.
    I connected the two sensors together during a real-time measurement.

    Added after 2 [hours] 33 [minutes]:

    Above 128*C the DS18B20 shuts down, fades out, below that temperature it comes back, and the PT1000 bravely works.
    The 7 segment display maybe like a senior citizen, but in practice the best.
    Smokehouse analogue thermometer for PT1000, LM358 and ESP8266
    Preview in Domoticz :
    Smokehouse analogue thermometer for PT1000, LM358 and ESP8266
    34*C is the meat temp, (DS18B20) and 65*C is the PT1000 analogue .
    I fitted two lights, LEDs to indicate when the temperature is exceeded (dim) , or is too low (sub) or yellow - when the meat reaches 70*C.
  • #19 21753566
    sznickers
    Level 11  
    Posts: 196
    Help: 1
    Rate: 8
    Board Language: polish
    Comparison of 4 ds18b20 sensors - two each on the supply and two on the return, preview while the heat pump is on:



    Viewed while the heat source is off. and while the circulation pump is on - so theoretically they should all be equal:



    Conclusion: I could apply a sensor correction, a little will only help.

    Added after 7 [minutes]:

    Meat smoking chart:
    Meat temperature from 20*-55* for a smoking time of approx. 8h
    Meat temperature chart during smoking, ranging from 0°C to 60°C over the course of a day
    Smoke temperature:
    Smoke temperature chart from the last 3 days, showing fluctuation between 11:00 and 22:00
  • #21 21775904
    tos18
    Level 42  
    Posts: 7004
    Help: 1086
    Rate: 1805
    Board Language: polish
    One sensor.
    Solder the jumpers.
  • #22 21776047
    fachman1964
    Level 5  
    Posts: 374
    Rate: 58
    Board Language: polish
    sznickers wrote:
    I already have this MAX31865 module

    I have two-wire sensors then I need to solder the "2wire" jumper ?


    Why did you choose the least accurate PT. two-wire for the small price difference? And not the max accurate four-wire?
  • #23 21776050
    sznickers
    Level 11  
    Posts: 196
    Help: 1
    Rate: 8
    Board Language: polish
    These are the sensors I have, but the fact is you are right.
  • #24 21776100
    tos18
    Level 42  
    Posts: 7004
    Help: 1086
    Rate: 1805
    Board Language: polish
    If you have two-wire sensors and a large distance to the transmitter then there is nothing stopping you from using a four-wire line.
  • #25 21776109
    sznickers
    Level 11  
    Posts: 196
    Help: 1
    Rate: 8
    Board Language: polish
    I haven't played around with this sort of thing yet, but I've poked around and I think I already understand.
    4-wire Pt100 sensor wiring diagram with two red and two white wires
    The ones I have 2 wire factory company ones I'll leave them in- I'm not going to unsolder them, and I'll make myself a 4-wire test circuit with two such sensors at some point.
    At 2-wire they should be connected to which pins?
    MAX31865 temperature sensor module with labeled pins and RTD connections
    F- and F+ ?
    Actually this is an advantage for long distances to the sensor.

    Added after 2 [minutes]:

    Still wondering how many pins I need for such a circuit....
    Wemos D1 Mini pinout diagram with GPIO numbers and pin roles labeled
    Because it will soon turn out that one board max=one esp
  • #26 21776111
    fachman1964
    Level 5  
    Posts: 374
    Rate: 58
    Board Language: polish
    As I was making the multi-sensor thermostat described on the electrode I examined the theory practically. If I wanted to use the PT100 two-wire version, I had about 3 degrees of difference from the reference/benchmark thermometer. And there would be nothing wrong with that because such a difference can easily be bridged by software via offset. But there is something more serious. Linearity. And this is where the stairs begin, unfortunately. What have I worked out to make the temperature reading reasonably linear. Steinhart-Hart polynomial, Newton-Raphson method, correction table, Linear Interpolation, Everything did not meet my expectations. I finally used the PT1000 four-wire and was pleasantly surprised. At the ends of the measuring ranges deviation without any "fiddles" only 0.5*C centre of the scale identical to the indication of the reference thermometer.
  • #27 21776114
    sznickers
    Level 11  
    Posts: 196
    Help: 1
    Rate: 8
    Board Language: polish
    >>21776111 you have described it nicely, I see you are an expert on the subject. I'm interested in the accuracy of measuring the two temperature sensors against each other.
  • #28 21776135
    fachman1964
    Level 5  
    Posts: 374
    Rate: 58
    Board Language: polish
    I don't know if you know this MAX31865 module from the photo is universal it is factory adapted for PT100 4 wire but by soldering jumpers it can work in 2, 3 no and 4 wire mode and by changing R(ref) as a reading from PT1000. There is also an 'Adafruit' library which I used when writing the program.
  • #29 21776146
    tos18
    Level 42  
    Posts: 7004
    Help: 1086
    Rate: 1805
    Board Language: polish
    sznickers wrote:
    The ones I have 2-wire factory branded I'll leave them in - I won't desolder them,

    You don't have to - just shorten the wires from the sensor as much as possible (make the split as close to the sensor as possible) at PT1000 a dozen cm of two wire line should not make a problem.
    sznickers wrote:
    After the 2 wires should be connected under which pins?

    whichever left and whichever right
    e.g. F+ and F- or RTD+ and RTD- or F+ and RTD- or F- and RTD+
    after all, you connect F+and RTD+ with a jumper just like F- and RTD-.
  • #30 21776151
    sznickers
    Level 11  
    Posts: 196
    Help: 1
    Rate: 8
    Board Language: polish
    >>21776135 Yes, I read about this resistor from the msalmon website.
ADVERTISEMENT