logo elektroda
logo elektroda
X
logo elektroda

Which smart lighting and roller shutter solution: Siemens Logo!8 or Satel?

lorak86 13959 50
Best answers

Should I use Siemens LOGO!8 or Satel to build programmable house lighting and roller-shutter control with alarm-triggered lights?

Use a separate home-automation controller for the lighting and shutters, and keep Satel as the alarm panel; the thread’s preferred setup is Satel for the detectors with the automation controller handling the outputs, not Satel alone [#15792428][#15794135] If you choose LOGO!8, the 12/24 V version is the one recommended, and direct programming on the device is considered clumsy compared with Logo Soft Comfort/FBD on a PC [#15787141][#15788949] For motion-triggered lights, feed the PIR detectors into Satel first and then use Satel to drive the automation inputs [#15792428][#15794135] For wiring, several replies recommend a star layout with YDYp 4x1.5 mm2 or 3x1.5 mm2 to each light point and YTDY 10x0.5 mm2 to switches and detectors [#15792428] One reply also suggests a third click or long press to reset all counters and switch everything off in multi-click lighting logic [#15790950][#15791081][#15791169]
Generated by the language model.
ADVERTISEMENT
Treść została przetłumaczona polish » english Zobacz oryginalną wersję tematu
  • #31 15794140
    Zbigniew 400
    Level 38  
    Posts: 4356
    Help: 283
    Rate: 792
    And do you remember about emergency situations ?
  • ADVERTISEMENT
  • #32 15794271
    Szyszkownik Kilkujadek
    Level 37  
    Posts: 5013
    Help: 211
    Rate: 1010
    Depends on what you mean.
    Lack of electricity? At my place, the buffer power supply powers the control panel and, for example, the under-cabinet LEDs in the kitchen. It provides several hours of light. It guarantees that you can finish cooking (on gas) in peace and quiet. And you don't cut yourself with a knife in the dark.
    It works so well that I intend to add a piece of LED strip to each room as emergency lighting.

    Controller failure? Here it's a good idea to give either one collective on the control panel housing, or a couple of regular rocker switches to manually switch on the executive relays.
    In addition, everyone usually has some floor lamps or bedside lamps in the house. These, powered from sockets, can help until the fault is rectified.
    Of course, service by others without proper documentation is very difficult.
    And, as a complete emergency, a torch and candles are worth having in every home.

    I'd also recommend considering a gate/intercom connection. Opening by phone is useful.
  • ADVERTISEMENT
  • #33 15795507
    MrBool
    Level 11  
    Posts: 30
    Help: 2
    Rate: 9
    For the price of the Sterbox, you can buy the Pigeon computer (a Polish computer based on Raspberry CM, for automation applications). Its capabilities are incomparably greater. Since it runs Linux, you can install Domoticz or openHUB, for example, and if you know how to program, you can of course write your own software.
  • #34 15797441
    lorak86
    Level 10  
    Posts: 26
    Rate: 7
    Gentlemen you continue to talk about what system to plug in.
    Of course I asked the question whether it was worth logo!8 because I didn't know anything.
    Now I know that there are plenty of such systems out there but I will leave the choice to myself only next year.

    My problem now is what cables to run.
    This is how it looks in my head now:
    - to each ON/OFF switch from the distribution board 10x0.5mm2
    - to each light source from the distribution board 3x1.5mm2 (or 4x1.5mm2)
    - to each alarm detector from the SATEL board 10x0.5mm2
    - from the SATEL board to the distribution board 10x0.5mm2 (how many pieces so that the detector switches on my light at twilight?)
    - from the distribution board to the dusk detector outside the house 10x0.5mm2
    - to the intercom 3x1.5mm2 and 10x0.5mm2
    - twisted pair cable to the boiler room and to the place where there may one day be a touch panel
    - 10x0.5mm2 on each floor to the temperature sensor
    - from the recuperator 4 temperature sensors, 2 humidity sensors and fan speed control

    Is there any point in doing anything with the sockets? So far I'm running the wires a bit like a STAR but without overdoing it. Simply a separate cable to each room, and from there already a distribution to the sockets
  • #35 15798064
    Wojciech.
    Level 37  
    Posts: 3590
    Help: 318
    Rate: 465
    And a suggestion has already been made above. If you have a problem with the system then why not make one yourself?


    AVR(10-20zl) +programmer -> (USBasp 20-30zl) ->(contact board, programming cables 20zl) -> 8 relay module (40zl). Once you get the hang of it, the "system" alone is max 200zl.
  • #36 15798315
    lorak86
    Level 10  
    Posts: 26
    Rate: 7
    I misunderstood you a little.

    I'm definitely going to go for some off-the-shelf stuff like LOGO!8, Pigeon or Sterbox

    I just want to know where and which cables should be placed in order to be able to connect a lighting and roller shutter control system later.
  • #37 15798327
    Wojciech.
    Level 37  
    Posts: 3590
    Help: 318
    Rate: 465
    I meant that you can make such a "LOGO!8" yourself. But if you want a ready-made one then no problem.
  • #38 15800026
    Szyszkownik Kilkujadek
    Level 37  
    Posts: 5013
    Help: 211
    Rate: 1010
    lorak86 wrote:
    to each EXIT from the switchgear 10x0.5mm2
    connector. Those "flickers" on the walls are switches. A switch is a completely different electrical apparatus.
    lorak86 wrote:
    Is there any point in doing anything with sockets?
    In my opinion there is no point. It is better to provide for radio controlled sockets. Something like this: Which smart lighting and roller shutter solution: Siemens Logo!8 or Satel?
    Then you assign the socket to a device (e.g. an iron), not the device to the socket. You insert the remote control into the controller. So here, unfortunately, you won't get past the soldering, because you have to connect the outputs of the controller with the buttons of the remote control. Look for sockets with a 12V remote control so that you can power it from the controller's power supply.
  • ADVERTISEMENT
  • #39 15898416
    microtomi

    Level 12  
    Posts: 6
    Rate: 4
    Welcome all to the forum intelligent house system on plc controller (sterbox) installation, programming made by me. Controlling lighting, underfloor heating (8 temperature sensors switch electro-valves on pump manifolds and furnace) roller shutters, gates (entrance and garage). In addition, an rs485 translator from zamel is installed to control RGB led light scenes, control via tablet or smartphone. All information about the operation of the sterbox is displayed on a website created by me.
    Attachments:
    • Which smart lighting and roller shutter solution: Siemens Logo!8 or Satel? sterbox 3 podłączenie_small.jpg (89.96 KB) You must be logged in to download this attachment.
    • Which smart lighting and roller shutter solution: Siemens Logo!8 or Satel? sterbox 2 podłączenie_small.jpg (100.9 KB) You must be logged in to download this attachment.
    • Which smart lighting and roller shutter solution: Siemens Logo!8 or Satel? sterbox 1 podłączenie_small.jpg (106.36 KB) You must be logged in to download this attachment.
    • Which smart lighting and roller shutter solution: Siemens Logo!8 or Satel? szafa-rozdzielcza.jpg (1.22 MB) You must be logged in to download this attachment.
    • Which smart lighting and roller shutter solution: Siemens Logo!8 or Satel? panel3.jpg (174.45 KB) You must be logged in to download this attachment.
    • Which smart lighting and roller shutter solution: Siemens Logo!8 or Satel? panel2_oswietlenie_wl.jpg (171.95 KB) You must be logged in to download this attachment.
    • Which smart lighting and roller shutter solution: Siemens Logo!8 or Satel? panel2.jpg (167.84 KB) You must be logged in to download this attachment.
    • Which smart lighting and roller shutter solution: Siemens Logo!8 or Satel? panel1_opuszczanie_rolety.jpg (176.97 KB) You must be logged in to download this attachment.
    • Which smart lighting and roller shutter solution: Siemens Logo!8 or Satel? panel1.jpg (166.05 KB) You must be logged in to download this attachment.
    Company Account:
    MicroT
    Bajdy 213, Wojaszówka, 38-471 | Company Website: www.microt.com.pl
  • #40 15899234
    ditomek
    Level 22  
    Posts: 590
    Help: 24
    Rate: 230
    @lorak86 I propose to do a standard installation but to lead a twisted pair to each of the switch boxes. In addition, I propose to lead such a twisted pair to most (if not all) sockets.
    Plus additionally in strategic places you give extra boxes only with twisted-pair cables.

    In my opinion, this type of cabling offers the greatest potential.

    You have the choice of both standard control via standard switches. If, in 20 years' time, you won't be able to fix anything, just put in a standard button and you're good to go.

    If you want to control from a controller, you put a small relay in the box which is controlled from the controller and the additional wires are used to connect the buttons. There will probably still be something left for temperature measurements.

    Controller: here I suggest an Arduino for starters. I made myself a controller based on the classic arduino mega. Basically out of the box you get 50 IO ports for a ridiculously low price.
    Programming: if you have to learn FBD from scratch, you will learn C for arduino in the same way.

    If you're curious what it looks like I'll post a pic....
  • #41 15899300
    Wojciech.
    Level 37  
    Posts: 3590
    Help: 318
    Rate: 465
    ditomek wrote:
    @lorak86
    Programming: if you have to learn FBD from scratch then so will learning C for arduino.

    If you're curious to see what it looks like I'll post a pic...



    FBD is quite intuitive and simple. With C it's a bit of fun due to the gingerbread pages of catology notes for each uC. Well, unless we are talking about simple if's. Apropos of arduino, it uses mutated C++.


    You could look into cheap ESP8266 modules.
  • #42 15899364
    pafciowaw
    Automation specialist
    Posts: 2439
    Help: 480
    Rate: 364
    ditomek wrote:

    You have a choice of both standard control via ordinary switches. It's just that if you can't get anything right in 20 years' time you'll put in a regular button and the jukebox....


    After 20 years ...then you'll get new cables - because these will be good for nothing.
    Additionally: "twisted pair" is not suitable for 230 V installations - it has a limitation of 50 V. This limitation is due to the insulation. You can let your own house go up in smoke, but don't persuade others to act so unprofessionally.
  • #43 15899494
    MrBool
    Level 11  
    Posts: 30
    Help: 2
    Rate: 9
    pafciowaw wrote:

    Additionally: "twisted pair" is not suitable for 230 V installations - it has a limitation of 50 V. The limitation is the result of the insulation, not the other one. You can let your own house go up in smoke, but don't persuade others to act so unprogressively.


    But I guess the idea was that only the power to the relay coil would be transmitted via twisted pair.
    The downside of such a solution is the energy loss on the long wires.
  • #44 15899521
    piterek-23
    Level 33  
    Posts: 3321
    Help: 162
    Rate: 426
    ditomek wrote:
    If you're curious to see what it looks like I'll upload a photo...

    I for one am very curious to see what it looks like ;)
  • #45 15899548
    pafciowaw
    Automation specialist
    Posts: 2439
    Help: 480
    Rate: 364
    Col. MrBool
    ditomek wrote:
    ...I suggest you do a standard installation but run a twisted pair cable to each of the switch boxes. ...You have the choice of both standard control via ordinary switches. It's just that if you can't fix anything in 20 years' time you put in a regular button and the cupboard plays.


    To me, there is a clear intention to close the current (230V) circuit via switches clipped to said twisted pair (as an alternative to low voltage control from a PLC, of course). That twisted pair is relatively cheap...but you can look for similar cables (multi-pair) with 300-500V insulation.
    As a rule of thumb: it's a minimum of 2 wires, on 4 you can deal with control and regulation, e.g. 0-10V or 0-20 mA. You can hang a sensor on the extra ones. You can?...you can! :)
  • #46 15899676
    ditomek
    Level 22  
    Posts: 590
    Help: 24
    Rate: 230
    @pafciowaw it is really annoying to read comments on things you didn't write.
    I presume you are crediting me with advising a colleague to transmit 230V potentials via twisted pair. I wonder how you have to read my post to come to that conclusion? Next time read carefully. Please do.
    PS.
    Work on your imagination because you really should....
  • #47 15899781
    lorak86
    Level 10  
    Posts: 26
    Rate: 7
    ditomek wrote:
    I'll post a pic if you're curious to see what it looks like....

    If you can then send some pics.
    So far I like the @microtomi option best
    Nice option with a motion detector for the stairs, hall and vestibule. I would still add such an option in the bathrooms.

    I even licked the C language once

    I'm thinking of running just both cables to the switches. A standard 3x1.5mm (to get the installation working before I get the PLC) and a twisted pair for future use.
    As for the twisted pair for the current sockets, I don't really know what for. All the options someone suggested to me (e.g. a socket for an iron that switches itself off after some time) were good but 10 years ago.

    I also don't want to control the cooker and the underfloor heating because I'm making a mechanical ventilation system which rather regulates the temperature for the whole house.
  • ADVERTISEMENT
  • #48 15900263
    ditomek
    Level 22  
    Posts: 590
    Help: 24
    Rate: 230
    lorak86 wrote:

    As for a twisted pair for current sockets, I don't really know what for. All the options someone suggested to me(e.g. a socket under an iron that switches itself off after some time) were good but 10 years ago.


    ... and if only to control a switch in the wall with a lamp connected to a socket. useful for example in a large living room. In lighting scenes and other situations you come up with.
  • #49 15900313
    microtomi

    Level 12  
    Posts: 6
    Rate: 4
    ditomek wrote:
    lorak86 wrote:

    As for the twisted pair for the current sockets I don't really know what for. All the options someone suggested to me(e.g. a socket under an iron that switches itself off after a while) were good but 10 years ago.


    ... and if only to control a switch in the wall with a lamp connected to a socket. useful for example in a large living room. In lighting scenes and other situations that you come up with.


    I am of the same opinion of wiring as much as possible, unless one prefers a wireless system then only a traditional power supply e.g. under a switch in a box or in a socket will suffice. A star type wiring structure everything from a given point to the distribution board.
    Company Account:
    MicroT
    Bajdy 213, Wojaszówka, 38-471 | Company Website: www.microt.com.pl
  • #50 15900714
    ditomek
    Level 22  
    Posts: 590
    Help: 24
    Rate: 230
    Which smart lighting and roller shutter solution: Siemens Logo!8 or Satel?

    Which smart lighting and roller shutter solution: Siemens Logo!8 or Satel?

    as you can see the base of the controller is the most ordinary arduino mega. Galvanic isolation on all digital ports, all com ports are out, one on 485 with automatic flow control, plus a 5 button keypad and status of outputs on red leds (sliding registers). iO organisation: 24 outputs and 26 digital inputs
  • #51 15901442
    pafciowaw
    Automation specialist
    Posts: 2439
    Help: 480
    Rate: 364
    Col. ditomek: upon reflection, I concede your point about the cabling....
    Which smart lighting and roller shutter solution: Siemens Logo!8 or Satel?
    And back to that ...what after 20 years?
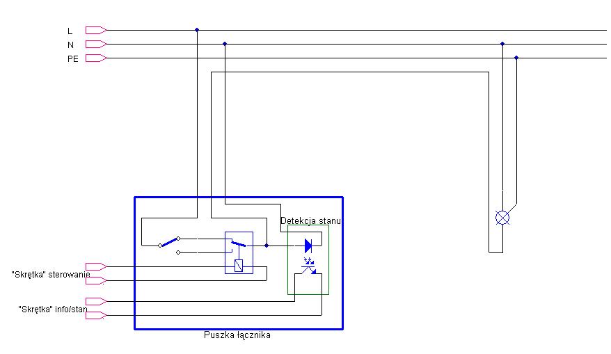
    Maybe immediately provide for a manual switch which, together with a relay, will create a "staircase system" - there will be the possibility of manual control (regardless of the action/inaction of the "intelligence"), detection of the physical power supply of the lamp (to be used in a remote/local application)
    Which smart lighting and roller shutter solution: Siemens Logo!8 or Satel?
    Note: detector drawn symbolically.
    A two-coil bistable relay can be used instead of a relay (you will not need to hold the coil between switches)
ADVERTISEMENT