logo elektroda
logo elektroda
X
logo elektroda

Gate operator HATO 180 - Connection of an external 230V lamp via relay

shl222 1929 17
ADVERTISEMENT
Treść została przetłumaczona polish » english Zobacz oryginalną wersję tematu
  • #1 19778819
    shl222
    Level 10  
    Welcome.

    I'd like to ask you for help, I'm an amateur hence I'm asking, I have some idea about electrics and electronics, I can do something but not everything and that's why I'm asking for help.

    I have a HATO 180 gate operator, there is no output for any warning light etc., but there is a light bulb which illuminates for 3 minutes after the gate is opened and this time is sufficient for me. But the light is not enough for me because it is dark and I would like to connect an external lamp instead of this bulb. I know that this can be done via some kind of relay, but I don't know what kind and where and how to plug it all into the relay.

    So the output from the lamp is 24 volts. The power supply to the lamp is 230 volts.

    Can anyone help what to buy and how to connect it?
  • ADVERTISEMENT
  • #2 19778887
    78db78
    Level 43  
    But 24 volt alternating or constant lamp power?
  • #4 19778952
    shl222
    Level 10  
    78db78 wrote:
    But the power supply to the lamp 24 V variable or fixed?
    Probably fixed on the bulb.
  • ADVERTISEMENT
  • #5 19778965
    gumisie
    Level 43  
    shl222 wrote:
    Probably fixed on the bulb
    Probably, there is a big difference.
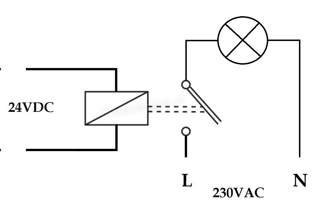
    You could connect the coil of the relay (24 V DC), in parallel with the bulb and the lamp to the contacts:
    shl222 wrote:
    Power supply to the lamp at 230 V.
    .

    Gate operator HATO 180 - Connection of an external 230V lamp via relay .
  • #6 19778967
    shl222
    Level 10  
    Sam Sung wrote:
    Is there such electronics? https://sklep.hato.com.pl/elektronika/156-elektronika-do-napedu-hato-180c.html
    Do you have assembly instructions, especially a description of the connectors?
    .

    Yes it is.
    Attachments:
    • Gate operator HATO 180 - Connection of an external 230V lamp via relay Screenshot_20211223-153928_Chrome.jpg (330.34 KB) You must be logged in to download this attachment.
    • Gate operator HATO 180 - Connection of an external 230V lamp via relay Screenshot_20211223-153955_Chrome.jpg (209.26 KB) You must be logged in to download this attachment.
  • #7 19779132
    shl222
    Level 10  
    gumisie wrote:
    shl222 wrote:
    probably fixed on the bulb
    Probably, there's a big difference.
    You could connect the coil of the relay (24VDC), in parallel with the bulb and the lamp to the contacts:
    shl222 wrote:
    Power supply to the lamp at 230V.
    .

    Gate operator HATO 180 - Connection of an external 230V lamp via relay
    .

    Something like that?
    Attachments:
    • Gate operator HATO 180 - Connection of an external 230V lamp via relay Screenshot_20211223-170750_Chrome.jpg (424.52 KB) You must be logged in to download this attachment.
  • ADVERTISEMENT
  • #8 19779175
    gumisie
    Level 43  
    shl222 wrote:
    Such a thing?
    I won't answer you unequivocally, but I suppose it could be 'suitable'.
  • #10 19779183
    shl222
    Level 10  
    Okay, and now I'll add something else. One 230 volt lamp so that it lights up from two drives/bulbs alternately. Because I have two drives. ;) .
  • #11 19779190
    alster1
    CCTV and Stationary Alarms specialist
    shl222 wrote:
    Something like this?
    .
    This relay is not suitable for switching 230 V circuits.
  • ADVERTISEMENT
  • #13 19779199
    alster1
    CCTV and Stationary Alarms specialist
    shl222 wrote:
    Good, and now I'll add something else. One 230 volt lamp so that it lights up from two drives/bulbs alternately. Because I have two drives. ;)
    .
    A separate relay for each drive, and their actuating contacts connected in parallel.
  • #14 19779218
    gumisie
    Level 43  
    alster1 wrote:
    This relay is not suitable for switching 230 V circuits.
    Hence:
    gumisie wrote:
    I will not answer you unequivocally,
    But, in my opinion, the lack of description: 230 V AC does not prove anything.
    In the case of this relay, it's rather more about the ceki voltage and the maximum contact current at 24 V DC. :cry: .
  • #15 19779243
    shl222
    Level 10  
    78db78 wrote:
    But how to alternate?


    Two gates one lamp. And once one opens the other time the other, but the light is supposed to come on one
  • Helpful post
    #16 19779269
    gumisie
    Level 43  
    shl222 wrote:
    Two gates one light. And once will open one other time the other but the light has to light up one
    alster1 wrote:
    For each drive a separate relay, and their actuating contacts connected in series
    Rather; Parallel and separate the relay coils with diodes?

    E.g.: Gate operator HATO 180 - Connection of an external 230V lamp via relay .
    :?: .
  • #17 19779405
    alster1
    CCTV and Stationary Alarms specialist
    gumisie wrote:
    Rather; In parallel and separate the relay coils with diodes?
    .
    Actually, a slip of the tongue, sorry already corrected.
  • #18 19781313
    pafciowaw
    Automation specialist
    These isolation diodes (in post #16) are unnecessary...since the coils are fed from two different drives.

Topic summary

The discussion revolves around connecting an external 230V lamp to a HATO 180 gate operator, which lacks a dedicated output for warning lights. The user seeks guidance on using a relay to achieve this connection. Various responses suggest using a relay with a 24V DC coil connected in parallel with the existing bulb. Recommendations include specific relay models and configurations for alternating the lamp between two gate operators. The importance of ensuring the relay can handle 230V circuits is emphasized, along with the potential use of isolation diodes for separate relay coils.
Summary generated by the language model.
ADVERTISEMENT