logo elektroda
logo elektroda
X
logo elektroda

Flashed OpenBK7231T but dont know how to get the correct pinout

yamacore 1848 8
ADVERTISEMENT
  • #1 20547770
    yamacore
    Level 3  
    Posts: 5
    Hello there,

    I'm pretty newish on openbk, I dumped the original tuya/iwiik whatever firmware with the bk7231 easy uart flasher. Then flashed openbk but the pinout seems to be my current problem.
    It's a wifi/ir controlled led rgb strip controller. The pinout on the tuya site itself seems to be off as it got WB3S and TYWE3L-2-V2.1 printed onto it.
    Maybe someone here could do the magic and tell me the pinout that lets all buttons and ir work again, thanks in advance. iwiik_tria...K7231T.bin (2 MB)You must be logged in to download this attachment.
  • ADVERTISEMENT
  • #2 20548164
    p.kaczmarek2
    Moderator Smart Home
    Posts: 14397
    Help: 650
    Rate: 12321
    Hello, please try the following configuration:
    - Red - P9 - set channel 1
    - Green - P24 - set channel 2
    - Blue - P26 - set channel 3
    - Cool - P8 - set channel 4
    - Warm - P6 - set channel 5

    I haven't found anything related to IR in that, you might need to try one by one or give some photos from the device inside.

    Also please provide more information on this device (model name, photos ,packaging photos, where it was bought) so we can add it to our templates list.
    Helpful post? Buy me a coffee.
  • ADVERTISEMENT
  • #3 20548204
    yamacore
    Level 3  
    Posts: 5
    That was my plan when I got it all running, but I can just add them now.
    About the PWM's I already sorted those out, I would need help about the IR and the buttons seen on picture
    IMG_20230420_104006 (Picture4)
    Flashed OpenBK7231T but dont know how to get the correct pinout Flashed OpenBK7231T but dont know how to get the correct pinout Flashed OpenBK7231T but dont know how to get the correct pinout Flashed OpenBK7231T but dont know how to get the correct pinout Flashed OpenBK7231T but dont know how to get the correct pinout Flashed OpenBK7231T but dont know how to get the correct pinout Flashed OpenBK7231T but dont know how to get the correct pinout
  • #4 20548221
    p.kaczmarek2
    Moderator Smart Home
    Posts: 14397
    Help: 650
    Rate: 12321
    Do you have a multimeter? That way you could figure it out really fast.
    Helpful post? Buy me a coffee.
  • #5 20548328
    yamacore
    Level 3  
    Posts: 5
    yes I got one but sadly my multimeter does not support a continuity test
  • ADVERTISEMENT
  • #6 20548353
    p.kaczmarek2
    Moderator Smart Home
    Posts: 14397
    Help: 650
    Rate: 12321
    What about a resistance check?

    Put one probe at IR solder joint and check with second probe all solders pads of WIFI module:
    Flashed OpenBK7231T but dont know how to get the correct pinout
    Helpful post? Buy me a coffee.
  • ADVERTISEMENT
  • #7 20548375
    yamacore
    Level 3  
    Posts: 5
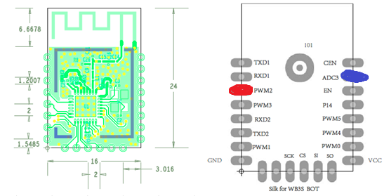
    I'm glad I can learn something new, but I don't get the pinout still in the picture from tuya wb3s Flashed OpenBK7231T but dont know how to get the correct pinout I marked where the red and blue IR cable goes how are these pins displayed in the webinterface?
  • #8 20548380
    p.kaczmarek2
    Moderator Smart Home
    Posts: 14397
    Help: 650
    Rate: 12321
    IR has a single pin. Futhermore, the image you marked is WB3S bottom view, not a top one.

    For IR, please set IRRecv role in pins config.

    Are you sure about those connections?

    Black IR cable is GND, Blue IR cable is signal, red IR cable is VDD - 3.3V.
    Flashed OpenBK7231T but dont know how to get the correct pinout
    Helpful post? Buy me a coffee.
  • #9 20548393
    yamacore
    Level 3  
    Posts: 5
    Yes the red one got a connection on EN and VCC then if i switch it based on the info i got
    So the blue one is rxd1

    Added after 34 [minutes]:

    i checked the middle button on/off goes to rxd2 i changed it to btn and it works
    i set rxd1 to irrecv but it seems not to do anything do i need to set anything more special?

    EDIT: I did restarts but it seems IR does not work got all other buttons working now tho

    Added after 1 [hours] 54 [minutes]:

    In the documentation i found this:
    IREnable [Str][1or0] Enable/disable aspects of IR. IREnable RXTX 0/1 - enable Rx whilst Tx. IREnable [protocolname] 0/1 - enable/disable a specified protocol

    EDIT2: Maybe i need to configure something more? with IR connected to rxd2 i get this in the logs:
    Debug:IR:IR decode returned true, protocol NEC (7)
    Info:IR:IR IR_NEC 0x0 0xD 1
    Debug:IR:IR fire event took 0ms
    Debug:IR:IR decode returned true, protocol 7
    Debug:IR:Address=0x0 Command=0xD
    Debug:IR:Repeat
    Debug:IR: Gap 94000us

    but when i type IREnable anycombo i get "cmd IREnable NOT found (args anycombo)"

Topic summary

✨ A user seeking assistance with the pinout configuration for a flashed OpenBK7231T WiFi/IR controlled RGB LED strip controller encountered issues with the IR functionality after dumping the original firmware and flashing OpenBK. Initial suggestions included specific pin assignments for RGB channels and advice on using a multimeter for testing connections. The user confirmed the functionality of buttons but struggled with the IR setup, needing to configure the IRRecv role and troubleshoot connections. Further discussions revealed the need to enable IR settings in the documentation, with the user sharing debug logs indicating attempts to decode IR signals.
Generated by the language model.
ADVERTISEMENT