logo elektroda
logo elektroda
X
logo elektroda

Flashing OBK7231N/CB2S Firmware on Tuya UK 20A Smart WiFi Plug via Web IP 192.168.175.1

khafif 2964 2
ADVERTISEMENT
  • #1 20642895
    khafif
    Level 5  

    HI, I have the Tuya UK 20A Smart WiFi Plug Model: WHDZ03, can we upload the OBK7231N/CB2S firmware using the web page of the device IP 192.168.175.1 since we have the IP address of the device AP, I tried to access the page but no access.

    It is very difficult (if impossible) to connect the serial connections to flush it, attached photos for reference. Thank you.

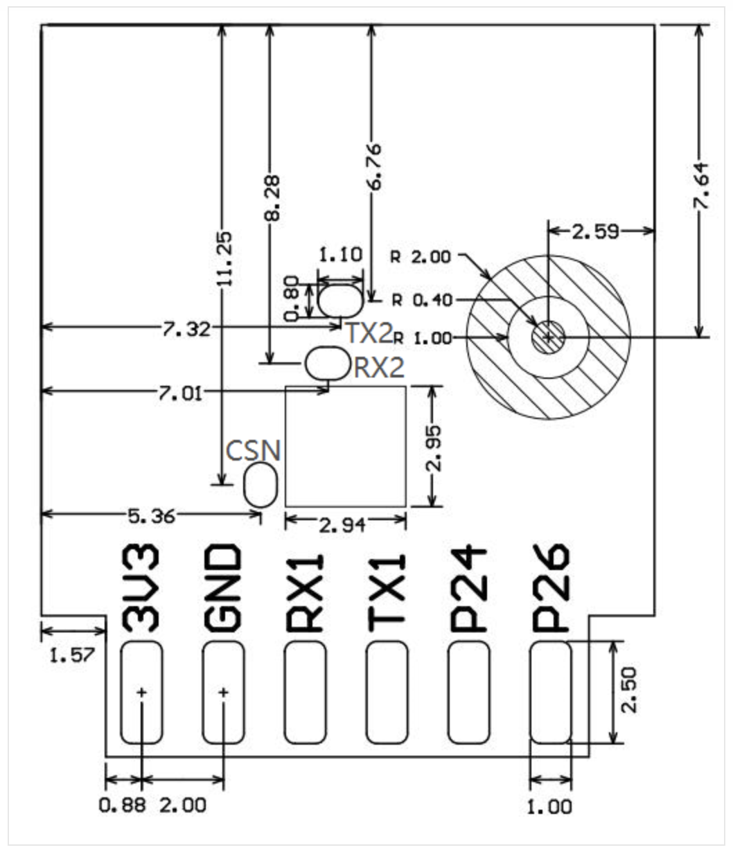
    Note: the BK7231N/CB2S does not show the RX1, I could not find it.

    Flashing OBK7231N/CB2S Firmware on Tuya UK 20A Smart WiFi Plug via Web IP 192.168.175.1 Flashing OBK7231N/CB2S Firmware on Tuya UK 20A Smart WiFi Plug via Web IP 192.168.175.1 Flashing OBK7231N/CB2S Firmware on Tuya UK 20A Smart WiFi Plug via Web IP 192.168.175.1 Flashing OBK7231N/CB2S Firmware on Tuya UK 20A Smart WiFi Plug via Web IP 192.168.175.1 Flashing OBK7231N/CB2S Firmware on Tuya UK 20A Smart WiFi Plug via Web IP 192.168.175.1 Flashing OBK7231N/CB2S Firmware on Tuya UK 20A Smart WiFi Plug via Web IP 192.168.175.1
  • ADVERTISEMENT
  • #2 20644396
    cuemaxx
    Level 2  

    Hi,

    I don't know for sure whether it's possible to upload openbeken over the air (OTA) from the original software, but I don't think that's possible since then it would be a very easy and popular solution which you would find in every tutorial.
    Since every tutorial describes flashing via UART, I guess that's the only way to go.

    I am very certain that 'RX2' between 'TX1' and 'GND' is a mistake on the silkscreen since in the official datasheet for this module (see picture), there should be 'RX1' at this place.

    There is a high chance that RX1 and TX1 are not connected to the main PCB, so you would not find any traces on the main PCB. To access them, you would need to desolder 'N-In' and 'L-In' (see picture). That's what currently keeps the main PCB attached to the rest of the unit.
    Afterwards, you can access RX1 and TX1 by soldering to the solder blobs between the module and the main PCB.

    Good luck!
    Flashing OBK7231N/CB2S Firmware on Tuya UK 20A Smart WiFi Plug via Web IP 192.168.175.1
    Flashing OBK7231N/CB2S Firmware on Tuya UK 20A Smart WiFi Plug via Web IP 192.168.175.1
  • #3 20645386
    p.kaczmarek2
    Moderator Smart Home

    To the best of my knowledge, it's just not possible. Knowing the IP address of your Tuya device won't help. For Tuya products, you can try to use external exploits like tuya-convert or tuya-cloudcutter, but they are a different story and the second one is very limited, as it requires the device to already have a profile in order to be supported.

    I think @cuemaxx is right, you should try the desoldering approach. You can also check out our video guides related to IoT device programming:
    https://www.youtube.com/@elektrodacom
    Helpful post? Buy me a coffee.
ADVERTISEMENT