logo elektroda
logo elektroda
X
logo elektroda

BL0973 Energy Meter Integration for NEO Power Socket: Missing Resistor Placement Guide

tadeu1 354 5
ADVERTISEMENT
  • #1 21809130
    tadeu1
    Level 5  
    Posts: 80
    Help: 2
    Rate: 3
    Need help to add BL0973

    I have for power socket from NEO (Brazil) and dont have the energy meter
    I bought 10 BL0973 , but is missins some resistors
    and I'm not specialist
    someone can show what and where I have to add ?

    this is mine

    Close-up of a green PCB with electronic components and an Ethernet port



    I add another one with resistors
    Close-up of PCB with push button, capacitors, and electronic chips
  • ADVERTISEMENT
  • #2 21809337
    p.kaczmarek2
    Moderator Smart Home
    Posts: 14416
    Help: 650
    Rate: 12371
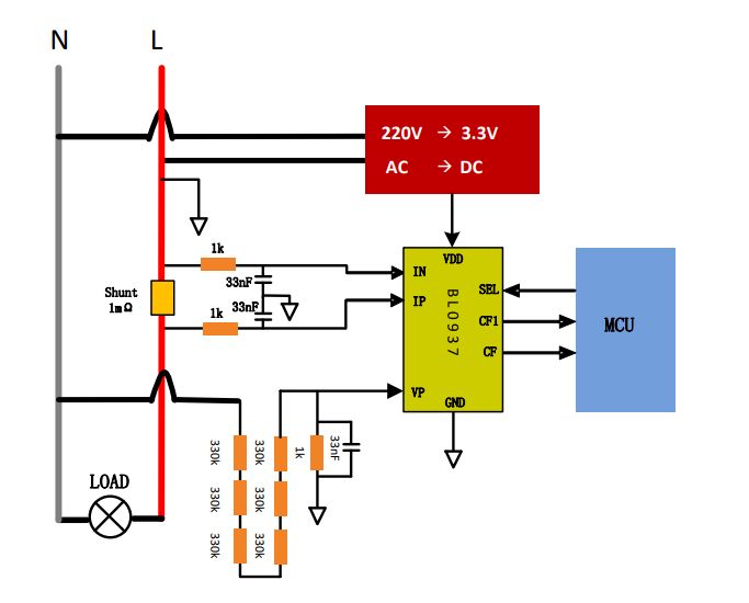
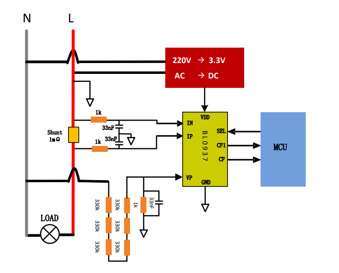
    You have two options, first is to measure or read which values are used in the original product, and second is to try to derive them from BL0937 datasheet.
    Energy metering diagram with BL0937 IC, shunt resistor and microcontroller
    BL0937_V1..._en.pdf (406.09 kB)You must be logged in to download this attachment.
    Helpful post? Buy me a coffee.
  • ADVERTISEMENT
  • #3 21809341
    p.kaczmarek2
    Moderator Smart Home
    Posts: 14416
    Help: 650
    Rate: 12371
    Interestingly enough, your non-BL0937 socket has already shunt resistor installed.
    Helpful post? Buy me a coffee.
  • ADVERTISEMENT
  • #4 21809469
    tadeu1
    Level 5  
    Posts: 80
    Help: 2
    Rate: 3
    >>21809337 I dont have a similar with the BL, I just get another one from other brand, but youd diagram will very helpful
  • ADVERTISEMENT
  • #5 21809519
    p.kaczmarek2
    Moderator Smart Home
    Posts: 14416
    Help: 650
    Rate: 12371
    Wait a moment, I was sure you have a piece with BL0937 as well. I can see you uploaded two photos of the same socket model - one with BL0937, second without it?
    Helpful post? Buy me a coffee.
  • #6 21809537
    tadeu1
    Level 5  
    Posts: 80
    Help: 2
    Rate: 3
    I have probably 6 different models with bl0973, but no one from NEO WITH the BL inside , they dont have it ;-(
    If they have I just copy and past the resistors huahauhua
ADVERTISEMENT