Hello
I am new to the field of Home Assistant automation. I have around 19 devices for my new home, all of them Tuya devices, bought on Temu.
Yes, maybe it was not the best choice, but they were cheap, and I was full of enthusiasm to buy them since I moved into my new house. Rented house.
So, I have:
- 3 flood sensors - battery powered - https://share.temu.com/i287eu4yWaB
- 4 thermometer and humidity sensors - battery powered - RSH-TH03-V1.1 - https://share.temu.com/dWTvvuKVjFB
- 7 smart curtain switches -
- 5 smart plugs -
Although I can manage them through the official Tuya integration, I want to get rid of the cloud. I want to be fully offline.
From what I saw, all of them have the BK7231N chip inside. I want to flash OpenBK firmware to go fully offline, and also to be able to set the update time for the sensors, so that I can finish my automations.
I do not know electronics since I am a developer, but I know how to follow instructions, and I have some very limited knowledge about electronics.
Can you please help with some answers to some questions?
1. Is it a good idea to flash battery-powered devices with OpenBK firmware? Will the battery drain faster? I want data reports every 5 minutes or so.
2. Do you think it is a good idea for me to flash all my devices with OpenBK firmware? I do not need very complex configuration, only the basic, but fully offline.
3. Do I only need to find the GND, RX, TX, and CEN pins, and I am good to go? I will have an adapter to plug it into laptop USB (Convertor USB CH340G RS232 TTL UART 3.3/5V, Programator pentru Citire TX/RX, Cip CH340G, Pini RX, TX, 3.3V, 5V, GND)
4. All of my devices are Wi-Fi devices. Will they become MQTT devices? Will I need an MQTT adapter in Home Assistant?
Sorry for all the noob questions.
Thank you very much
P.S.
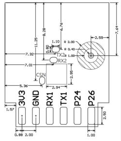
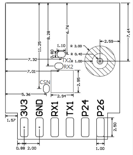
I attached some pictures with the devices, and with the BRM board I bought to flash the firmware.
P.S2
I also extracted all the information I could get from Tuya IoT platform, but unfortunately not so much in there. I can upload the JSONs if needed
AI: Could you please provide the exact model numbers or product links for your Tuya devices (especially the battery-powered sensors and switches), so we can check for any device-specific flashing instructions or compatibility issues with OpenBK?
I provided some models, but I do not have all the models
AI: Have you checked if your specific device models have already been successfully flashed with OpenBK by others, or if there are any known issues or special steps required for your devices?
Not yet, since I first need some general questions answered
I am new to the field of Home Assistant automation. I have around 19 devices for my new home, all of them Tuya devices, bought on Temu.
Yes, maybe it was not the best choice, but they were cheap, and I was full of enthusiasm to buy them since I moved into my new house. Rented house.
So, I have:
- 3 flood sensors - battery powered - https://share.temu.com/i287eu4yWaB
- 4 thermometer and humidity sensors - battery powered - RSH-TH03-V1.1 - https://share.temu.com/dWTvvuKVjFB
- 7 smart curtain switches -
- 5 smart plugs -
Although I can manage them through the official Tuya integration, I want to get rid of the cloud. I want to be fully offline.
From what I saw, all of them have the BK7231N chip inside. I want to flash OpenBK firmware to go fully offline, and also to be able to set the update time for the sensors, so that I can finish my automations.
I do not know electronics since I am a developer, but I know how to follow instructions, and I have some very limited knowledge about electronics.
Can you please help with some answers to some questions?
1. Is it a good idea to flash battery-powered devices with OpenBK firmware? Will the battery drain faster? I want data reports every 5 minutes or so.
2. Do you think it is a good idea for me to flash all my devices with OpenBK firmware? I do not need very complex configuration, only the basic, but fully offline.
3. Do I only need to find the GND, RX, TX, and CEN pins, and I am good to go? I will have an adapter to plug it into laptop USB (Convertor USB CH340G RS232 TTL UART 3.3/5V, Programator pentru Citire TX/RX, Cip CH340G, Pini RX, TX, 3.3V, 5V, GND)
4. All of my devices are Wi-Fi devices. Will they become MQTT devices? Will I need an MQTT adapter in Home Assistant?
Sorry for all the noob questions.
Thank you very much
P.S.
I attached some pictures with the devices, and with the BRM board I bought to flash the firmware.
P.S2
I also extracted all the information I could get from Tuya IoT platform, but unfortunately not so much in there. I can upload the JSONs if needed
AI: Could you please provide the exact model numbers or product links for your Tuya devices (especially the battery-powered sensors and switches), so we can check for any device-specific flashing instructions or compatibility issues with OpenBK?
I provided some models, but I do not have all the models
AI: Have you checked if your specific device models have already been successfully flashed with OpenBK by others, or if there are any known issues or special steps required for your devices?
Not yet, since I first need some general questions answered
