logo elektroda
logo elektroda
X
logo elektroda

Mini 1080p wifi camera from Aliexpress, how to use without app (FtyCamPro)?

Wuppiduppi 60798 202
Best answers

How can I use this AliExpress mini Wi‑Fi camera without the FtyCamPro app?

Open the case, identify the chip, and replace the vendor firmware with an open build; for TXW817-810 cameras the thread settled on OpenTXW81X, flashed with a C-SKY/CK-Link style programmer via an STM32F103 “blue pill,” after first making a backup of the original flash. [#20946151] [#20946175] [#20946214] After flashing, the camera creates its own AP (typically 192.168.4.1); connect to it in the browser, set your Wi‑Fi settings, and start the stream with `startdriver TXWCAM`. [#21645812] [#21645938] The live feed is then available as RTSP at `rtsp://{ip}:7070/webcam`, and at least one user confirmed the camera sensor worked with the open firmware. [#21695014] [#21645946] If your board turns out to be the BK7252UQN48 variant instead, there is a separate open firmware project for that chip. [#20946175] [#20946214]
Generated by the language model.
ADVERTISEMENT
  • Helpful post
    #151 21699698
    divadiow
    Level 38  
    d1nuc0m wrote:
    Thanks, I'll try it ASAP, my Windows box is KO actually... Is it somehow possible to flash these chips under Linux? (Just a small hope, I know it's closed hw+source)


    I only see a Windows version of C-SKY Flash Programmer, but the XuanTie DebugServer should be able to do it too - command line though. I've done a backup/flash before with it I think but don't see a record of it.

    Here can be seen debug server use example https://www.elektroda.com/rtvforum/topic4120455.html#21643718
    Attachments:
    • XuanTie-DebugServer-linux-x86_64-V5.18.5-20250612.sh.tar.gz (2.33 MB) You must be logged in to download this attachment.
  • ADVERTISEMENT
  • #152 21703262
    insmod
    Level 31  
    Boot log from IOT_v1.2 D250609 from DP pin
    [0]40 00 17 00 57 0a 12 a0
    [0]28 6e 00 00 00 00 00 00
    [0]00 00 00 00 00 00 00 00
    [0]41 28 92 06 72 60 46 b7
    [0]8a 65 89 77 65 67 00 00
    [0]80 00 b9 da a2 0b 00 00
    [0]00 21 00 00 ff 08 00 00
    [0]00 00 00 00 0d 90 07 00
    [0]00 00 00 40 08 84 40 08
    [0]8c c0 08 8c c0 08 8c 03
    [0]08 02 7e e4 07 ee f3 3e
    [0]ef ef 3e 0f e1 00 00 fe
    [0]00 fc ff fd 0f a0 f6 04
    [0]fa fe fc fc fe 1f 00 18
    [0]00 03 dc 00 00 00 00 0a
    [0]00 00 00 00 00 91 e6 00
    [0]f0 3c 0f
    [0]validity: 1676500d
    
    ** hgSDK-v2.5.2.7-28721, app-0, build time:Aug  9 2025 17:17:42 **
    **   libcore v2.5.2.7-28721, build time:May 11 2024 15:58:34
    **   libnetutils v2.5.2.7-28721, build time:May 11 2024 15:58:51
    **   libcommon v2.5.2.7-28721, build time:May 11 2024 15:58:39
    **   libosal v2.5.2.7-28721, build time:May 11 2024 15:58:34
    **   libatcmd v2.5.2.7-28721, build time:May 11 2024 15:58:40
    **   liblmac v2.5.2.7-28721, build time:May 11 2024 15:59:06
    **   libwifi v2.5.2.7-28721, build time:May 11 2024 15:59:15
    ------------------------------------------------------------------
    [0] ------- system restart fault -----------
    [0] ---------------------------------------
    [1]freemem:172968
    [2]custom_mem_init:2000d4dc
    [5]custom mem sram:56960
    [7]skbpool init, total:44928 (0x20038c80~0x20043c00), max per:80%
    [13]syscfg_read OK!
    CUSTOM_PARAM_Init:402 >> -------- parameter init ok----------!!!!!
    CUSTOM_PARAM_Init:404 >> -------- pParamInfo->paramVersion:8,pInfo->data.magic_num:4660----------!!!!!
    [30]erase flash, 1 sectors ...
    [34]write flash, 512 bytes ...
    [37]verify flash ... OK
    [39]switch syscfg partition ... OK
    [42]syscfg_write OK! (addr:ff000, crc=6433, size:512, last_addr:fe000)
    CUSTOM_PARAM_Init:445 >> mac:40 28 92 60 72 98!!!!!!
    CUSTOM_PARAM_Init:447 >> -------- ssid: ,password: ----------!!!!!
    [59]main:384 ------------------TX817_D firmware version:TXW817_D_V1.0.0.10 -----------------!!!!!
    [68][CUSTOM_WDT_Init::223] wdt init ok!
    [71]CUSTOM_RECORD_SetRecordMode:151 >>>>>>>>>>>>>>>>>>> recordMode:1 
    get_fatfree 0KB
    [79]CUSTOM_RECORD_Init:928 >>>>>>>>>>>>>>>>>>> free size:0 
    [84]CUSTOM_RECORD_Init:931 >>>>>>>>>>>>>>>>>>> RecordWriteFrameHandle:0x2001bd50 
    [91]jpeg_strea[98]ADKEY baud:239
    [98]*** open ADC success!
    [99]*** add success: ADC channel cnt = 1, name:13
    JPG start
    [102]csi_test start,iic init
    [104]iic init finish,sensor reset & set sensor clk into 6M
    hgdvp_set_baudrate:clock:480000000
    mate:clock:480000000
     Check sensor id
    [119]sensorCheckId:1035 -----read addr:00, read id:ff, sensor id:9B!!!!!
    [126]sensorCheckId:1035 -----read addr:00, read id:ff, sensor id:A0!!!!!
    [132]sensorCheckId:1035 -----read addr:fffffff0, read id:ff, sensor id:BB!!!!!
    [140]sensorCheckId:1035 -----read addr:fffffff1, read id:ff, sensor id:10!!!!!
    [147]sensorCheckId:1035 -----read addr:02, read id:0c, sensor id:0C!!!!!
    [153]id =c num:4 
    [155]Auto Check sensor id finish
    [158]mclk:24000000MHz
    hgdvp_set_baudrate:clock:480000000
    [163]init:180655a0 u8Addrbytnum:1,u8Databytnum:1
    [167]SENSER....init
     byt[237]init table num:444
    [239]SENSR ident ok:240*320
    [241]csi init start  --
    [243]csi set size ====>240*320
    [246]csi dvp_size_set
    [248]csi IRQ init
    [250]dvpirq_register:1 18025f10  18025f10
    [254]dvpirq_register:0 18025efc  18025efc
    [257]vppirq_register:0 18025d5c  18025d5c
    [261]vppirq_register:2 18025d58  18025d58
    [265]vppirq_register:3 18025ecc  18025ecc
    [269]vppirq_register:4 18025ee0  18025ee0
    [272]vppirq_register:5 18025d48  18025d48
    [276]vppirq_register:6 18025d38  18025d38
    [280]vppirq_register:7 18025d20  18025d20
    [283]csi IRQ init finish,start get data
    [287]hardware_init:176 ------------------ sensor init ok -----------------!!!!!
    [294]open_width:1
    [296]enable sdio irq
    [298]host->flags:34
    [299]clk:400000 width:1 power:UP
    n[303]CUSTOM_ACCESSORY_FuncThread:335 -----------start accen---start accessory function thread!![311]opco[312]clk:400000 width:1 power:ON
    sfunc  ---------------------d00000 width:1 power:ON
    deo_app opcode_func  --------------------[324]read timeout pending set or rsp err:1 0
    [328]SEND_IF_COND cmd err
    audio_adc_init:408 ####################### audio_adc_init &&&&&&&&&&&&&&&&&&&&&&
    [341]auadc power on
    [343]audio efuse aubias_sel_vref100_vdd: 6
    [346]audio efuse aubias_sel_vcmau_vdd: 11
    [350]audio efuse aubias_sel_vcc27au_vdd: 0
    [354]audio ic aubias_sel_vref100_vdd: 6
    [358]audio ic aubias_sel_vcmau_vdd: 11
    [361]audio ic aubias_sel_vcc27au_vdd: 4
    -------------------- APSSID:ZIOTA_
    [368]custom_wifi_init:1843 ------------------ wifi mode:2!!!!!
    [374]lmac rx info size:36
    [376]GAP0 : 20037880
    [378]GAP1 : 20038c78
    [380]lmac rx buff:20037888, size:5104, hw rx buff size:2048, ampdu:0, max ampdu size:0
    [388]lmac priv: 20021d64
    [390]lmac tx  : 20022180
    [392]lmac rx  : 2002334c
    [394]lmac ble rx: 00000000
    [397]pack:10, bios_id:3
    [399]use AMPM DPD!
    [401]verf:0x7, ibpt:0xb, ibct:0xa, iref:0x6
    [405]verfvco_trim:0x8, verfcp_trim:0x5, verfdiv_trim:0x5
    [410]verfdsm_trim:0x4, verfvcc25_trim:0x1
    [414]da cap:8, da gain:1
    [418]txdcoc from:1, i:-1, q:8
    [421]tx imb from:1, pm:121, gm:13
    [424]rx dcoc from:1
    [426]g:0, ana:2112, i:5, q:0
    [428]g:1, ana:2112, i:10, q:1
    [431]g:2, ana:2112, i:10, q:0
    [434]g:3, ana:2240, i:1, q:4
    [437]g:4, ana:2240, i:1, q:4
    [439]g:5, ana:2240, i:1, q:3
    [442]g:6, ana:2240, i:1, q:4
    [444]g:7, ana:2240, i:3, q:8
    [447]rx imb from:1
    [449]g:0, 8086, 4065
    [451]g:1, 8100, 4065
    [452]g:2, 8090, 4063
    [454]g:3, 8094, 4065
    [456]g:4, 8092, 4061
    [458]g:5, 8092, 4064
    [460]g:6, 8094, 4062
    [462]g:7, 8096, 4065
    [464]time offset:0, 24
    [466]lmac test: 20023af4
    [468]set_bss_bw: 20M
    [470]lmac_bgn_lo_freq_set: 2432
    [474]set rts_threshold =2304
    [477]lmac set mac0 addr:40:28:92:60:72:98
    [481]*** add success: ADC channel cnt = 2, name:257
    [482]*** add success: ADC channel cnt = 3, name:258
    [483]*** add success: ADC channel cnt = 4, name:262
    [485]*** delete success: ADC channel cnt = 3
    [489]lmac_bgn_lo_freq_set: 2412
    [493]set rts_threshold =1600
    [495]set ac= 0 aifs= 2 cw_min= 15 cwmax= 1023 txop= 79
    [500]set ac= 1 aifs= 6 cw_min= 15 cwmax= 1023 txop= 79
    [505]set ac= 2 aifs= 1 cw_min= 7 cwmax= 15 txop= 128
    [509]set ac= 3 aifs= 1 cw_min= 3 cwmax= 7 txop= 65
    [514]lmac set mac0 addr:40:28:92:60:72:98
    [518]ieee80211_ap_ioctl:165::set channel 1
    [1161]vif2 state WPA_DISCONNECTED -> WPA_COMPLETED
    acs...
    freq   bgrssi   ap    rx_sync   rx_err   txcnt     txtime   =>  noise factor
    -
    01FFA4
    [1178]src open_ref:1
    [1180]CUSTOM_RECORD_WriteFrameThr:745 -----------  CUSTOM_RECORD_WriteFrameThr start ----------------!!!!!
    [1189]CUSTOM_RECORD_WriteFrameThr:760 ----------------- sdcard status:0  testFlag:0, recordMode:1, readyFlag:0, apFormat:0, liveviewFlag:0, otaFlag:0!!!!!
    2412    -81     2     12        2        38        151434       3985        
    2417    -80     0     1         2        43        150539       4550        
    2422    -82     2     2         2        43        151280       3518        
    2427    -81     0     0         3        45        151830       3374        
    2432    -81     0     0         0        46        149824       3257        
    2437    -81     2     3         4        47        152443       3243        
    2442    -74     1     1         1        47        151907       4395        
    2447    -82     4     4         4        45        151315       3362        
    2452    -82     1     2         5        40        152598       3814        
    2457    -83     1     3         16       48        153235       3192        
    acs result: freq=2457, nf=3192
    acs done
    [2779]add w0 interface!
    [2781]custom_sys_network_init:614 >>>>>>>>>>>>>>>>>>>>>> custom_sys_network_init end !!! <<<<<<<<<<<<<<<
    eloop_init:287::start
    user_eloop_[2794]custom_sys_dhcpd_start:294 ------------------------ start dhcpd ----------------------!!!!!
    [2803]dns sock :2
    CUSTOM_BLE_Start:49 :: >>>>>>>>>>>>>>  CUSTOM_BLE_Start!!!!!
    [2810]ble_ll: set adv data, len=28
    [2813]ble_ll: set scan_resp data, len=31
    [2817]ble_ll: set adv en:1
    [2819]ble_ll: set coexist en:1, decrease duty cycle:0
    [2913]
    
    set ble mode = 0 
    
    [2916]custom_wifi_init:1895 -----------start custom wifi task init -----------------!!!!!
    port:7070   fd:3
    [2925]set_video_track:364
    [2928]set_video_track source->track[t]:0   rtp:20027F64
    [2932]live audio_ex:20027F14
    [2936]read timeout pending set or rsp err:1 0
    sdh_loop:1242 :: >>>>>>>>>>>>>>  sdh no online!!!!!
    [2945]open_width:1
    [2947]enable sdio irq
    [2949]host->flags:34
    [2951]clk:400000 width:1 power:UP
    r0000 width:1 [2956]custom_wifi_task_thread:1652 -----------start custocustom_wifi_ap_recv_thread:146[2964]clk:400000 width:1 power:ON
    4ON
    8266 success <<<<<<<<<<<[2971]custom_wifi_task_thread:1660 ----patus:0!!!!![2976]read timeout pending set or rsp err:1 0
    [2981]SEND_IF_COND cmd err
    
    <<<<<<<<<<!
    Listen port 826-r:1 0
    -----------------0106---------0[2992]custom_wifi_ap_recv_thread:1480 ---------1ead:1480 ---------- start l- start listen loop serverSocketFd:4----------------
    [3483]read timeout pending set or rsp err:1 0
    sdh_loop:1242 :: >>>>>>>>>>>>>>  sdh no online!!!!!
    [3492]open_width:1
    [3494]enable sdio irq
    [3496]host->flags:34
    [3498]clk:400000 width:1 power:UP
    [3511]clk:400000 width:1 power:ON
    [3523]read timeout pending set or rsp err:1 0
    [3527]SEND_IF_COND cmd err
    [4030]read timeout pending set or rsp err:1 0
    sdh_loop:1242 :: >>>>>>>>>>>>>>  sdh no online!!!!!
    [4039]open_width:1
    [4041]enable sdio irq
    [4043]host->flags:34
    [4045]clk:400000 width:1 power:UP
    [4058]clk:400000 width:1 power:ON
    [4070]read timeout pending set or rsp err:1 0
    [4074]SEND_IF_COND cmd err
    [4102]type 2: drop adv data
    [4577]read timeout pending set or rsp err:1 0
    sdh_loop:1242 :: >>>>>>>>>>>>>>  sdh no online!!!!!
    [4586]open_width:1
    [4588]enable sdio irq
    [4590]host->flags:34
    [4592]clk:400000 width:1 power:UP
    [4605]clk:400000 width:1 power:ON
    [4617]read timeout pending set or rsp err:1 0
    [4621]SEND_IF_COND cmd err
    [5124]read timeout pending set or rsp err:1 0
    sdh_loop:1242 :: >>>>>>>>>>>>>>  sdh no online!!!!!
    [5133]open_width:1
    [5135]enable sdio irq
    [5137]host->flags:34
    [5139]clk:400000 width:1 power:UP
    [5152]clk:400000 width:1 power:ON
    [5165]read timeout pending set or rsp err:1 0
    [5169]SEND_IF_COND cmd err
    --------------------
    local:40:28:92:60:72:98
        bios:3, pack:10 
        pwr idx: 0
        chip-temperature: 42
        freq:2412, bg_rssi:-81
        cca: -70, -60, -62
        tx: txq:0, ps:0, tx_stat_q:0,
            tx dma:463, total tx:0, retry:0, tx lost:0, tx err:0
        rx: frms:96, data:0
        throughput: tx: 0 bps, rx: 0 bps
        max gain:7
    --------------------
    [5672]read timeout pending set or rsp err:1 0
    sdh_loop:1242 :: >>>>>>>>>>>>>>  sdh no online!!!!!
    [5681]open_width:1
    [5683]enable sdio irq
    [5685]host->flags:34
    [5687]clk:400000 width:1 power:UP
    [5700]clk:400000 width:1 power:ON
    [5713]read timeout pending set or rsp err:1 0
    [5717]SEND_IF_COND cmd err
    [5999]custom_wifi_task_thread:1660 ----------- wifi status:0!!!!!
    -------------[6006]custom_wifi_ap_recv_thread:1501 ----------select timeout!-ifi_ap_recv_thread:1501 ----------select t!!!!
    [6016]custom_wifi_ap_recv_thread:1480 ---------- start listen loop serverSocketFd:4----------------
    [6220]read timeout pending set or rsp err:1 0
    sdh_loop:1242 :: >>>>>>>>>>>>>>  sdh no online!!!!!
    [6229]open_width:1
    [6231]enable sdio irq
    [6233]host->flags:34
    [6235]clk:400000 width:1 power:UP
    [6248]clk:400000 width:1 power:ON
    [6260]read timeout pending set or rsp err:1 0
    [6264]SEND_IF_COND cmd err
    [6767]read timeout pending set or rsp err:1 0
    sdh_loop:1242 :: >>>>>>>>>>>>>>  sdh no online!!!!!
    
  • #154 21704529
    insmod
    Level 31  
    @divadiow
    Flash programmer messed something up, and first 0x10000 of flash was erased before i succeeded at taking a backup.

    Btw, how did you get SP0828 to output anything?
    With your changes imported on top of my SDK, i get
    hgdvp_close...............................................................
    [53031]fv
    [53031]sip reset DVP
    

    I tried with and without dvp_set_exchange_d5_d6 and dvp_set_size
  • ADVERTISEMENT
  • #155 21704546
    divadiow
    Level 38  
    insmod wrote:
    Flash programmer messed something up, and first 0x10000 of flash was erased before i succeeded at taking a backup.

    ah, nevermind.

    insmod wrote:
    Btw, how did you get SP0828 to output anything?


    I switched to CDK for most recent changes. Your boot log helped with something.

    It's also clarified something with the init rate, which is one thing I'm unclear about. I could not get it to match SP0828 at 6Mhz. Set it to 24Mhz and it'll match.

    csi_v2.c
    Code: C / C++
    Log in, to see the code


    but then what does that mean for all the other sensors, and why doesn't 6Mhz work for me yet??

    I have also been playing with hsyn, vsyn, typ, dvp_set_exchange_d5_d6, changing the order of

    Code: Text
    Log in, to see the code


    and also changing 0x15 for 0x11, 0x13, 0x14 towards end of init table (this has made some changes to image but not silver bullet)

    Code: Text
    Log in, to see the code


    This is current csi and sensor files, image may not quite match previous posting. I've probably lost track of which combinations of things I haven't tried yet.

    I did wonder about 6Mhz and 24Mhz init scans... or maybe the os_sleep_ms(3) delay needs extending. I've spent too long on it 🤪
    Attachments:
    • cmos_sensor.zip (11.61 KB) You must be logged in to download this attachment.
  • #156 21704549
    insmod
    Level 31  
    >>21704546
    I've changed baud rate to 16Mhz, and it worked still.
  • #157 21704591
    divadiow
    Level 38  
    insmod wrote:
    Flash programmer messed something up, and first 0x10000 of flash was erased before i succeeded at taking a backup.

    looks like I have it now anyway

    Mini 1080p wifi camera from Aliexpress, how to use without app (FtyCamPro)?

    Added after 2 [minutes]:


    Mini 1080p wifi camera from Aliexpress, how to use without app (FtyCamPro)?

    Code: Text
    Log in, to see the code
  • #158 21704601
    insmod
    Level 31  
    I got normal image
    Attachments:
    • sensor_sp0828.c (4.54 KB) You must be logged in to download this attachment.
  • ADVERTISEMENT
  • #159 21704605
    divadiow
    Level 38  
    ha! very good very good. building now

    Added after 8 [minutes]:

    there's colour at least. I'll try other SP0828. does yours look better?

    Mini 1080p wifi camera from Aliexpress, how to use without app (FtyCamPro)?
  • #160 21704630
    insmod
    Level 31  
    >>21704605
    Mine looks as any other camera and no colour problems.

    Added after 1 [minutes]:


    Yellow air filter mounted in a plastic housing with visible ribbing
  • #161 21704644
    divadiow
    Level 38  
    ok yep

    I still had dvp_set_exchange_d5_d6(dvp_test,1)

    Arduino board with connected wires and relay module on a wooden surface

    Added after 1 [minutes]:

    playing with this

    Code: Text
    Log in, to see the code
  • #163 21704661
    divadiow
    Level 38  
    insmod wrote:
    Is there a function to use rotation?

    oh. dunno. will see if I can find anything

    all your sensor variations have been OK with 16mhz?
  • #164 21704663
    insmod
    Level 31  
    >>21704661
    GC0329 and SP worked fine.
    I reduced it to 8Mhz and SP still worked fine.
  • #165 21704689
    divadiow
    Level 38  
    OK sure.

    bf30a2 is also 240x320 and has:

    Code: Text
    Log in, to see the code


    Code: Text
    Log in, to see the code


    Added after 2 [hours] 14 [minutes]:

    insmod wrote:
    https://github.com/openshwprojects/OpenBK7231T_App/pull/1818


    first boot
    Spoiler:
    [0]00 00 17 00 57 0a 12 a0
    [0]28 6e 00 00 00 00 00 00
    [0]00 00 00 00 00 00 00 00
    [0]08 19 75 05 38 66 89 a6
    [0]4a a5 88 77 8e 67 00 00
    [0]80 00 b7 ca a2 96 00 00
    [0]00 16 00 00 0b 0a 00 00
    [0]00 00 00 00 01 60 07 00
    [0]00 00 00 40 00 04 40 00
    [0]04 40 00 04 40 40 04 f1
    [0]00 4c a0 14 4a 51 3c 85
    [0]53 3c c5 03 cf 03 00 01
    [0]00 02 fe 03 0f ae 04 0a
    [0]02 00 fc 04 00 1f 00 1d
    [0]00 03 48 00 00 00 00 0a
    [0]00 00 00 00 00 10 e4 00
    [0]f0 3c 00
    [0]cpu clk: 240
    [0]flash clk: 60
    [0]psram clk: 0
    [0]validity: 1678e00d
    [0][OTA_MSG] OTA_NUM:0 ota_version:36533 run_addr:0

    ** hgSDK-v2.5.3.7-36533, app-0, build time:Sep 29 2025 17:46:56 **(minilib)
    ** libwifi v2.5.3-36483, build time:Aug 13 2025 15:29:39
    ** liblmac v2.5.3-36532, build time:Aug 14 2025 09:59:59
    ** libcore v2.5.3-36533, build time:Aug 14 2025 10:19:16
    ** libflash v2.5.3-36533, build time:Aug 14 2025 10:19:17
    ** libnetutils v2.5.3-36533, build time:Aug 14 2025 10:19:36
    ** libcommon v2.5.3-36533, build time:Aug 14 2025 10:19:20
    ** libosal v2.5.3-36533, build time:Aug 14 2025 10:19:15
    ** libatcmd v2.5.3-36533, build time:Aug 14 2025 10:19:20
    ------------------------------------------------------------------
    [0] ------- system restart fault -----------
    [0][soft_reset]
    [0] ------- lvd fault -----------
    [0] ---------------------------------------
    [1]freemem:212284
    [1]skbpool init, total:10240 (0x2000f4c8~0x20011cc8), max per:80%
    eloop_init:289::start
    OpenTXW81X, version 1818_merge_928d1b7647a5
    Entering initLog()...Commands registered!initLog() done!Warning: Sector header check failed. Format this sector (0x000ef000).
    Warning: Sector header check failed. Format this sector (0x000f0000).
    user_eloop_run:312::run
    Warning: Sector header check failed. Format this sector (0x000f1000).
    Warning: Sector header check failed. Format this sector (0x000f2000).
    Warning: Sector header check failed. Format this sector (0x000f3000).
    Warning: Sector header check failed. Format this sector (0x000f4000).
    Warning: All sector header check failed. Set it to default.
    EasyFlash V4.1.0 is initialize success.
    You can get the latest version on https://github.com/armink/EasyFlash .
    Main_Init_Before_Delay done
    Main_Init_Delay
    Main_Init_Delay done
    Info:MAIN:Main_Init_Before_Delay
    Warn:CFG:CFG_InitAndLoad: Config crc or ident mismatch. Default config will be loaded.
    Info:CFG:CFG_SetDefaultLEDCorrectionTable: setting defaults
    Error:CMD:lfs is absent
    Info:GEN:PIN_SetupPins pins have been set up.
    Info:MAIN:Main_Init_Before_Delay done
    Info:MAIN:Main_Init_Delay
    Info:MAIN:Main_Init_Delay done
    Info:MAIN:Main_Init_After_Delay
    Info:MAIN:Using SSID []
    Info:MAIN:Using Pass []
    Info:MQTT:MQTT_RegisterCallback called for bT txw81x75663814/ subT txw81x75663814/+/set
    Info:MQTT:MQTT_RegisterCallback called for bT obks/ subT obks/+/set
    Info:MQTT:MQTT_RegisterCallback called for bT cmnd/txw81x75663814/ subT cmnd/txw81x75663814/+
    Info:MQTT:MQTT_RegisterCallback called for bT cmnd/obks/ subT cmnd/obks/+
    Info:MQTT:MQTT_RegisterCallback called for bT txw81x75663814/ subT txw81x75663814/+/get
    Info:MQTT:MQTT_RegisterCallback called for bT homeassistant/ subT homeassistant/+
    Info:CMD:CMD_StartScript: started @startup at the beginning
    Error:CMD:LFS_ReadFile: lfs is absent
    Info:CMD:CMD_StartScript: failed to get file autoexec.bat
    Info:MAIN:Main_Init_After_Delay done
    Info:HTTP:TCP server listening
    Info:MAIN:Time 1, idle 0/s, free 184264, MQTT 0(0), bWifi 0, secondsWithNoPing -1, socks 3/20
    Info:MAIN:Time 2, idle 0/s, free 184264, MQTT 0(0), bWifi 0, secondsWithNoPing -1, socks 3/20
    Info:MAIN:Time 3, idle 0/s, free 184264, MQTT 0(0), bWifi 0, secondsWithNoPing -1, socks 3/20
    Info:MAIN:Time 4, idle 0/s, free 184264, MQTT 0(0), bWifi 0, secondsWithNoPing -1, socks 3/20
    [5674]lmac rx info size:40
    [5675]GAP0 : 200162a8
    [5675]GAP1 : 2001a2a0
    [5675]lmac rx buff:200162b0, size:16368, hw rx buff size:9768, ampdu:6, max ampdu size:0
    [5676]lmac priv: 2001a2ac
    [5676]lmac tx : 2001a7cc
    [5677]lmac rx : 2001b9c8
    [5677]lmac ble rx: 00000000
    [5677]use AMPM DPD!
    [5681]time offset:0, 29
    [5681]lmac test: 2001c184
    [5681]set_bss_bw: 20M
    [5682]lmac_bgn_lo_freq_set: 2432
    [5683]set rts_threshold =2304
    [5683]lmac set mac0 addr:08:19:75:66:38:14
    [5684]ADKEY baud:239
    [5684]*** open ADC success!
    [5685]*** add success: ADC channel cnt = 1, name:257
    [5685]*** add success: ADC channel cnt = 2, name:258
    [5686]*** add success: ADC channel cnt = 3, name:262
    [5686]*** delete success: ADC channel cnt = 2
    [5689]regions(0)=0x0 cur_addr=0x20043224 size=1820 end=0x20043bfc
    Inforckhz= 89 rctrim= 0x3f TMRTRIM= 0x908ae99
    [5847]INVALID PRIORITY
    Dsleep=0x20043224 dbg=-45668779 mgk=0xa87c842e wkreason= 0
    rtc_calendar: 00:00:01 24-12-26,week-4
    [5849]lmac_bgn_lo_freq_set: 2412
    [5851]lmac_bgn_lo_freq_set: 2412
    [5852]set rts_threshold =1600
    [5852]set ac= 0 aifs= 2 cw_min= 15 cwmax= 1023 txop= 79
    [5853]set ac= 1 aifs= 6 cw_min= 15 cwmax= 1023 txop= 79
    [5854]set ac= 2 aifs= 1 cw_min= 7 cwmax= 15 txop= 128
    [5854]set ac= 3 aifs= 1 cw_min= 3 cwmax= 7 txop= 65
    [5855]ieee80211_ap_ioctl:184::set MAC 08:19:75:66:38:14
    [5856]ieee80211_ap_ioctl:165::set channel 1
    [5856]ieee80211_ap_ioctl:128::set SSID=OpenTXW81X_75663814
    [5857]ieee80211_ap_ioctl:148::update PSK
    [5858]ieee80211_ap_ioctl:165::set channel 1
    [5859]set ac= 0 aifs= 1 cw_min= 1 cwmax= 3 txop= 0
    [5859]set ac= 1 aifs= 1 cw_min= 1 cwmax= 3 txop= 0
    [5860]set ac= 2 aifs= 1 cw_min= 1 cwmax= 3 txop= 0
    [5860]set ac= 3 aifs= 1 cw_min= 1 cwmax= 3 txop= 0
    :]set ac= 3 aifs= 1 cw_min= 1 cwmax= 3 txop= 0
    [5862]ieee80211_state:248::vif2 state WPA_DISCONNECTED -> WPA_COMPLETED
    [5865]dns sock :4
    [5865]lmac_bgn_lo_freq_set: 2412
    [5867]ieee80211_ap_ioctl:165::set channel 1
    sCOMPLETED
    Info:MAIN:Time 6, idle 0/s, free 149640, MQTT 0(0), bWifi 0, secondsWithNoPing -1, socks 5/20
    Info:MAIN:Boot complete time reached (5 seconds)
    Info:MAIN:Time 7, idle 0/s, free 149640, MQTT 0(0), bWifi 0, secondsWithNoPing -1, socks 5/20
    Info:MAIN:Time 8, idle 0/s, free 149640, MQTT 0(0), bWifi 0, secondsWithNoPing -1, socks 5/20
    Info:MAIN:Time 9, idle 0/s, free 149640, MQTT 0(0), bWifi 0, secondsWithNoPing -1, socks 5/20
    Info:MAIN:Time 10, idle 0/s, free 149640, MQTT 0(0), bWifi 0, secondsWithNoPing -1, socks 5/20
    --------------------
    local:08:19:75:66:38:14 aid= 0
    bios:3, pack:10
    pwr idx: 0
    chip-temperature: 40
    freq:2412, bg_rssi:-94
    cca: -70, -60, -62
    tx: txq:0, ps:0, tx_stat_q:0,
    tx dma:1, total tx:0, retry:0, tx lost:0, tx err:0 tx_dly= 0:0
    rx: frms:328, data:0
    throughput: tx: 0 bps, rx: 0 bps
    max gain:7
    ble en:0
    --------------------
    Info:MAIN:Time 11, idle 0/s, free 149640, MQTT 0(0), bWifi 0, secondsWithNoPing -1, socks 5/20
    Info:MAIN:Time 12, idle 0/s, free 149640, MQTT 0(0), bWifi 0, secondsWithNoPing -1, socks 5/20
    Info:MAIN:Time 13, idle 0/s, free 149640, MQTT 0(0), bWifi 0, secondsWithNoPing -1, socks 5/20


    startdriver txwcam - SP0828 ✅
    Code: Text
    Log in, to see the code
  • #166 21711021
    divadiow
    Level 38  
    oh. I have a sensor we don't have driver for on TXW

    Code: Text
    Log in, to see the code


    Code: Text
    Log in, to see the code


    will try to make
  • #168 21711104
    divadiow
    Level 38  
    >>21711099

    cheers. it's 2B

    Added after 1 [minutes]:

    no support in XF16 dumps. but it is seen in Pinmei BK7252N
    List of image sensor modes labeled SP0A20, GC0308, and SP0828
  • ADVERTISEMENT
  • #171 21713677
    insmod
    Level 31  
    >>21713664
    Where did you get that init table though?
    Logic analyzer?
    Why not from link i posted earlier?
  • #172 21713680
    divadiow
    Level 38  
    I couldn't get anything out of that table from GitHub, but maybe I don't understand how much of it needs to be used.

    The one giving green in link if from pinmei dump. Or should be. So many tries.

    Added after 4 [minutes]:

    I'll focus on that GH table solely in next try
  • #173 21713902
    p.kaczmarek2
    Moderator Smart Home
    Init table determines what is sent via I2C, it could be captured from a hardware.
    Code: C / C++
    Log in, to see the code

    Interestingly enough they have a marker for making a delay.

    Added after 53 [seconds]:

    Maybe we could search for those tables in firmware dump?
    Helpful post? Buy me a coffee.
  • #179 21722626
    divadiow
    Level 38  
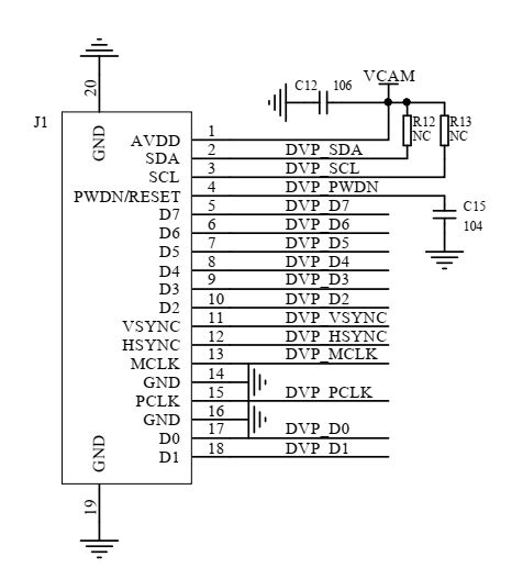
    Camera connector circuit diagram with DVP signals and VCAM power
    Attachments:
    • TXW817-810_IPC DEMO V1.0_20230928.pdf (83.33 KB) You must be logged in to download this attachment.
  • #180 21730272
    szyszko
    Level 12  
    affects: mini-cameras V9 series

    Warm welcome,

    Sorry to reheat the topic, but can someone provide me with a working link to Windows 10 software for viewing video from V9 series cameras ?

    Sorry for the inconvenience, but I have 20 of these cameras with just sound, no UV LEDs (bought working ones for PLN5 each) and an idea to use. Unfortunately I need a preview NOT on my phone, but on a PC with Windows 10, where, it would probably be possible to get a decent recording from them with sound (by the way, the preview alone is enough, as the image can be captured).
    Once installed with the phone, the cameras are permanently visible, along with their IP addresses in the router. The problem is that with a browser (reworked with a script IE 11 with a plug-in, where the other IP cameras, after entering their internal address, are normally visible and after entering the login/password, the image from them is available), while here, in the case of the V9 cameras, after entering the IP address, nothing happens.


    Thank you in advance for your help and best regards.

Topic summary

✨ A mini 1080p WiFi camera from Aliexpress priced under 3€ uses a Beken BK7252UQN48 AU3437XB chip and requires the proprietary "FtyCamPro" app for operation. The device creates its own WiFi network and assigns an IPv4 address but shows no open ports on scanning. Opening the case reveals the Beken chip, and firmware resources for this chip are available on GitHub (beken7252-opencam), enabling potential firmware backup and custom flashing after identifying the flashing pins. Some similar cameras use the Taixin TXW817 chipset, which has a different ecosystem including SDKs and programming tools like TXProgrammer and CK-Link debuggers. Attempts to access internal flash memory via QSPI/SPI have been made, but require delicate soldering and specialized hardware. The Taixin TXW81x IoT SDK and C-SKY Development Kit (CDK) support firmware development and compilation. TXProgrammer can be configured to English for easier use. A 2MB flash dump from a TXW817-810 based camera has been obtained, and a demo application runs on this hardware using hgSDK. Overall, the discussion covers hardware identification, firmware extraction, SDK availability, and programming tool usage to bypass the official app and enable local control of these low-cost WiFi cameras.
Generated by the language model.
ADVERTISEMENT