logo elektroda
logo elektroda
X
logo elektroda

Internet radio and audio file player on ESP32-S3

MAJSTER XXL 259518 2638

TL;DR

  • Built an ESP32-S3 internet radio with an audio file player and OLED desk display, evolving through v1, v2, and v3.
  • Uses an ESP32-S3-WROOM-1, PCM5102A DAC, rotary encoders, and GitHub-hosted station lists split into banks of up to 100 stations.
  • The prototype uses a 2.42" 128x64px white OLED display, with a PCB made in Poland costing 130zl.
  • v3 adds a colour screen, weather, a calendar, RSS news from Polsat News Polska, and full remote control.
  • The first PCB had a pad-spacing mistake for the ESP32-S3-WROOM-1, so the module pins had to be bent slightly to fit.
Generated by the language model.
ADVERTISEMENT
Treść została przetłumaczona polish » english Zobacz oryginalną wersję tematu
📢 Listen (AI):
  • ADVERTISEMENT
  • #2222 21831755
    JohnNagy
    Level 5  
    Posts: 14
    Rate: 3
    Hello. Has anyone made a screen for this project where the spectrum analyzer works and the station name is larger? It's really annoying that neither the clock nor the station is visible on these screens, I use it on a hi-fi tower, not in my hand. The clock is only visible on the big clock image, but the station name there is very small, and there is no VU meter. The size of the station name is the most annoying thing, it is only larger on two screens. Thanks.
  • #2223 21831817
    robgold
    Level 23  
    Posts: 698
    Help: 10
    Rate: 284
    @supsak Each display itself already has the electronics, the controller is on the connection tape. As this is a standard SSD1322 it fits the connector as well as the electronics from the "small" 3.12 inch display. As of today, it is not possible to buy a whole finished 5.5 inch display in white. The 'electronics' on the PCB itself is nothing more than a couple of capacitors and an inverter from 3.3V to 14V.

    The marked part is just the SSD1322 drivers on the ribbon connecting the display.
    Close-up of a PCB with a display flex cable and a red box highlighting a section near the connector

    The TAS5805 https://www.ti.com/product/TAS5805M is a 2x23W amplifier with PCM built in. It is simply a power amplifier with a ready made i2s input and speaker output. No additional PCM is needed. It quietly allows you to build an amplifier for a small room. The board in the picture is a project by a colleague Sonocotty https://sonocotta.com/louder-esp32/ version with ESP32-S3. I didn't want to design a PCB for testing this TAS, the TAS amplifiers themselves were sent to me by TI. It's hard to get them in our country lately or the stock is zero (TME).

    @DJCheester The frame for the OLED 5.5 in the picture is bought on Aliexpress, but fact I printed the whole back to enclose the fragile glass
    TAS5805 or TPA3110/3116 will become part of the Sony tuner to internet radio conversion project.
  • #2224 21832248
    ejcon
    Level 16  
    Posts: 253
    Help: 3
    Rate: 54
    New sofic based on Audio 3.4.4 works flac some 24bit .
    Added SD PLATER with play list of available songs on sd
    SDPLAYER run from remote 999 and SRC we have SDPLAYER styles output bck and bck on remote .
    Added full bt support from the website works with the software provided in the Andino catalogue
    https://github.com/Mario2054/EVO-RADIO-MOD
    here is the facebook group https://www.facebook.com/groups/internetradiodiy
  • ADVERTISEMENT
  • #2225 21832287
    DJCheester
    Level 27  
    Posts: 2049
    Help: 75
    Rate: 949
    I do not have FB.
    I will wrestle with the software at my leisure.

    Regards...
  • #2226 21832291
    robgold
    Level 23  
    Posts: 698
    Help: 10
    Rate: 284
    >>21832248 And I was wondering who to Evo set up the group as I don't even have FB ;) That's the puzzle solved.

    Did you recompile the libraries or download for 3.4.4 ?
  • #2227 21832307
    ejcon
    Level 16  
    Posts: 253
    Help: 3
    Rate: 54
    It is not me someone else I just participate in the discussions there .
    I downloaded from the link and compiled.
  • #2228 21832308
    robgold
    Level 23  
    Posts: 698
    Help: 10
    Rate: 284
    >>21832307 And I guess I misread. Audio 3.4.4 is what I'm already on too and the 24bit stations go SUPER. In fact, all the ones I have on the Evo. I have read with core ESP you have raised it so high. I made a cora compilation today for 3.3.6, I have to put up a second clean Arduino to see if it works ter two libraries after modification in menuconfig.


    @ejcon then who is the group admin on FB ?
  • #2229 21832433
    ejcon
    Level 16  
    Posts: 253
    Help: 3
    Rate: 54
    On my mods all the flac never worked well. The administrator is
    Facebook post screenshot showing an amplifier board photo with a cooling fan and capacitors.
  • #2230 21832466
    supsak
    Level 13  
    Posts: 81
    Rate: 5
    >>21831817
    Ok, thanks for the info. The best thing would be to buy the whole board from the Chinese with the TAS5805 and try.... how it all works.
  • #2231 21832573
    JohnNagy
    Level 5  
    Posts: 14
    Rate: 3
    >>21831755 One more question for the author, why did you choose these PINs for the Oled? They recommend these for the S3.
    SPI MOSI MISO CLK CS
    HSPI (SPI 2) GPIO 11 GPIO 13 GPIO 12 GPIO 10
    VSPI (SPI 3) GPIO 35 GPIO 37 GPIO 36 GPIO 39
  • ADVERTISEMENT
  • #2232 21833056
    robgold
    Level 23  
    Posts: 698
    Help: 10
    Rate: 284
    >>21832573 The pins in the Evo have been matched to the original design of my colleague Majster to maintain hardware compatibility regardless of software. In the ESP32-S3 you don't have for SPI2 (FSPI) and SPI3 (HSPI) something like "recommended" pins. You have a GPIO matrix that allows you to interleave signals almost freely. The assignment of 11,13,12 is derived from the original assignment in ESP-IDF. This rule does not apply to SPI0/1 where you have FLASH and PSRAM.

    Added after 21 [minutes]:

    Hello,
    i uploaded on GitHub a new soft Evo 3.19.70 , https://github.com/dzikakuna/ESP32_radio_evo3
    what's new ?

    NEW MEMORY
    The SPIFFS system, which was used until now, has been replaced by the newer littleFS solution. It works more stable during memory operations, also accepts folders, and has protected writing. NOTE - SPIFFS is not compatible with the new littleFS. This means that if you have your own files, memory banks then these should be ripped from the radio before updating !


    AUTODETECTION OF MEMORY
    From now on, you no longer need to change anything in the compilation, regardless of whether you are using the internal memory in EPS32 (LittleFS) or an SD card. The radio recognizes the type of memory at startup and starts using it. Priority is given to the SD card. This is an experimental feature, so it is still possible to disable it in the code by branding it #define AUTOSTORAGE and then manually force the radio to use internal memory even though an SD card is inserted in the slot.

    Display of station list
    I have improved the display of the station list. I have rebuilt the return conditions to the correct position. Now, each first turn of the encoder (in first stations, then volume mode) or click in reverse mode starts the display of the station list by correctly selecting the currently playing station. Only the next movement scrolls through the list. On return, the position is automatically set to the station currently playing.

    NEW BANK EDITOR
    Update of the bank editor to version 1.06, minor fixes so that it opens all banks correctly (except for the 15 "holiday" banks where station numbers and bank numbers are not present)

    RADIOBROWSER
    New radiobrowser, now the script searches for an active server from a list of available servers. Previously there was one "sewn" into the code and if it didn't work the whole browser would "die".

    DISPLAYMODE 3
    Minor fixes for the font displaying bitrate info and mp3/AAC/FLAC codec etc.

    WEB SERVER
    I rewrote and cleaned up the websocket handling. Now they do not disconnect and the whole thing runs smoothly. In addition, the UTF8 encoding for WS has been improved.

    Start logo and ANIMATION
    I have added a slow-brightening effect to the logo at startup. From now on, on the website, you can turn the "tv" animation on or off at shutdown

    STATUS LED - experimental function
    I have introduced a LED on GPIO17 called STATUS LED. Connecting cathode (-) to GPIO, + LED permanently to 3.3V. This is the Joystick (JOY) port on my EVO board.
    LED:
    - flashes as we receive an IR code (sometimes when changing banks it lights up), this is the implementation at the moment.
    - flashes when using the SD card
    - lights up permanently when in standby mode

    RTC CLOCK
    I have made a fix to the code that eliminates the systematic clock error that crept in during powerOff mode. As a result, after 24h we do not have a 20 minute clock delay


    As usual, a request for tests and verifications. I don't currently have a setup with an Evo with two encoders, so those with such radios need to check for themselves that everything works.
  • #2233 21833265
    RonAd
    Level 10  
    Posts: 26
    Rate: 1
    >>21832308
    Such a question about the espressif32 framework in platformio.
    Which version can be equivalent for Arduino version 3.3.3 or 3.20.
    I wanted to use modified libs just in platformio .
    Because flac's jerk mercilessly . And this is about the ejcon mod.

    I found that they are different things and can not be used interchangeably
    --Can someone suggest how to modify the libesp_netif.a and liblwip.a files?
    So as to increase the ESP32 buffer size.
  • #2234 21833304
    ejcon
    Level 16  
    Posts: 253
    Help: 3
    Rate: 54
    Small modification of bt handling by beetle
    Inside a device: PCB with wiring and ESP32 modules with lit LEDs Close-up of PCBs with an ESP32 module, a smaller board, and multicolored wiring; indicator LEDs are lit.
    I added a small modification to the pcb and we have BT working as someone would like the code posted on github
    And yes on the fim the sound from the speakers and bt is working there is reverberation drugs but little delay.
    Now it will be necessary to make corrections under sofcik 3.19.70
    The scheme is as follows
    Section of a PCB schematic showing an ESP32 module, OLED connectors, and an SD card socket
    Attachments:
    • 20260208_173818.mp4 (132.47 MB) You must be logged in to download this attachment.
  • #2235 21833690
    boloteam 2.0
    Level 11  
    Posts: 5
    Rate: 2
    >>21809064 In my opinion, in order to maintain stylistic consistency, I would see here knobs made from champagne or wine corks.
  • #2236 21833708
    DJCheester
    Level 27  
    Posts: 2049
    Help: 75
    Rate: 949
    >>21811421

    That's right, I also have such a display and the Major's software works on it.

    Greetings ...
  • #2237 21833986
    efi222
    Level 21  
    Posts: 655
    Help: 12
    Rate: 1057
    >>21833304
    @ejcon a can you upload the schematic in higher resolution?
  • #2238 21834005
    ejcon
    Level 16  
    Posts: 253
    Help: 3
    Rate: 54
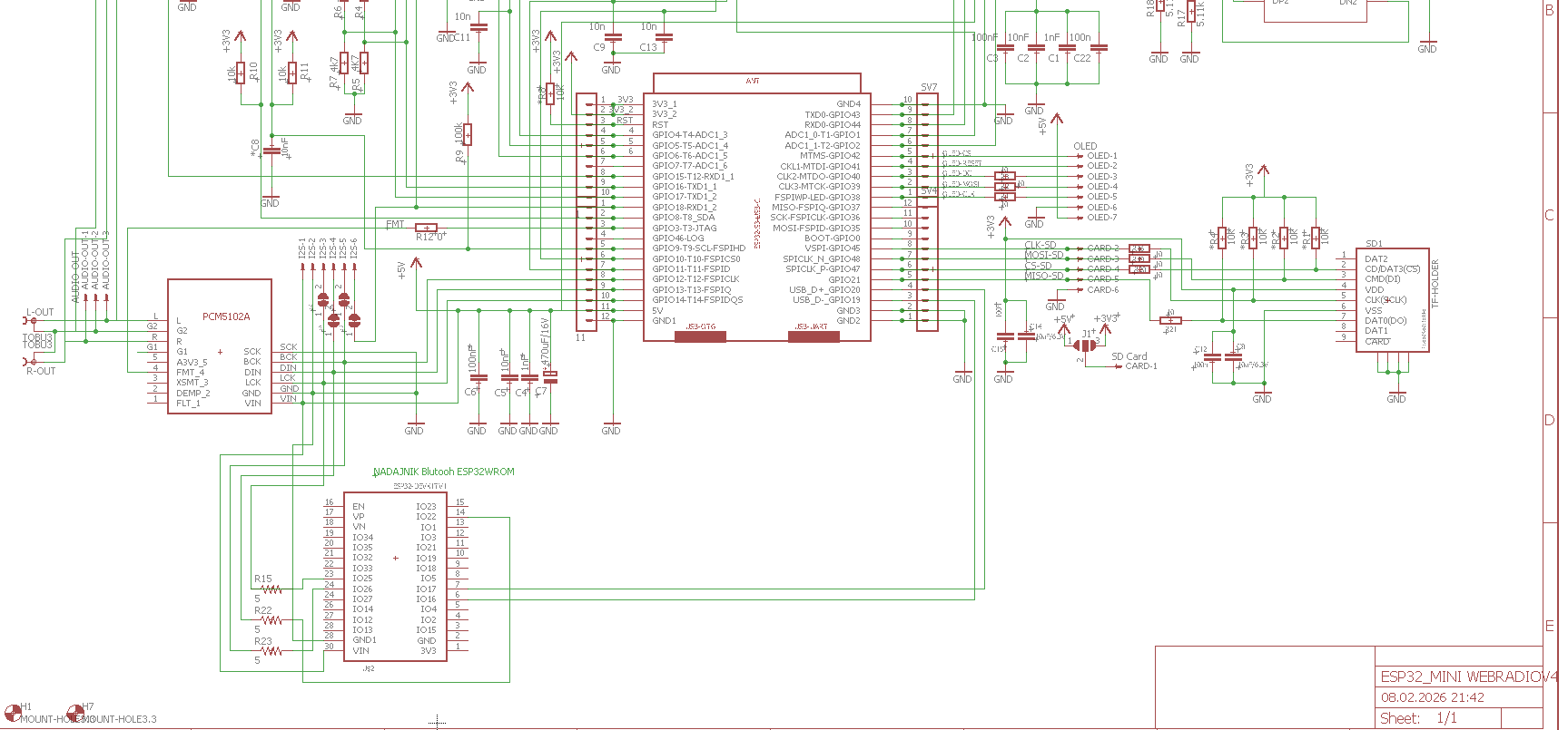
    You have the eagle diagram attached
    EAGLE schematic fragment showing ESP32, PCM5102A audio IC, OLED connections, and an SD card socket wiring
    Attachments:
    • ESP32_MINI WEBRADIOV4 BT.sch (1.08 MB) You must be logged in to download this attachment.
  • #2239 21834014
    efi222
    Level 21  
    Posts: 655
    Help: 12
    Rate: 1057
    Thanks :)
    Already this *.png is great.
  • ADVERTISEMENT
  • #2240 21834124
    ejcon
    Level 16  
    Posts: 253
    Help: 3
    Rate: 54
    RX and TX connections can be swapped I can't remember how I programmed 19 and 20 ESP32S3 N16R8
  • #2241 21834216
    efi222
    Level 21  
    Posts: 655
    Help: 12
    Rate: 1057
    I will be designing the board from scratch on developer modules so the pinout will definitely be different. But thanks for pointing out :)
  • #2242 21834682
    Drago99
    Level 2  
    Posts: 2
    Good morning,
    I'm not very active on this forum on a day-to-day basis but I stopped by to say hello to you, introduce myself and write a few words about what has evolved outside of the electrode world. I am the perpetrator of this minor "confusion" that is the group on FB. Dedicated to the Evo3, and in a broader sense to interesting streamer projects that have been created and are being developed in Poland. There's no denying that the blue platform is dominated by other popular internet radio firmware and Evo has fallen a little short of the potential of this great software. Sometimes it is even confused with yoradio. On FB there is a growing community of users who share their experience and support each other in building, quite interesting projects are being created and there is a growing awareness of the possibilities of the software. There is also nice feedback from people on what they need from the firmware, what they like, what needs to be improved etc. In his spare time (which is the hardest thing to do), he also builds his fork under the name Dragon, where he modifies the Evo to suit his own needs (large TFT displays, audio performance, integrations with other hardware and services, etc.). Thanks a lot for the work of the author and the whole team, also to colleagues who engage in discussions on the group and help others to start their own projects. I invite those who are on the way to FB to visit the Internet radio streamers DIY. Best regards and good luck with your own projects.
  • #2243 21834707
    robgold
    Level 23  
    Posts: 698
    Help: 10
    Rate: 284
    >>21834682 Hello, thanks, now at least I know who will possibly give me access to this closed group once I set up a FB account :)
    On a more serious note, I never thought when creating Evo that it would be a project that would benefit anyone more than myself and maybe a handful of people here on the forum. It was a kind of social experiment, sharing the project, the code, for the first time. It came out very interesting.

    If you can from time to time throw in your insights here on the forum, any comments, needs. I don't promise to meet all of them, but maybe you can take the software in an interesting direction. Perhaps this will be the motivation to set up a FB account ;)

    If you can elaborate a bit on the "audio performance" issue I would be happy to read. The current library in the latest version and full compilation of ESP32core gives amazing performance and supports FLAC 48k/2000kbps without any problem. Can you dream of anything more ? Probably only a better DAC.
  • #2244 21834709
    gulson
    System Administrator
    Posts: 29238
    Help: 148
    Rate: 5984
    Drago99 wrote:
    . I am the perpetrator of this minor "confusion" that is the group on FB.

    Thanks for the information from your newly registered account. I don't understand why we should refer our users to Zuckerberg?
    You are welcome from FB to us! :)
  • #2245 21834762
    AdamC
    Level 29  
    Posts: 1006
    Help: 138
    Rate: 242
    gulson wrote:
    Drago99 wrote:
    . I am the perpetrator of this minor "confusion" that is the group on FB.

    Thanks for the information from your newly registered account. I don't understand why we should refer our users to Zuckerberg?
    You are welcome from FB to us! :)

    Good point, the development of Polish portals must be taken care of.
  • #2246 21834775
    DJCheester
    Level 27  
    Posts: 2049
    Help: 75
    Rate: 949
    Hi, I uploaded the latest sofcik kol Robgold the radio started with version 70 without a card at first read the bank from github the next start up already with LittleFS. I uploaded all the files I had before and interestingly it doesn't read the remote control and doesn't save the config, what could be wrong, I didn't upload the old config file but the radio created a new one. (The old file is the same) The remote control is read in the serial monitor correctly sees the button for example 00 ADR and CMD 19 and so I have in the remote.txt file only the radio displays in the serial monitor ADR 00 and cmd 19 that is correctly but adds another button, I think as if the radio did not see the txt file also have this?


    LCD on a circuit board shows “Loading bank:1 from:LittleFS” and a progress bar at 79 LCD showing “Evo Internet Radio” with green text, music staff graphic, and an IP address

    Code: Text
    Log in, to see the code


    Code: Text
    Log in, to see the code


    PS the new UV meters I don't have either (but I don't think they're in the sofa yet ?)


    Greetings...
  • #2247 21834783
    robgold
    Level 23  
    Posts: 698
    Help: 10
    Rate: 284
    >>21834775 I will check this on version 70 in the evening, perhaps there is a 'bug' related to auto memory selection.
  • #2248 21834840
    RonAd
    Level 10  
    Posts: 26
    Rate: 1
    At my place it reads remote .txt but from SD card and remote control works.
  • #2249 21834942
    grzes_dst
    Level 12  
    Posts: 74
    Rate: 7
    @robgold I uploaded the latest soft last night unfortunately from a .bin file, it was throwing errors in the Arduino, I would love to switch to PlatformIO but have no idea what or how.
    Back to the topic of the 3.19.70 soft, I noticed audio distortion on some channels, I compared at the same time on another receiver with the soft of my colleague @MAJSTER XXL and it was without distortion.
    This was for example on Music Radio, Dance Wave!, Radio 80s80 Love, Radio Vinyl Maxi FM.
    Attached is a short mp3 file to show the problem.
    Attachments:
    • Test.mp3 (715.15 KB) You must be logged in to download this attachment.
  • #2250 21834945
    DJCheester
    Level 27  
    Posts: 2049
    Help: 75
    Rate: 949
    For me the compilation on the Arduino went through without a problem Arduino 2.1.1 Win7 64bit. Core 3.2.0 plus libraries written in sketch with I2S Audio and FLAAC substitutions.

    Greetings...
📢 Listen (AI):

Topic summary

✨ The discussion centers on the development of an internet radio and audio file player based on the ESP32-S3-WROOM-1 module, featuring a custom-designed prototype PCB with OLED display and user controls including rotary encoders and buttons. Key challenges addressed include pin spacing discrepancies in the ESP32-S3 module footprint, integration of Wi-Fi connectivity with dynamic station list updates, and handling of Polish character encoding on the OLED display. The project uses Arduino IDE (version 2.3.2) with ESP-IDF support and requires enabling PSRAM. Audio playback supports MP3, AAC, and FLAC streams, with the ESP32-audioI2S library recommended over the incompatible Audio library. Users reported issues with SPI MISO pin assignment causing bootloader conflicts, resolved by reassigning MISO to pin 35. The project incorporates WiFiManager for network configuration, EEPROM and SD card storage for saving last played station and settings, and includes plans for tone control via an external KA2107 equalizer and a CS8673 amplifier module. Problems with encoder input stability and memory limitations for Bluetooth A2DP on ESP32-S3 were noted. The community suggested alternatives like KaRadio and ESP32-MiniWebRadio projects. Debugging tips include serial terminal logs for HTTP errors and flash memory erasure to resolve boot loops. The project is open-source on GitHub, encouraging forks and modifications. Additional features under development include browser-based updates, directory navigation, and potential audio recording to SD card.
Generated by the language model.
ADVERTISEMENT