logo elektroda
logo elektroda
X
logo elektroda

WBR2, WBR3, WBRU, W701-VA2-CG pinout, datasheet, flashing for Home Assistant

p.kaczmarek2 21165 166
ADVERTISEMENT
📢 Listen (AI):
  • WBR2 module with wires connected to the pins
    Here's step by step flashing and HA Discovery guide for W701-VA2-CG (RTL8720CF)-based Tuya modules that can be programmed with AmebaZ2 PG Tool 1.2.47 (download included). This way you can run those devices cloud free, use it with Tasmota commands (Tasmota Remota app), and add new features like sensors, scripts, and so on.

    This guide is applicable to the following modules with the core chip of RTL8720CF or similar, so: WBR1, WBR2, WBR3, WBR2L, WBR3L, WBRU etc.
    Pin diagram of RTL8720CF-VA1 chip
    Datasheet:
    RTL872xZ2 ...asheet.pdf (1.99 MB)You must be logged in to download this attachment.
    See sample device teardown with WBR2: [WBR2/W701] Unsupported MaxCom Smart Breaker SHSB111W10

    Here is a sample boot log taken from Log UAR T pins of similar device:
    
    == Rtl8710c IoT Platform ==
    Chip VID: 5, Ver: 3
    ROM Version: v3.0
    Test Mode: boot_cfg1=0x20
    Download Image over UART2[tx=16,rx=15] baud=115200
    
    == Rtl8710c IoT Platform ==
    Chip VID: 5, Ver: 3
    ROM Version: v3.0
    
    == Boot Loader ==
    Dec  5 2019:14:02:18
    
    fwx SELE[fffffffe]
    fw SELE Bitidx 1, fw1 valid 1, sn 100, fw2 valid 1, sn 101
    fw2 USE, return sn 101
    
    Boot Loader <==
    
    == RAM Start ==
    Build @ 14:44:45, Jul 29 2020
    
     Create Task init, stack 0x1000fb28, len 5120
    
     Create Task app_init, stack 0x10010f88, len 8192
    
     Create Task IDLE, stack 0x10012fe8, len 768
    
     Create Task Tmr Svc, stack 0x10013640, len 2048
    
     Create Task TCP_IP, stack 0x10013fb8, len 4000
    interface 0 is initialized
    interface 1 is initialized
    
    In[01-01 18:12itializing :15 TUYA InfWIFI ...o][mqc_app.c:175] mqc app init ...
    
     Create Task sys_timer, stack 0x1001a800, len 4096
    
     Create Task cmmod, stack 0x1001eca8, len 4096
    [01-01 18:12:15 TUYA Info][sf_mqc_cb.c:42] register mqc app callback
    [01-01 18:12:15 TUYA Debug][mqc_app.c:118] mq_pro:5 mqc_handler_cnt:1
    [01-01 18:12:15 TUYA Debug][mqc_app.c:118] mq_pro:31 mqc_handler_cnt:2
    [01-01 18:12:15 TUYA Debug][log_seq.c:732] read from uf. max:0 first:0 last:0
    [01-01 18:12:15 TUYA Debug][svc_online_log.c:288] svc online log init success
    
     Create Task wk_th-0, stack 0x10023e18, len 5120
    [01-01 18:12:15 TUYA Err][tuya_ws_db.c:314] kvs_read fails gw_bi -1
    [01-01 18:12:15 TUYA Err][ws_db_gw.c:111] gw base read fails -935
    [01-01 18:12:15 TUYA Debug][tuya_bt_sdk.c:89] ty bt cmmod register finish 1
    [01-01 18:12:15 TUYA Notice][tuya_ble_api.c:301] ble sdk inited
    [01-01 18:12:15 TUYA Debug][tuya_hal_bt.c:1047] tuya_hal_bt_port_init
    
    [01-01 18:12:15 TUYA Debug][uni_thread.c:215] Thread:sys_timer Exec Start. Set to Running Status
    [01-01 18:12:15 TUYA Debug][uni_thread.c:215] Thread:cmmod Exec Start. Set to Running Status
    [01-01 18:12:15 TUYA Debug][uni_thread.c:215] Thread:wk_th-0 Exec Start. Set to Running Status
    
     Create Task rtw_recv_tasklet, stack 0x10025328, len 5936
    
     Create Task rtw_xmit_tasklet, stack 0x10026b68, len 1024
    
     Create Task rtw_interrupt_thread, stack 0x10027078, len 1024
    
     Create Task cmd_thread, stack 0x10027588, len 2048
    
    WIFI initialized
    
    init_thread(55), Available hea
     Createp 0x16be0 Task trace_task, stack 0x10027ef8, len 512
    
     Create Task UpperStackTask, stack 0x100287c8, len 3072
    
     Create Task HCI I/F, stack 0x1002b2b0, len 2048
    BT BUILD Date: Jul 29 2020, 16:17:09 
    BT RESET LOG...
    [01-01 18:12:15 TUYA Debug][tuya_hal_wifi.c:575] read wifi mac:38:1f:8d:39:13:c2
    [01-01 18:12:15 TUYA Notice][tuya_hal_bt.c:893] BLE MAC: 0x38-0x1f-0x8d-0x39-0x13-0xc2
    
     Create Task tuya_bt_main_task, stack 0x1002c3d8, len 2560
    BT Reset ok
    bt_iqk_efuse_valid: has data
    
    hci_tp_phy_efuse[0]=0,
    bt_dump_iqk:    DUMP,
    the IQK_xx  data is 0x127,
    the IQK_yy  data is 0x3fe,
    the QDAC   data is 0x1a,
    the IDAC   data is 0x1b,
    the QDAC2  data is 0x19,
    the IDAC2  data is 0x19,
    
     Create Task rtw_coex_mailbox_thread, stack 0x1000fc08, len 1024
    hci_read_rom_check: rom_version 0x0003, bt_hci_chip_id 0x0004
    
    BT ADDRESS:
    38:1f:8d:39:13:c2:
    
     WRITE  physical FLATK=tx_flatk=ff00 
    
    We use fw_buf=1002f128, fw_len = 13a0, config_buf = 10010128, config_len= 32
    Set baudrate to 921600
    
    hci_tp_config:BT INIT success 7
    Start upperStack
    [01-01 18:12:15 TUYA Debug][tuya_hal_bt.c:788] tuya_bt_app_profile_callback(), service_id:255, tuya_bt_srv_id:1
    
    [01-01 18:12:15 TUYA Debug][tuya_hal_bt.c:338] tuya_bt_handle_io_msg(), msg_type:0
    
    [01-01 18:12:15 TUYA Debug][tuya_hal_bt.c:239] app_handle_gap_msg: subtype 1
    
    [01-01 18:12:15 TUYA Debug][tuya_hal_bt.c:72] app_handle_dev_state_evt: init state 1, adv state 0, cause 0x0
    
    
    [BLE peripheral] GAP stack ready
    [01-01 18:12:15 TUYA Debug][tuya_hal_bt.c:338] tuya_bt_handle_io_msg(), msg_type:0
    
    [01-01 18:12:15 TUYA Debug][tuya_hal_bt.c:239] app_handle_gap_msg: subtype 1
    
    [01-01 18:12:15 TUYA Debug][tuya_hal_bt.c:72] app_handle_dev_state_evt: init state 1, adv state 1, cause 0x0
    
    [01-01 18:12:15 TUYA Debug][tuya_hal_bt.c:338] tuya_bt_handle_io_msg(), msg_type:0
    
    [01-01 18:12:15 TUYA Debug][tuya_hal_bt.c:239] app_handle_gap_msg: subtype 1
    
    [01-01 18:12:15 TUYA Debug][tuya_hal_bt.c:72] app_handle_dev_state_evt: init state 1, adv state 2, cause 0x0
    
    [01-01 18:12:15 TUYA Debug][tuya_hal_bt.c:91] GAP adv start
    
    [01-01 18:12:15 TUYA Notice][tuya_ble_api.c:337] ble sdk re_inited
    [01-01 18:12:15 TUYA Notice][tuya_bt_sdk.c:130] ty bt sdk init success finish
    [01-01 18:12:15 TUYA Notice][tuya_main.c:396] Base firmware: rtl8720cf_tls_common_iot_config:2.1.6 compiled at Date:Jul 29 2020 Time:16:17:40
    [01-01 18:12:15 TUYA Notice][tuya_main.c:397] reset reset reason num 0
    [01-01 18:12:15 TUYA Debug][tuya_device.c:19] < TUYA IOT SDK V:1.0.12 BS:40.00_PT:2.2_LAN:3.3_CAD:1.0.2_CD:1.0.0 >
    < BUILD AT:2020_07_28_19_56_28 BY embed FOR ty_iot_wf_bt_sdk_rtos AT rtl8720cf_ameba >
    IOT DEFS < WIFI_GW:1 DEBUG:1 KV_FILE:0 SHUTDOWN_MODE:0 LITTLE_END:1 TLS_MODE:2 ENABLE_LOCAL_LINKAGE:0 ENABLE_CLOUD_OPERATION:0 ENABLE_SUBDEVICE:0 ENABLE_ENGINEER_TO_NORMAL:0 OPERATING_SYSTEM:2 ENABLE_SYS_RPC:0 TY_SECURITY_CHIP:0 RELIABLE_TRANSFER:RELIABLE_TRANSFER ENABLE_LAN_ENCRYPTION:1 ENABLE_LAN_LINKAGE:0 ENABLE_LAN_LINKAGE_MASTER:0 >
    
    [01-01 18:12:15 TUYA Debug][tuya_device.c:20] rtl8720cf_tls_common_iot_config:2.1.6
    [01-01 18:12:15 TUYA Notice][simple_flash.c:430] key_addr: 0x1d8000   block_sz 4096
    [01-01 18:12:15 TUYA Notice][simple_flash.c:498] get key:
    0x52 0x32 0x7c 0x62 0xcc 0x45 0x99 0xbc 0x1f 0x80 0x21 0xa7 0xfa 0x6 0xbe 0x6c 
    [01-01 18:12:15 TUYA Notice][tuya_main.c:447] have actived over 15 min, not enter mf_init
    [01-01 18:12:15 TUYA Notice][tuya_uart_common_api.c:118] ty_uart_common_main_components_version:1.0.5,memrory left:67400...
    [01-01 18:12:15 TUYA Notice][uart_common.c:238] pConfig = {low_sw:close,wifi_bdrate:115200,wifi_cofig_ver:1.0.0,crc:13,}---config len:62
    [01-01 18:12:15 TUYA Notice][flash_config.c:192] ty_uart_public_iot_table_read_component_version:1.0.0
    [01-01 18:12:15 TUYA Notice][flash_config.c:160] key:wifi_cofig_ver,value:1.0.0,len:5
    [01-01 18:12:15 TUYA Notice][flash_config.c:157] key:wifi_bdrate,value:115200,len:3
    [01-01 18:12:15 TUYA Notice][flash_config.c:167] key:low_sw,value:0,len:1
    [01-01 18:12:15 TUYA Err][flash_config.c:129] json key 'flow_sw' not exist!
    [01-01 18:12:15 TUYA Err][flash_config.c:129] json key 'ir_sw' not exist!
    [01-01 18:12:15 TUYA Err][flash_config.c:129] json key 'ir_tx' not exist!
    [01-01 18:12:15 TUYA Err][flash_config.c:129] json key 'ir_rx' not exist!
    [01-01 18:12:15 TUYA Notice][uart_common.c:122] get_config_flow_sw err.
    [01-01 18:12:15 TUYA Notice][uart_common.c:138] get_config_ir_sw err.
    [01-01 18:12:15 TUYA Notice][uart_common.c:170] uart badrate:115200
    [01-01 18:12:16 TUYA Notice][uart_common.c:171] flow_open:0
    [01-01 18:12:16 TUYA Notice][uart_common.c:172] lowpower_open:0
    [01-01 18:12:16 TUYA Notice][uart_common.c:173] ir_open:0
    [01-01 18:12:16 TUYA Notice][uart_common.c:174] ir_tx:2
    [01-01 18:12:16 TUYA Notice][uart_common.c:175] ir_rx:3
    [01-01 18:12:16 TUYA Notice][tuya_uart.c:134] 0   115200
    
     Create Task ty_uart_task, stack 0x1002f128, len 4096
    [01-01 18:12:16 TUYA Notice][uart_common.c:748] uart_task_init ok
    [01-01 18:12:16 TUYA Notice][weather_sever.c:348] ty_uart_public_weather_component_version:1.0.0
    [01-01 18:12:16 TUYA Notice][tuya_download_file.c:630] ty_uart_public_file_download_component_version:1.0.0
    [01-01 18:12:16 TUYA Notice][tuya_download_file.c:662] file_download_init OK
    [01-01 18:12:16 TUYA Notice][tuya_uart_common_api.c:186]  tuya_uart_common_init ok,memrory left:60624...
    [01-01 18:12:16 TUYA Notice][process_server.c:110] send jump_pack
    [01-01 18:12:18 TUYA Notice][uart_common.c:631] heart timer out clear all
    [01-01 18:12:19 TUYA Notice][process_server.c:110] send jump_pack
    [01-01 18:12:21 TUYA Notice][uart_common.c:631] heart timer out clear all
    [01-01 18:12:22 TUYA Notice][process_server.c:110] send jump_pack
    [01-01 18:12:24 TUYA Notice][uart_common.c:631] heart timer out clear all
    [01-01 18:12:25 TUYA Notice][process_server.c:110] send jump_pack
    [01-01 18:12:27 TUYA Notice][uart_common.c:631] heart timer out clear all
    [01-01 18:12:28 TUYA Notice][process_server.c:110] send jump_pack
    [01-01 18:12:30 TUYA Notice][uart_common.c:631] heart timer out clear all
    [01-01 18:12:31 TUYA Notice][process_server.c:110] send jump_pack
    

    Source: https://www.elektroda.com/rtvforum/topic4093142-60.html#21361625
    Yes, I know it says Rtl8710c, rtl8720c is just 8710 with bluetooth.

    For this guide, you will need to have some basic soldering skills and a USB to UART converter, like the CH340 one. It should have 3.3V voltage levels. So far, I've been using successfully this one for years:
    USB to UART converter with crystal and pins on the board.
    I am also often using external 3.3V LDO (like AMS1117-3.3V) as a better power supply. 3.3V directly from USB to UART may not work. The 3.3V pin on shown USB to UART converter is only used to select voltage levels.


    W701-VA2-CG modules
    Let's consider most popular W701-VA2-CG modules.
    WBR3 is a common Tuya module based on W701-VA2-CG. It has somewhat similar footprint to popular TYWE3S (ESP12) modules, so it also matches more or less with CB3S and WB3S.
    Diagram of the WBR3 module with pin labeling and top and bottom views.
    Pin numberSymbolI/O typeFunction
    1NC/The pin is pulled up to be compatible with other modules
    2A_7I/OGPIOA_7, hardware PWM, IC Pin 21
    3ENI/OEnabling pin, which works at the high level and is pulled up and controlled by a user externally
    4A_11I/OGPIOA_11, hardware PWM, IC Pin 25
    5A_2I/OGPIOA_2, hardware PWM, IC Pin 18
    6A_3I/OGPIOA_3, hardware PWM, IC Pin 19
    7A_4I/OGPIOA_4, hardware PWM, IC Pin 20
    8VCCPPower supply pin (3.3V)
    9GNDPPower supply reference ground
    10A_12I/OGPIOA_12, hardware PWM, IC Pin 26
    11A_16I/OGPIOA_16, UART_Log_TXD, which is used for displaying the module internal information and can be configured as a common GPIO
    12A_17I/OGPIOA_17, hardware PWM, IC Pin 38
    13A_18I/OGPIOA_18, hardware PWM, IC Pin 39
    14A_19I/OGPIOA_19, hardware PWM, IC Pin 40
    15RXDI/OGPIOA_13, UART0_RXD, which is used as a user-side serial interface pin
    16TXDI/OGPIOA_14, UART0_TXD, which is used as a user-side serial interface pin

    There is also A_15 (UART_Log_RXD) available on the back of the module.
    WBR3 Modul...atform.pdf (619.05 kB)You must be logged in to download this attachment.

    WBR2 is a common Tuya module based on W701-VA2-CG. It has somewhat similar footprint to popular TYWE2S (ESP8266) modules, so it also matches more or less with CB2S and WB2S.
    Top and bottom view of the WBR2 module.
    Pin numberSymbolIO typeFunction
    13V3/Power supply pin (3.3V)
    2A19I/OGPIOA_19, hardware PWM, IC Pin40
    3GNDPPower supply reference ground
    4A18I/OGPIOA_18, hardware PWM, IC Pin39
    5A13I/OGPIOA_13, UART0_RXD, which is used as a user-side serial interface pin
    6A17I/OGPIOA_17, hardware PWM, IC Pin38
    7A14I/OGPIOA_14, UART0_TXD, which is used as a user-side serial interface pin
    8A20I/OGPIOA_20, common GPIO, IC Pin1
    9A12I/OGPIOA_12, hardware PWM, IC Pin26
    10ENI/OEnabling pin, which works at the high level and is pulled up and controlled by a user externally
    11A11I/OGPIOA_11, hardware PWM, IC Pin25

    There is also A_15 (UART_Log_RXD) and A_16 (UART_Log_TXD) available on the back of the module.
    WBR2 Modul...atform.pdf (581.57 kB)You must be logged in to download this attachment.

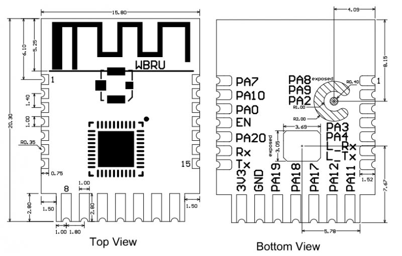
    WBRU is a common Tuya module based on W701-VA2-CG. It has somewhat similar footprint to CBU, with both UART ports available on sides.
    WBRU electronic module with CE and RoHS markings.
    Diagram of WBRU module with top and bottom view
    Pin numberSymbolII/O typeFunction
    1PA8I/OGPIOA_8, common GPIO, which can be reused as SPI_SCK and corresponds to Pin 22 of the IC
    2PA9I/OGPIOA_9, common GPIO, which can be reused as SPI_MOSI and corresponds to Pin 23 of the IC
    3PA2I/OGPIOA_2, hardware PWM, correspond to Pin 18 of the IC
    4PA3I/OGPIOA_3, hardware PWM, correspond to Pin 19 of the IC
    5PA4I/OGPIOA_4, hardware PWM, correspond to Pin 20 of the IC
    6L_RXI/OGPIOA_15, UART_Log_RXD (used to receive the external logs of the module), which can be configured as a common GPIO
    7L_TXI/OGPIOA_16, UART_Log_TXD (used to send the internal logs of the module), which can be configured as a common GPIO
    8PA11I/OGPIOA_11, hardware PWM, correspond to Pin 25 of the IC
    9PA12I/OGPIOA_12, hardware PWM, correspond to Pin 26 of the IC
    10PA17I/OGPIOA_17, hardware PWM, correspond to Pin 38 of the IC
    11PA18I/OGPIOA_18, hardware PWM, correspond to Pin 39 of the IC
    12PA19I/OGPIOA_19, hardware PWM, correspond to Pin 40 of the IC
    13GNDPPower supply reference ground
    14VCCPPower supply pin (3.3V)
    15TXI/OGPIOA_14, UART0_TXD (user serial interface)
    16RXI/OGPIOA_13, UART0_RXD (user serial interface)
    17PA20I/OGPIOA_20, common GPIO, correspond to Pin 1 of the IC
    18ENI/OEnabling pin, active at the high level. The module has been pulled to the high level and the user can control the pin externally
    19PA0I/OGPIOA_0, not recommend to pull it to the high level. If it is pulled to a high level, it will enter the test mode. Correspond to Pin 15 of the IC
    20PA10I/OGPIOA_10, common GPIO, which can be reused as SPI_MISO and corresponds to Pin 24 of the IC
    21PA7I/OGPIOA_7, common GPIO, which can be reused as SPI_CS and corresponds to Pin 21 of the IC

    WBRU Modul...atform.pdf (963.69 kB)You must be logged in to download this attachment.


    NOTE: A_15 (UART_Log_RXD) and A_16 (UART_Log_TXD) are used as debug log output and as flashing port. A_13 (UART0_RXD) and A_0 must be pulled high to enable bootloader.


    Update 2026
    As of 2026, this platform read/write is also supported by our flash tool:
    https://github.com/openshwprojects/BK7231GUIFlashTool
    The connection (soldering, wires), is the same, but you can use our tool instead of the legacy one.
    Please check it out and use it instead of legacy tools, let us know how it works for you!


    Flashing guide
    Those WBR3/WBR2 modules are strange, in case of WBR3 you need to access pin from under module. You can desolder it with hot air.
    You need to connect:
    - GND and 3.3V to a good 3.3V power supply
    - A_16 to USB to UART RX
    - A_15 to USB to UART TX (it's on module back)
    - RXD and A0 to 3.3V (to enable bootloader mode)
    To reset module, connect EN to ground (it's like RESET, CEN pin)
    This is how it looks like for WBR3:
    Close-up of Tuya W701-VA2-CG module with soldered wires.
    And for WBR2:
    - GND and 3.3V to a good 3.3V power supply
    - LOG_TX to USB to UART RX
    - LOG_RX to USB to UART TX (it's on module back)
    - A13 (RXD) and A0 to 3.3V (to enable bootloader mode)
    Tuya module with soldered wires for flashing
    Tuya WBR2 module with connected wires for flashing.
    Here is my setup, as you can see I am using TC1264 (similar to AMS1117-3.3V) LDO for power supply:
    Breadboard with connected wires and a module.
    Get our binaries here:
    https://github.com/openshwprojects/OpenBK7231T_App
    Now, if you run any UART to USB converter, you should be able to see this message after doing reboot (shorting EN to ground for a moment):
    RealTerm program showing UART connection settings.
    Now you can use AmebaZ2 PG Tool 1.2.47:
    User interface of the AmebaZ2 PG Tool 1.2.47 for programming.
    Set Flash Pin as in Docs:
    Flash options for Tuya modules with flash pin selection
    Start flashing:
    User interface of the AmebaZ2 PG Tool 1.2.47 during flashing.
    Remember that you need to disconnect booting pins from 3.3V (all except 3.3V pin itself) and reboot in order for new firmware to start.

    To sum up - flashing infographics, WBR3:
    Guide for connecting and flashing WBR3 (W701-VA2-CG/RTL8720CF) module for Home Assistant integration.
    WBR2:
    Guide for flashing WBR2/RL8720CF modules.

    Tuya flashing docs:
    Flash Firm...tation.pdf (2.47 MB)You must be logged in to download this attachment.

    Binaries and flash Tool download
    Get binaries from our repository:
    https://github.com/openshwprojects/OpenBK7231T_App
    Navigate to Releases tab:
    https://github.com/openshwprojects/OpenBK7231T_App/releases
    Binaries are marked as RTL87X0C, OpenRTL87X0C, they should run on RTL8710C/RTL8720C:
    Screenshot of a table with flash files for various devices, with highlighted entries for RTL87X0C.
    Flash tool is available here:
    AmebaZII_P...1.2.47.zip (99.8 kB)You must be logged in to download this attachment.
    Flash tool mirror is here:
    https://github.com/openshwprojects/FlashTools/tree/main/Realtek

    First configuration
    So now you have flashed your device and disconnected pulled up signals from 3.3V. Of course, the main 3.3V pin still should be connected, because your device needs power. Short EN to ground to reboot. Then first thing to check is the UART log output. It should print OBK log correctly:
    Screenshot from RealTerm showing boot log of an IoT module.
    OBK access point should appear:
    Wi-Fi network connection window for OpenRTL87X0C
    Connect to this AP and go to 192.168.4.1:
    OpenRTL87X0C configuration interface
    Go to config, WiFi:
    OpenRTL87X0C configuration interface with Configure WiFi & Web highlighted
    Configure your WiFi SSID/password there.
    Device will reboot and connect to your network. You can use your router DHCP clients list to discover new device IP.
    Popup window asking to confirm SSID and WiFi password.

    What to do next?
    With OBK you can do many things, including HASS Discovery:



    Use SSDP Discovery:



    Use Tasmota Device Groups:



    Add DHT11:



    Create custom online builds and drivers:
    How to create a custom driver for OpenBeken with online builds (no toolchain required)
    OpenBeken online building system - compiling firmware for all platforms (BK7231, BL602, W800, etc)
    OBK repository:
    https://github.com/openshwprojects/OpenBK7231T_App
    OBK docs:
    https://github.com/openshwprojects/OpenBK7231T_App/blob/main/docs/README.md
    Our devices list:
    https://openbekeniot.github.io/webapp/devicesList.html

    Interesting development board
    There is also BW15 module available along with development board. It features RTL8720CF. More info coming soon.
    bw15_datas...eet_en.pdf (829.32 kB)You must be logged in to download this attachment.

    Summary
    Ameba ZII is now flashable with OBK. WBR3/WBR2/etc modules requires few more wires to flash, but it's still doable. WBR3 may be a bit more problematic, because flashing pads are on the back of the module, but you can always desolder whole module with hot air. Even a cheap hot air station like 858 should work good. Soon we will also release a video showing whole process step for step, but that's all for now. Good luck with flashing your devices!

    Special thanks for @insmod and @divadiow for RTL porting and testing!

    PS: I also attach some futher RTL8720-related dasheets... there are more RTL types that we hope to support soon as well.
    Attachments:
    • UM0401_RTL872xD_Datasheet_v3.4_watermark.pdf (1.39 MB) You must be logged in to download this attachment.

    Cool? Ranking DIY
    Helpful post? Buy me a coffee.
    About Author
    p.kaczmarek2
    Moderator Smart Home
    Offline 
    p.kaczmarek2 wrote 14400 posts with rating 12330, helped 650 times. Been with us since 2014 year.
  • ADVERTISEMENT
  • Helpful post
    #2 21375270
    DeDaMrAz
    Level 22  
    Posts: 596
    Help: 34
    Rate: 125
    Here is a quick preview of the flashing jig for WBR3 modules that is being in the works now.


    View of the WBR3 electronic module with pin markings.


    3D model for flashing WBR3 modules


    3D model of a case with holes on a grid.

    WBR3 module held in hand.

    WBR3 module held in hands with visible pins.

    I am planning of using these pins for it that can be found here - https://www.aliexpress.com/item/4001036082221....order_list.order_list_main.11.71c91802RZ11DZ


    Schematic drawing of pin GC20-03010 with dimensions in millimeters.

    Once completed all files will be available here to download.
  • ADVERTISEMENT
  • #3 21375394
    p.kaczmarek2
    Moderator Smart Home
    Posts: 14400
    Help: 650
    Rate: 12330
    Very interesting idea, I wonder how reliable it will be.

    I've recently started working on a simple NodeMCU to WBR3 hack, and it seems to turned out well. I've managed to solder WBR3 with a two wires for flashing below it:
    WBR3 module with two soldered wires on a wooden surface.
    WBR3 module soldered onto a board using two wires.
    Close-up of an electronic module with a soldered WBR3 chip and connected wires.
    Now, flashing it via UART does not work currently, but we have OTA, and maybe I could just lift CH340 traces and connect them to correct UART port?

    I hope to receive more WBR3 modules soon from a reader, so it might be worth to try it.
    Helpful post? Buy me a coffee.
  • #4 21375443
    divadiow
    Level 38  
    Posts: 4845
    Help: 421
    Rate: 853
    WBR3 is an interesting module. BW15 and vanilla RTL8720CFs (the one I have anyway) only require PA0 to be pulled to 3.3V.

    I am lead to believe that WBR3s have, as seen in your boot log

    Code: Text
    Log in, to see the code

    whereas

    Code: Text
    Log in, to see the code

    is seen in non-Tuya RTL8720CF modules. It'd be good to see this confirmed (or debunked) in future captures of boot logs from other devices/WBR3s

    With PA0 high and PA13 low for me on BW15 this is the output. Some other boot mode.

    Code: Text
    Log in, to see the code


    Added after 56 [minutes]:

    I lifted the table from here and added Modules/Other Names column because I was losing track of what was what. It's a work in progress. Perhaps DM me for anything wrong/missing and I'll fix.

    RTL P/NSeriesBLProtocolCPUMhzSRAMBTUARTSPII2SADC/DACModules/Other Names
    RTL8710BNAmeba ZRTL8195AWiFiARM M4125M258KB-11NY/NW302/T103_V1.0, T112_V1.1, WR1, WR1-IPEX, WR2, WR2, WR2E, WR3, WR3E, WR4, WR5E
    RTL8710BXAmeba ZRTL8195AWiFiARM M462.5M256KB-11NY/NWR3L, WR3LE, BW12, BW14, T102_V1.1
    RTL8710CXAmeba Z2WiFiARM M4100M256KB-31NN/N
    RTL8710CMAmeba Z2WiFiARM M4100M256K+4M-31NN/N
    RTL8720CNAmeba Z2WiFi+BLE4.2ARM M4100M256KBBle4.221NN/N
    RTL8720CFAmeba Z2RTL8710CWiFi+BLE4.2ARM M4100M256KBBle4.221NN/NW701-VA2-CG, WBR2, WBR3, WBRU, W701H, BW15
    RTL8720CMAmeba Z2WiFi+BLE4.2ARM M4100M256KBBle4.221NN/N
    RTL8720CSAmeba CSWiFi+BLE5 MeshM0+M4200M512KBBle5.0 mesh22YY/Y
    RTL8721CSMAmeba CSWiFi+BLE5 MeshM0+M4200M512K+4MBle5.0 mesh32YY/Y
    RTL8722CSMAmeba CSWiFi+BLE5 MeshM0+M4200M512K+4MBle5.0 mesh42YY/Y
    RTL8720DNAmeba D2.4G+5G+BLE5M0+M4200M512KBle5.0 mesh21YY/YW701D, BW16
    RTL8721DMAmeba D2.4G+5G+BLE5M0+M4200M512K+4MBle5.0 mesh32YY/Y
    RTL8722DMAmeba D2.4G+5G+BLE5M0+M4200M512K+4MBle5.0 mesh42YY/Y
  • #5 21375602
    p.kaczmarek2
    Moderator Smart Home
    Posts: 14400
    Help: 650
    Rate: 12330
    Thank you for sharing, that's a very informative table.

    Btw Do you have any flashdumps of RTL that are not (yet) there?
    https://github.com/openshwprojects/FlashDumps
    Maybe we should merge our collections.
    Helpful post? Buy me a coffee.
  • #6 21375622
    divadiow
    Level 38  
    Posts: 4845
    Help: 421
    Rate: 853
    Only the Tapo P100 and BW15 AT factory flash. I can make PR to add? new folder for CF?

    There also a couple of my BX backups floating around.
  • #7 21375633
    p.kaczmarek2
    Moderator Smart Home
    Posts: 14400
    Help: 650
    Rate: 12330
    Sure, let's centralize everything, especially that we've recently seen that those WBRs also have Tuya config partition.
    Helpful post? Buy me a coffee.
  • #8 21375788
    divadiow
    Level 38  
    Posts: 4845
    Help: 421
    Rate: 853
    @DeDaMrAz do you have a Tuya RTL8720CF to hand? If yes and you a moment would you mind flashing this to it? https://www.elektroda.com/rtvforum/topic4021547.html#20870137

    I've flashed a couple of factory dumps to BW15 but they always get stuck booting at this point

    Screenshot of log messages from a Tuya module.

    Added after 42 [minutes]:

    divadiow wrote:
    It'd be good to see this confirmed (or debunked) in future captures of boot logs from other devices/WBR3s


    ROM Version: v3.0 seen in Cuco module

    https://www.elektroda.com/rtvforum/topic4042611.html#21005817
  • #9 21375861
    DeDaMrAz
    Level 22  
    Posts: 596
    Help: 34
    Rate: 125
    divadiow wrote:
    @DeDaMrAz do you have a Tuya RTL8720CF to hand?


    Same result, I recall that @insmod mentioned something wrong with flash tool writing (I guess reading may have the problem as well)

    == Rtl8710c IoT Platform ==
    Chip VID: 5, Ver: 3
    ROM Version: v3.0
    
    == Boot Loader ==
    Dec  5 2019:14:02:18
    
    fwx SELE[ffffffff]
    fw SELE Bitidx 0, fw1 valid 1, sn 0, fw2 valid 1, sn 100
    fw1 USE, return sn 0
    
    Boot Loader <==
    
    == RAM Start ==
    Build @ 18:58:52, Jun 24 2021
    interface 0 is initialized
    interface 1 is initialized
    
    Initializing [01-01 18:1WIFI ...2:15 TUYA Info][mqc_app.c:337] mqc app init ...
    [01-01 18:12:15 TUYA Info][uni_thread.c:221] thread_create name:sys_timer,stackDepth:4096,totalstackDepth:4096,priority:5
    [01-01 18:12:15 TUYA Info][uni_thread.c:221] thread_create name:cmmod,stackDepth:4096,totalstackDepth:8192,priority:4
    [01-01 18:12:15 TUYA Info][uni_thread.c:221] thread_create name:wk_th-0,stackDepth:5120,totalstackDepth:13312,priority:3
    [01-01 18:12:15 TUYA Err][tuya_ws_db.c:324] kvs_read fails gw_bi -1
    [01-01 18:12:15 TUYA Notice][tuya_ble_api.c:345] ble sdk inited
    [BT NOTICE]tuya_os_adapt_param_init mode:0
    [01-01 18:12:15 TUYA Notice][tuya_ble_api.c:381] ble sdk re_inited
    [01-01 18:12:15 TUYA Notice][tuya_bt_sdk.c:125] ty bt sdk init success finish
    [01-01 18:12:15 TUYA Notice][simple_flash.c:408] key_addr: 0x1d8000   block_sz 4096
    [01-01 18:12:15 TUYA Notice][simple_flash.c:497] get key:
    [01-01 18:12:15 TUYA Notice][mf_test.c:364] have actived over 15 min, not enter mf_init
    [01-01 18:12:15 TUYA Notice][tuya_main.c:314] mf_init succ
    
    WIFI initialized
    
    init_thread(65), Available heap 0x15340



    Information about IoT platform Rtl8710c with initialization messages and TUYA errors.
  • ADVERTISEMENT
  • #10 21375887
    divadiow
    Level 38  
    Posts: 4845
    Help: 421
    Rate: 853
    this Govee H5106 Air Quality Monitor fw from device with second MCU does

    Printed circuit board with labels and electronic components.

    Code: Text
    Log in, to see the code
    Attachments:
    • Govee_H5106_Air_Quality.bin (2 MB) You must be logged in to download this attachment.
  • #11 21375898
    p.kaczmarek2
    Moderator Smart Home
    Posts: 14400
    Help: 650
    Rate: 12330
    Are you sure about that packet? TuyaMCU header is 0x55AA, not just 0x55. By the way, with some simple software on PC, we could simulate MCU to "talk" with that WiFi firmware.
    Table describing the data frame format with fields, their lengths, and descriptions.
    Helpful post? Buy me a coffee.
  • #12 21375902
    divadiow
    Level 38  
    Posts: 4845
    Help: 421
    Rate: 853
    I don't think it's TuyaMCU. Govee isn't Tuya based? And the tell-tale sign also that no Tuya storage area is found in fw. I think whoever made that pic and labelled it TuyaMCU is wrong.

    This is boot log

    Code: Text
    Log in, to see the code


    TuyaMCU simulator isn't acknowledging anything received by it.
  • #13 21375933
    p.kaczmarek2
    Moderator Smart Home
    Posts: 14400
    Help: 650
    Rate: 12330
    Interesting, adding OBK support to this would be a great learning experience.
    Helpful post? Buy me a coffee.
  • #14 21376466
    anthonythomas
    Level 9  
    Posts: 40
    Help: 4
    Rate: 16
    Is it right to say it isn't possible to flash the WBR3 without removing it from the board to gain access to the reverse pads?

    Just wondering whether it is worth actually flashing and instead replacing with an ESP8266 since the module will be removed anyway
  • ADVERTISEMENT
  • #15 21376702
    divadiow
    Level 38  
    Posts: 4845
    Help: 421
    Rate: 853
    yes. WBR3 pads on the underside would need to be accessed

    Added after 1 [minutes]:

    >>21375933

    true. that MCU is a Freqchip FR8016HA

    https://github.com/search?q=FR8016HA&type=code

    the device owner posted FR8016HA boot log too

    Code: Text
    Log in, to see the code
  • #16 21376858
    p.kaczmarek2
    Moderator Smart Home
    Posts: 14400
    Help: 650
    Rate: 12330
    anthonythomas wrote:
    Is it right to say it isn't possible to flash the WBR3 without removing it from the board to gain access to the reverse pads?

    I think you need to desolder it to gain access to the pads on the back side.
    I've tried to flash via the other serial port, because I saw it mentioned here:
    https://developer.tuya.com/en/docs/iot/burn-and-authorize-wbr-series-modules?id=Ka78imt8pf85p
    but I couldn't get it to work, it may require already having a bootloader? Anyway, we're using method as shown in first post, it's tested and reliable.


    By the way, WT50-WH-3A, WT100-WH-3A and WT200-16A-W thermostats are WBR3 based. I already have their dpIDs, but I don't have those devices on hand, because the user who borrowed them to me so I can investigate them have already installed them. Still, I will post a separate teardown soon, but for now without flashing.
    Electronic thermostat display showing room temperature and set temperature.
    WBR3 module on a circuit board with informational label.

    I've already did some basic tests and it seems that UART is working on OpenRTL:
    https://www.elektroda.com/rtvforum/topic4093142-60.html#21363681
    I wonder if we could somehow test Realtek with TuyaMCU, @divadiow if I remember correctly, you had some tool that can simulate TuyaMCU while running on PC? Maybe if we connected RTL to PC via that port and run TuyaMCU driver....
    Helpful post? Buy me a coffee.
  • #17 21376867
    divadiow
    Level 38  
    Posts: 4845
    Help: 421
    Rate: 853
    p.kaczmarek2 wrote:
    I wonder if we could somehow test Realtek with TuyaMCU, @divadiow if I remember correctly, you had some tool that can simulate TuyaMCU while running on PC? Maybe if we connected RTL to PC via that port and run TuyaMCU driver....


    Yes. I have already sought to try with some TuyaMCU/RTL firmwares but getting the backups to boot is hampering efforts.

    I used pk in the Aleco dehumidifier backup though and got the dpIDs that way after pairing with BK-N firmware. But yeh, that's not MCU simulation...

    Added after 16 [minutes]:

    p.kaczmarek2 wrote:
    you had some tool that can simulate TuyaMCU while running on PC?


    https://www.elektroda.com/rtvforum/topic4085796.html

    Added after 9 [minutes]:

    I'm thinking of something else of course- RTL factory firmware with fake MCU.

    Yes, TMDA could be used to test OpenRTL I guess

    Screenshot of MCU simulation tool interface showing the operation section.
  • #18 21376939
    GAAD
    Level 17  
    Posts: 289
    Help: 3
    Rate: 19
    Board Language: polish
    Uploaded to WBR1-IPEX

    Electronic module labeled WBR1 .
    Electronic module with pin labels on a blue board. .

    The first problem is that it does not accept changing to its own IP and disabling DHCP.
    The first template from OBK theoretically works. Theoretically, because apart from the power supply I have nothing plugged in.
    As for the change of IP: it displays a message that it has accepted and that you should restart but after a while refreshes the page and the changes disappear. After the restart, DHCP works.

    The OTA update to the new version went through in a flash with no messages on the reboot page.
    The info about the start was displayed and the page no longer refreshed as in OBK with BK7231 but the software loaded correctly.
    It is still not possible to disable DHCP.
  • #19 21376947
    p.kaczmarek2
    Moderator Smart Home
    Posts: 14400
    Help: 650
    Rate: 12330
    It seems there was one more thermostat with WBR3 that I already tested:
    Room thermostat HY609-WE with WiFi - manual, app, interior, TuyaMCU protocol
    The dpIDs are included in the topic but I don't have this particular device anymore...

    I wonder what's the deal with so many thermostats on WBR3, looks like I already listed 4 of them in this topic today, is it just by a chance, or....?

    [edited incorrect info]

    Added after 2 [hours] 28 [minutes]:

    EDIT:
    GAAD wrote:

    The first problem is that it does not accept changing to its own IP and disabling DHCP.

    It's on our TODO list. Just not implemented yet. Do you need this feature? I might look into it, if needed, or maybe @insmod can help
    Helpful post? Buy me a coffee.
  • #20 21377266
    insmod
    Level 31  
    Posts: 1353
    Help: 160
    Rate: 425
    Static ip is currently not implemented, nor do i have any plans for it yet.
    But it shouldn't be hard to implement, just disable LwIP_DHCP(0, DHCP_START); if static ip is set, and use netif_set_addr the same way it is used in HAL_SetupWiFiOpenAccessPoint
  • #21 21377306
    p.kaczmarek2
    Moderator Smart Home
    Posts: 14400
    Help: 650
    Rate: 12330
    I didn't test it, but here it is:
    https://github.com/openshwprojects/OpenBK7231T_App/pull/1492/files
    However now I'm not sure, don't we also need to STOP DHCP first, or do we assume that connect call always happen after fresh boot?
    Helpful post? Buy me a coffee.
  • #22 21377677
    divadiow
    Level 38  
    Posts: 4845
    Help: 421
    Rate: 853
    >>21375861

    the Aleco does work. Just need the right TX/RX for MCU simulator, which I knew, but had reversed RX/TX!!
  • #23 21378157
    @GUTEK@
    Level 31  
    Posts: 1560
    Help: 163
    Rate: 367
    Board Language: polish
    Will this version of OBK for Realtek also work with this module?

    Close-up of an electronic module with an RTL8710BX chip on a PCB. .
    They put them in the sockets, so far I have replaced them with ESP02 but somehow Tasmota does not suit me, I prefer OBK in action.
  • #24 21378249
    p.kaczmarek2
    Moderator Smart Home
    Posts: 14400
    Help: 650
    Rate: 12330
    This module is still being worked on, it is not the RTL8720CF but the RTL8710BX. There will be a separate forum topic about the RTL8710BX.
    Helpful post? Buy me a coffee.
  • #25 21378633
    rchristescu
    Level 8  
    Posts: 19
    Help: 2
    Rate: 4
    p.kaczmarek2 wrote:

    Btw Do you have any flashdumps of RTL that are not (yet) there?
    https://github.com/openshwprojects/FlashDumps


    Thank you so much for this tutorial and for all the development.

    Here is the original firmware from ERC2202-W:
    https://www.elektroda.com/rtvforum/topic4048867.html#21046382
    I understand you collect flashdumps for further development.
    Attachments:
    • firmware_WBR2_ERC2202-W.bin (2 MB) You must be logged in to download this attachment.
  • #26 21378638
    divadiow
    Level 38  
    Posts: 4845
    Help: 421
    Rate: 853
    >>21378633

    excellent. thanks for picking up my PM. I'll flash and have a look over it.
  • #27 21381809
    Jerther
    Level 5  
    Posts: 30
    Help: 1
    Rate: 8
    I have used this procedure on a Kasa HS200 smart switch with the RTL8710CF chip and I confirm it's working! The tests pads are clearly labeled on the PCB. I had to use the 5V pad to power the chip, and use the 3v3 pad to pull GPIO0 up.

    Thank you so much :)
  • #28 21382174
    divadiow
    Level 38  
    Posts: 4845
    Help: 421
    Rate: 853
    >>21381809

    that's good news. feel free to post your OpenRTL template from the web GUI so it can be added to the device list (assuming you have it configured 100% working as intended)

    OpenBK BK7231T Desk Calex Plug user interface with diagnostic information.

    if you have more info, pics etc, consider posting your findings into a new thread dedicated to the Kasa HS200.
  • #29 21384169
    GAAD
    Level 17  
    Posts: 289
    Help: 3
    Rate: 19
    Board Language: polish
    What do I use to rip the contents of the module? Because I don't see an option in Ameba to read the memory write to file.
  • #30 21384196
    p.kaczmarek2
    Moderator Smart Home
    Posts: 14400
    Help: 650
    Rate: 12330
    We're still working on our own flasher, so we'll keep you updated.

    I've received WBR3s today from a reader:
    Package of three WBR3 modules placed on a Loginovo branded box.

    Added after 38 [seconds]:

    Expect more testing soon. Maybe another NodeMCU hack?
    Helpful post? Buy me a coffee.
📢 Listen (AI):

Topic summary

✨ The discussion centers on flashing and integrating Tuya modules based on the RTL8720CF chip (W701-VA2-CG), including WBR1, WBR2, WBR3, WBR2L, WBR3L, and WBRU, for cloud-free operation with Home Assistant (HA) using the AmebaZ2 PG Tool and OpenBK7231T (OBK) firmware. Detailed pinouts, flashing jigs, and boot logs are shared, highlighting the need to access specific pins (A0, A15, A16) often located on the PCB underside, sometimes requiring desoldering. Users report successful flashing on devices like Kasa HS200, Gosund SP1 (BL097), and Tapo P110, with calibration support for BL0937 power monitoring chips. Challenges include reading and backing up firmware, especially system and calibration data, which may be stored in efuse or inaccessible flash areas. The community collaborates on templates for device configuration, MQTT integration, and HA discovery, including channel type mappings (e.g., OpenStopClose, LowMidHigh, dimmer) for TuyaMCU protocols. OTA updates and UART communication are tested, with ongoing development of tools and firmware support for these Realtek-based modules. Additional discussion covers the similarity between WBR3 and WBRU modules for firmware transplantation and the presence of Tuya config partitions. The thread also touches on related devices like thermostats (WT50-WH-3A, WT100-WH-3A, WT200-16A-W, HY609-WE) and the FR8016HA MCU in some modules. Overall, the topic provides a comprehensive guide and collaborative troubleshooting for flashing, configuring, and integrating RTL8720CF-based Tuya modules with open-source firmware and Home Assistant.
Generated by the language model.

FAQ

TL;DR: With 3.3 V wiring and 4–6 UART connections, you can flash WBR2/WBR3/WBRU Tuya modules; as one contributor put it, "the connection ... is the same" even when switching to newer tools. This FAQ helps Home Assistant and OpenBeken users identify pinouts, choose the right flasher, and recover MQTT discovery on RTL8720CF-based devices. [#21375223]

Why it matters: These modules appear in thermostats, plugs, breakers, switches, heaters, blinds, and IR devices, so one reliable flashing method unlocks many Tuya products without cloud dependence.

Tool Best use Write support Read/backup support Notable thread detail
AmebaZ2 PG Tool 1.2.47 Legacy RTL8720CF flashing Yes No practical read option discussed early on Original step-by-step guide used it first [#21375223]
BK7231GUIFlashTool Preferred newer workflow Yes Yes, later RTL87X0C read/write support added RTL87X0C support expanded through 2025 [#21708748]
ltchiptool Linux/CLI alternative Yes Not the main focus here One user wrote a 719.1 KiB image successfully on Linux [#21398455]

Najważniejsza wskazówka: On WBR3, the working UART boot path uses the log UART on A15/A16, not the normal user UART on A13/A14. Most failed flashes came from wrong UART choice, unstable adapters, or weak 3.3 V power. [#21375223]

Quick Facts

  • WBR3, WBR2, and WBRU in this thread all center on W701-VA2-CG / RTL8720CF, a Wi-Fi + BLE 4.2 Realtek platform typically running at 100 MHz with 256 KB SRAM in the shared comparison table. [#21375443]
  • The proven boot wiring uses 3.3 V, not 5 V logic, and the guide explicitly recommends a solid external 3.3 V LDO because some USB-UART adapters cannot power the module reliably from their 3.3 V pin. [#21375223]
  • WBR3 flashing usually needs access to underside pads: connect A15/A16, pull A0 and A13/RXD high, then reset with EN to GND. WBR2 exposes similar signals more accessibly. [#21375223]
  • Later tool work added practical dump support: one successful RTL87X0C backup read a full 0x200000 = 2 MB flash and verified it with a SHA-256 hash match before extraction attempts. [#21727461]
  • Real-world confirmation spans several devices, including a Kasa HS200, Gosund SP1 plug, and Tapo P110 variants, showing the method is not limited to one Tuya product family. [#21381809]

How do I flash a Tuya WBR3 or WBR2 module based on W701-VA2-CG / RTL8720CF with OpenBeken using AmebaZ2 PG Tool or BK7231GUIFlashTool?

Flash it over the log UART, not the normal serial port. 1. Power the module from a stable 3.3 V supply and wire A16→USB-UART RX, A15→USB-UART TX, plus GND. 2. Pull A0 and A13/RXD high to enter bootloader, then reset by shorting EN to GND. 3. Write an OpenRTL87X0C binary with AmebaZ2 PG Tool or the newer BK7231GUIFlashTool, then remove the boot straps and reboot. The guide states this method works for WBR1, WBR2, WBR3, WBR2L, WBR3L, and WBRU-class RTL8720CF modules. [#21375223]

What is W701-VA2-CG, and how is it related to Realtek RTL8720CF, WBR2, WBR3, and WBRU modules?

W701-VA2-CG is the RF module core used by several Tuya-branded boards, and in this thread it is treated as the same platform as Realtek RTL8720CF. "W701-VA2-CG" is an embedded Wi-Fi + Bluetooth module family that packages the RTL8720CF-class chip into different Tuya footprints, including WBR2, WBR3, and WBRU, while keeping the same flashing concept and similar GPIO families. That is why one firmware family, OpenRTL87X0C, can target multiple module shapes even though the pin headers differ. [#21515587]

Which pins do I need to connect on WBR3, WBR2, and WBRU to enter bootloader mode and flash over UART?

Use the log UART pins plus two boot straps. For WBR3, connect 3.3 V, GND, A16 to USB-UART RX, A15 to USB-UART TX, then pull A0 and RXD/A13 high and reset with EN. For WBR2, the same rule applies, but A15 and A16 are on the back and A13 is labeled RXD. For WBRU, the note is explicit: A15 and A16 are the debug/flashing UART, while A13 and A0 must be pulled high for bootloader mode. [#21375223]

Why does a WBR3 usually need to be desoldered before flashing, and are there any practical alternatives like a jig or NodeMCU adapter hack?

WBR3 usually needs desoldering because its critical flashing pads sit on the underside. Multiple replies confirm you generally must remove it to reach A15 and related pads, although practical alternatives appeared in the thread: a spring-pin jig in development and a NodeMCU carrier hack with wires routed below the module. Those ideas reduce repeat soldering, but the tested method remained full access to the underside pads. One concise reply put it plainly: "yes. WBR3 pads on the underside would need to be accessed." [#21376702]

What is AmebaZ2 PG Tool 1.2.47, and when should I use it instead of BK7231GUIFlashTool or ltchiptool for RTL87X0C devices?

AmebaZ2 PG Tool 1.2.47 is the legacy Realtek flashing utility first used in this guide for RTL8720CF-based Tuya modules. Use it when you only need a known-good write path on Windows and want to follow the original screenshots exactly. Prefer BK7231GUIFlashTool when you need newer RTL87X0C support, backup features, or config extraction workflows. Use ltchiptool when you want a Linux CLI path; one user flashed an OpenRTL87X0C image from /dev/ttyUSB0 and the tool auto-detected a 719.1 KiB Realtek AmebaZ2 image successfully. [#21398455]

How do I set up OpenBeken after flashing a WBR3 or WBR2 so it joins Wi-Fi and appears in Home Assistant via MQTT discovery?

After flashing, boot OpenBeken, join its AP, and configure Wi-Fi at 192.168.4.1. Then set your MQTT broker, save, and either run Home Assistant discovery manually or add scheduleHADiscovery 5 to autoexec.bat so discovery starts about 5 seconds after MQTT connects. The thread shows this works once the right channel types are assigned; missing or old channel types were a real cause of absent entities. One contributor confirmed the fix immediately after updating the firmware and keeping discovery in autoexec. [#21564801]

Why does flashing a WBR3 with an FT232 adapter fail with XMODEM timeouts, while a CH340 works better for some users?

The thread’s strongest pattern is adapter quality and UART stability, not the module itself. A user repeatedly hit XMODEM timeouts and short-packet errors with an FT232-based adapter, then switched to a CH340 and obtained a proper RTL flash backup with hash verification. Another contributor noted many FT232 boards are fake, while CH340 and CP210x adapters worked reliably in their experience. Stable 3.3 V power also matters, because a weak adapter supply can look like a protocol failure. [#21809020]

What do the WBR3, WBR2, and WBRU pinouts look like, including the hidden A15/A16 log UART pads used for flashing?

The important difference is where the log UART appears. WBR3 exposes 16 edge pins, including A13/RXD and A14/TXD, but A15 is on the back and A16 is the log TX pin used for internal output. WBR2 has 11 main pins, with A15 and A16 again available on the rear pads. WBRU is more convenient: both log UART pins, L_RX = A15 and L_TX = A16, are on the sides together with TX = A14 and RX = A13. That hidden A15/A16 pair is why photos and board diagrams matter so much. [#21375223]

How can I read or back up flash contents from RTL8720CF / RTL87X0C devices, and what tools currently support dump and restore?

Today, use BK7231GUIFlashTool for practical dump and restore on RTL87X0C. By October 2025, the thread showed full read and write working, including a 2 MB backup, flash ID detection, hash verification, and config extraction attempts. Earlier in the thread, the answer was effectively “not yet” for AmebaZ2 PG Tool, which lacked a straightforward read-to-file path for users. There was also experimental CLI work around AmebaZ2 reads, but the clearest usable path became BK7231GUIFlashTool rather than the older vendor flasher. [#21708748]

What is TuyaMCU, and how do I map Tuya dpIDs to OpenBeken channels for thermostats, heaters, blinds, and kettles?

TuyaMCU is the secondary-MCU protocol layer many smart devices use between the Wi-Fi module and the product logic board. "TuyaMCU" is a serial protocol interface that carries dpIDs such as switch, target temperature, blind position, or kettle temperature, and OpenBeken maps each dpID to a channel type, label, and direction. In practice, start the driver, set the baud rate, then use commands like linkTuyaMCUOutputToChannel 2 val 2 and setChannelType 2 dimmer or Temperature. The thread shows this method working on thermostats, blinds, heaters, and a smart kettle. [#21701460]

How do I troubleshoot a TuyaMCU device on WBR3 when startDriver TuyaMCU causes safe mode or when Home Assistant entities do not show up?

Start by removing the bad autoexec, rebooting cleanly, and launching TuyaMCU manually. If startDriver TuyaMCU still forces safe mode, the usual causes are wrong baud rate, wrong dpID/channel mapping, or a bad command in autoexec. If Home Assistant entities do not appear, update to a build that includes the needed channel types, then run scheduleHADiscovery 5. That exact issue happened with new OpenStopClose support: the entity appeared only after firmware update because the older May build lacked the required discovery behavior. [#21565324]

What is the difference between the log UART on A15/A16 and the user UART on A13/A14 on WBR modules, and which one is used for flashing?

The log UART on A15/A16 is the flashing path; the user UART on A13/A14 is the application serial port. The module tables describe A15 as UART_Log_RXD and A16 as UART_Log_TXD, while A13/A14 are UART0_RXD and UART0_TXD for user-side serial communication. The flashing note repeats the distinction: use A15/A16 for debug output and bootloading, and pull A13 plus A0 high to enter bootloader mode. That distinction explains many failed attempts through the wrong UART. [#21375223]

AmebaZ2 PG Tool vs BK7231GUIFlashTool vs ltchiptool for Realtek RTL8720CF flashing — which tool is better for writing, reading, and recovery?

BK7231GUIFlashTool is the best all-around choice in this thread’s later state. Use AmebaZ2 PG Tool for basic legacy writing, ltchiptool for Linux command-line writing, and BK7231GUIFlashTool for the broadest write-plus-read-plus-recovery workflow. By late 2025, BK7231GUIFlashTool added RTL87X0C read/write support, flash-ID handling, and config operations, while AmebaZ2 PG Tool remained mostly a vendor writer. ltchiptool proved practical for write-only Linux use, but the thread did not position it as the primary backup or recovery solution. [#21708620]

How can I preserve or reconstruct original device functionality after flashing OpenBeken, including importing templates, using GPIO Doctor, and writing autoexec.bat scripts?

Rebuild the device in layers: pins first, protocol second, automation third. 1. If it is not a TuyaMCU device, use GPIO Doctor or a known template to find relay, button, LEDs, and metering pins. 2. If it is a TuyaMCU device, extract or infer dpIDs and map them in autoexec.bat. 3. Add drivers, labels, MQTT, and Home Assistant discovery. The thread explicitly says original behavior is usually restored either by choosing GPIO roles manually or via template import, then extending it with scripts and TuyaMCU channel mappings. [#21420173]

What should I watch out for when moving firmware or backups between WBR3 and WBRU modules, especially around RF calibration, system data, and per-device settings?

Expect the main firmware to be portable, but treat per-device data cautiously. One reply says WBR3 and WBRU use the same W701-VA2-CG core and should run the same program image, yet the follow-up warning is RF and system data: calibration may be per-device, MAC is in efuse, and a later developer comment says system and calibration areas at 0x1000–0x3000 do not appear readable in normal dumps. So move the application image only when possible, not a blind full-device clone for certification-sensitive work. [#21516179]
Generated by the language model.
ADVERTISEMENT